기본 AutoCAD 및 AutoCAD LT 컨트롤을 검토할 수 있습니다.
AutoCAD 또는 AutoCAD LT를 시작한 후 시작 탭의 그리기 시작 버튼을 클릭하여 새 도면을 시작합니다.

도면 영역 위쪽에는 표준 탭 리본이 표시됩니다. 홈 탭에서 이 안내서에 나오는 거의 모든 명령에 액세스할 수 있습니다. 또한 아래에 표시된 빠른 액세스 도구 모음에는 새로 만들기, 열기, 저장, 인쇄 및 명령취소 등의 자주 사용되는 명령이 포함되어 있습니다.

프로그램에서 가장 중요한 요소는 대개 응용프로그램 윈도우 아래쪽에 고정되는 명령 윈도우입니다. 명령 윈도우에는 프롬프트, 옵션 및 메시지가 표시됩니다.

리본, 도구막대 및 메뉴를 사용하는 대신 명령 윈도우에 명령을 직접 입력할 수 있습니다. 제품을 오랫동안 사용해 온 사용자들은 대부분 이 방식을 선호합니다.
명령은 입력을 시작하면 자동으로 완성됩니다. 아래 예와 같은 여러 가능성이 있는 경우 해당 항목을 클릭하거나, 화살표 키를 사용한 다음 Enter 키 또는 스페이스바를 눌러 원하는 항목을 선택할 수 있습니다.

대부분의 사용자는 마우스를 좌표 입력 장치로 사용하지만, 동일한 조정 기능을 포함하는 다른 장치도 있습니다.

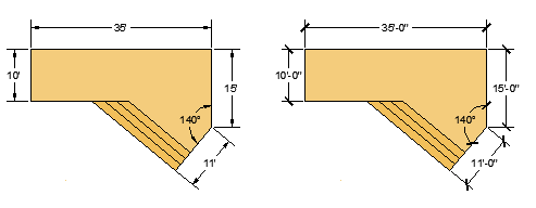
문자, 치수, 선종류 및 기타 여러 피쳐에 대한 설정을 지정하여 산업 또는 회사 표준을 쉽게 준수할 수 있습니다. 예를 들어 이 뒤뜰 데크 설계에서는 두 가지 치수 스타일을 표시합니다.

이 모든 설정을 도면 템플릿 파일에 저장할 수 있습니다. 새로 만들기를 클릭하여 여러 도면 템플릿 파일에서 선택합니다.


리스트의 "튜토리얼" 템플릿 파일은 영국식(i) 및 미터법(m) 버전이 모두 포함된 건축 또는 기계 설계 분야의 간단한 예제입니다. 이러한 파일을 사용하여 각 단위를 시험해 볼 수 있습니다.
대부분의 회사에서는 회사 표준을 준수하는 도면 템플릿 파일을 사용합니다. 프로젝트나 고객에 따라 다른 도면 템플릿 파일을 사용하는 경우가 많습니다.
어떤 도면(.dwg) 파일이든 도면 템플릿(.dwt) 파일로 저장할 수 있습니다. 또한 기존 도면 템플릿 파일을 열어 수정한 다음 다른 파일 이름(필요한 경우)으로 다시 저장할 수 있습니다.

독립적으로 작업하는 경우 작업 기본 설정에 맞게 도면 템플릿 파일을 개발한 후 추가 피쳐에 대한 설정에 익숙해지면 그러한 설정을 추가할 수 있습니다.
기존 도면 템플릿 파일을 수정하려면 열기를 클릭하고 파일 선택 대화상자에서 도면 템플릿(*.dwt)을 지정한 후에 템플릿 파일을 선택합니다.

새 도면을 시작한 후, 먼저 길이 단위 하나(1인치, 1피트, 1센티미터, 1킬로미터 또는 기타 길이 단위)가 나타내는 항목을 결정합니다. 예를 들어 아래에 나와 있는 객체는 각각 125피트 길이의 두 건물 또는 밀리미터 단위로 측정한 기계 부품의 한 단면을 나타낼 수 있습니다.

사용할 길이 단위를 결정한 후에는 UNITS 명령을 사용하여 다음을 비롯한 여러 단위 표시 설정을 조정할 수 있습니다.
피드 및 인치 단위로 작업하려는 경우 UNITS 명령을 사용하여 건축용 단위 유형을 설정한 다음 객체를 작성할 때 해당 길이를 인치로 지정합니다. 미터법 단위를 사용하려면 단위 유형을 십진으로 설정된 상태로 두면 됩니다. 단위 형식 및 정밀도를 변경해도 도면 내부 정밀도에는 아무런 영향이 없습니다. 이러한 설정은 길이, 각도 및 좌표가 사용자 인터페이스에 표시되는 방법에만 영향을 줍니다.
모형을 항상 전체 크기(1:1 축척)로 작성하십시오. 모형이라는 용어는 설계의 형상을 나타냅니다. 도면에는 모형 형상과 함께 배치에 표시되는 뷰, 주, 치수, 콜아웃, 테이블 및 제목 블록이 포함됩니다.
배치를 작성할 때 나중에 표준 크기 시트에 도면을 인쇄하기 위한 축척을 지정합니다.

Esc 키를 눌러 이 사전 선택 작업을 취소할 수 있습니다.