그래픽 상호 연계 형식 스타일을 사용하는 경우 도면에서의 상호 연계 모양을 표시하도록 미리보기 이미지가 변경됩니다.
JIC 스타일 또는 IEC 스타일 그래픽 글꼴을 사용하여 상호 연계 형식을 표시합니다. 설정은 프로젝트 특성에 지정된 태깅 모드에 관계 없이 그래픽 글꼴에 적용됩니다. 삽입된 구성요소에 지정된 상호 연계 재지정이 없는 경우 도면 특성에서 이 설정을 자동으로 가져옵니다.
![]() JIC |
![]() IEC |
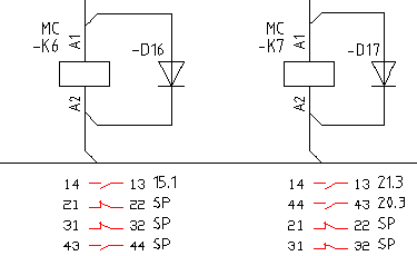
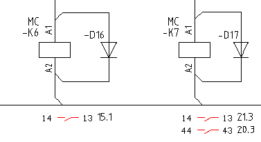
다음 예에서는 상호 연계를 기호 옆에 그래픽 글꼴 형식으로 표시하고 사용되지 않는 하위(접점)는 별도의 참조로 표시합니다. 참조 채우기 값은 "SP"입니다.
![]() JIC |
![]() IEC |
상호 연계 유형 값(NO, NC, NONC)을 사용하여 상호 연계 형식을 표시합니다.
![]() JIC |
![]() IEC |