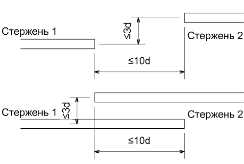
Соедините скрепленные или смежные экземпляры арматурных стержней с помощью соединителя.
Видеоролик «Размещение соединителей арматурных стержней»
панель «Армирование»
(«Соединитель арматурного стержня»).
панель «Параметры размещения»
(«Разместить на конце стержня»)
панель «Параметры размещения»
(«Разместить между двумя стержнями»)

Допуск размещения соединителя