循环系统大小调整示例
以下图像显示各种循环管道大小调整方法的结果。
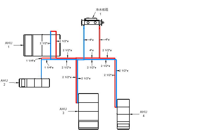
仅限摩擦
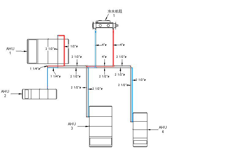
调整大小之前
调整大小之后
仅限速度
调整大小之前
调整大小之后
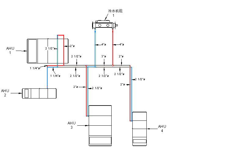
摩擦和速度
调整大小之前
调整大小之后
更大连接件或计算
调整大小之前
调整大小之后
使连接件与管道大小匹配
调整大小之前
调整大小之后
父主题:
管道大小调整示例
相关概念
管道系统属性
管道实例属性
管道大小调整方法
关于压降计算