Les images suivantes montrent les résultats des diverses méthodes de dimensionnement de canalisation.

Avant dimensionnement

Après dimensionnement

Avant dimensionnement

Après dimensionnement

Avant dimensionnement

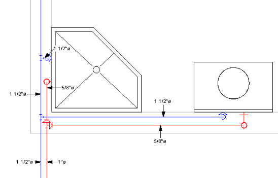
Après dimensionnement

Avant dimensionnement

Après dimensionnement

Avant dimensionnement

Après dimensionnement

Une seule canalisation

Diagramme du flux