自動スケッチ寸法の表示をオンにする

自動スケッチ寸法は既定でオフになっています。ファミリ内に少なくとも 1 つのラベル付き寸法があれば、自動スケッチ寸法が表示されます。

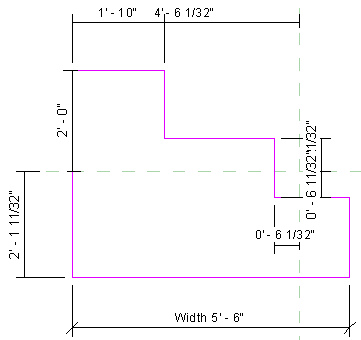
次のイメージでは、ジオメトリに追加された寸法があっても、寸法にはラベルがないことに注目してください。

自動スケッチ寸法はまったく表示されていません。

自動スケッチ寸法の表示をオンにするには

  1. スケッチ モードで、[表示] [グラフィックス]パネル (表示/グラフィックス)をクリックするか、VG と入力します。
  2. [表示/グラフィックスの上書き]ダイアログの[注釈カテゴリ]タブで、[寸法]カテゴリを展開し、[寸法]を選択し、[自動スケッチ寸法]を選択します。
  3. [OK]をクリックします。
  4. 寸法を配置してラベルを付けます。

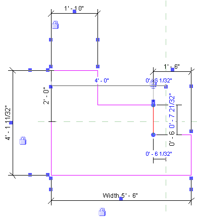
    自動スケッチ寸法が表示されます。

これにより、このジオメトリの各線分が参照面や他のスケッチ線に対してどのような位置にあるか、Revit LT によって認識されます。

ロックされた寸法を追加すると、図のように、自動スケッチ寸法が置き換えられます。