Размер формы сечения конструкций из горячекатаной стали

Просматривайте и изменяйте значения параметров размера формы сечения элементов несущих конструкций из горячекатаной стали.

Эти свойства типа создаются на основе параметра категории семейства форм сечения элемента.

Форма сечения Доступные параметры размеров формы
Стандарт труб

D. Диаметр: внешний диаметр формы круглого сечения.

T. Расчетная толщина стенки: перпендикулярная расчетная толщина между внутренней и наружной поверхностями формы сечения.

t. Номинальная толщина стенки: среднее перпендикулярное расстояние между внутренней и наружной поверхностями формы сечения.

y. Горизонтальный центроид: расстояние от центроида формы сечения до левого края по горизонтальной оси.

z. Вертикальный центроид: расстояние от центроида формы сечения до нижнего края по вертикальной оси.

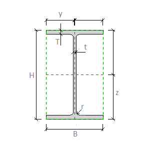
Двутавровая параллельная полка

B. Ширина: наружная ширина формы сечения.

H. Высота: наружная высота формы сечения.

T. Толщина полки: расстояние между наружными поверхностями полки в форме сечения.

t. Толщина ребра жесткости: расстояние между наружными поверхностями ребра жесткости в форме сечения.

r. Сопряжение ребра жесткости: радиус сопряжения между ребром жесткости и полкой.

y. Горизонтальный центроид: расстояние от центроида формы сечения до левого края по горизонтальной оси.

z. Вертикальный центроид: расстояние от центроида формы сечения до нижнего края по вертикальной оси.

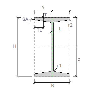
Двутавровая наклонная полка

B. Ширина: наружная ширина формы сечения.

H. Высота: наружная высота формы сечения.

T. Толщина полки: расстояние между наружными поверхностями полки в форме сечения.

TL.Местоположение толщины полки: расстояние от конца наклонной полки до места, где измеряется ее толщина.

SA.Угол наклонной полки: угол между плоскостью наклонной полки и горизонтальной плоскостью в форме сечения.

t. Толщина ребра жесткости: расстояние между наружными поверхностями ребра жесткости в форме сечения.

r1. Сопряжение ребра жесткости: радиус сопряжения между ребром жесткости и полкой.

r2. Сопряжение полки: радиус сопряжения на конце полки в форме сечения.

y. Горизонтальный центроид: расстояние от центроида формы сечения до левого края по горизонтальной оси.

z. Вертикальный центроид: расстояние от центроида формы сечения до нижнего края по вертикальной оси.

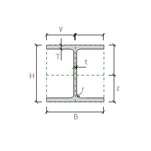
Двутавровая широкая полка

B. Ширина: наружная ширина формы сечения.

H. Высота: наружная высота формы сечения.

T. Толщина полки: расстояние между наружными поверхностями полки в форме сечения.

t. Толщина ребра жесткости: расстояние между наружными поверхностями ребра жесткости в форме сечения.

r. Сопряжение ребра жесткости: радиус сопряжения между ребром жесткости и полкой.

y. Горизонтальный центроид: расстояние от центроида формы сечения до левого края по горизонтальной оси.

z. Вертикальный центроид: расстояние от центроида формы сечения до нижнего края по вертикальной оси.

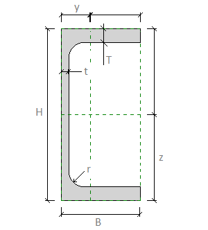
С-образный канал с параллельной полкой

B. Ширина: наружная ширина формы сечения.

H. Высота: наружная высота формы сечения.

T. Толщина полки: расстояние между наружными поверхностями полки в форме сечения.

t. Толщина ребра жесткости: расстояние между наружными поверхностями ребра жесткости в форме сечения.

r. Сопряжение ребра жесткости: радиус сопряжения между ребром жесткости и полкой.

y. Горизонтальный центроид: расстояние от центроида формы сечения до левого края по горизонтальной оси.

z. Вертикальный центроид: расстояние от центроида формы сечения до нижнего края по вертикальной оси.

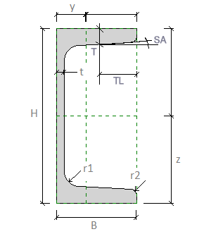
С-образный канал с наклонной полкой

B. Ширина: наружная ширина формы сечения.

H. Высота: наружная высота формы сечения.

T. Толщина полки: расстояние между наружными поверхностями полки в форме сечения.

TL.Местоположение толщины полки: расстояние от конца наклонной полки до места, где измеряется ее толщина.

SA.Угол наклонной полки: угол между плоскостью наклонной полки и горизонтальной плоскостью в форме сечения.

t. Толщина ребра жесткости: расстояние между наружными поверхностями ребра жесткости в форме сечения.

r1. Сопряжение ребра жесткости: радиус сопряжения между ребром жесткости и полкой.

r2. Сопряжение полки: радиус сопряжения на конце полки в форме сечения.

y. Горизонтальный центроид: расстояние от центроида формы сечения до левого края по горизонтальной оси.

z. Вертикальный центроид: расстояние от центроида формы сечения до нижнего края по вертикальной оси.

Уголок

B. Ширина: наружная ширина формы сечения.

H. Высота: наружная высота формы сечения.

T. Толщина полки: расстояние между наружными поверхностями полки в форме сечения.

t. Толщина ребра жесткости: расстояние между наружными поверхностями ребра жесткости в форме сечения.

r1. Сопряжение ребра жесткости: радиус сопряжения между ребром жесткости и полкой.

r2. Сопряжение полки: радиус сопряжения на конце полки в форме сечения.

r3.Сопряжение верхнего ребра жесткости: радиус сопряжения в верхней части ребра жесткости в форме сечения.

y. Горизонтальный центроид: расстояние от центроида формы сечения до левого края по горизонтальной оси.

z. Вертикальный центроид: расстояние от центроида формы сечения до нижнего края по вертикальной оси.

alpha. Угол вращения основных осей: угол вращения между основными осями и опорными плоскостями поперечного сечения. Этот параметр отображается как параметр семейства расчета несущих конструкций.

Двутавровая разделенная параллельная полка

B. Ширина: наружная ширина формы сечения.

H. Высота: наружная высота формы сечения.

T. Толщина полки: расстояние между наружными поверхностями полки в форме сечения.

t. Толщина ребра жесткости: расстояние между наружными поверхностями ребра жесткости в форме сечения.

r. Сопряжение ребра жесткости: радиус сопряжения между ребром жесткости и полкой.

y. Горизонтальный центроид: расстояние от центроида формы сечения до левого края по горизонтальной оси.

z. Вертикальный центроид: расстояние от центроида формы сечения до нижнего края по вертикальной оси.

Двутавровая наклонная параллельная полка

B. Ширина: наружная ширина формы сечения.

H. Высота: наружная высота формы сечения.

T. Толщина полки: расстояние между наружными поверхностями полки в форме сечения.

TL.Местоположение толщины полки: расстояние от конца наклонной полки до места, где измеряется ее толщина.

SA.Угол наклонной полки: угол между плоскостью наклонной полки и горизонтальной плоскостью в форме сечения.

t. Толщина ребра жесткости: расстояние между наружными поверхностями ребра жесткости в форме сечения.

r1. Сопряжение ребра жесткости: радиус сопряжения между ребром жесткости и полкой.

r2. Сопряжение полки: радиус сопряжения на конце полки в форме сечения.

y. Горизонтальный центроид: расстояние от центроида формы сечения до левого края по горизонтальной оси.

z. Вертикальный центроид: расстояние от центроида формы сечения до нижнего края по вертикальной оси.

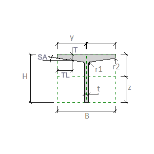
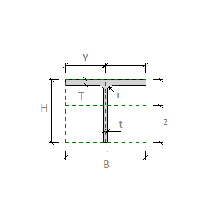
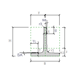
Тавровые профили

B. Ширина: наружная ширина формы сечения.

H. Высота: наружная высота формы сечения.

TL.Местоположение толщины полки: расстояние от конца наклонной полки до места, где измеряется ее толщина.

SA.Угол наклонной полки: угол между плоскостью наклонной полки и горизонтальной плоскостью в форме сечения.

t. Толщина ребра жесткости: расстояние между наружными поверхностями ребра жесткости в форме сечения.

tl.Местоположение толщины ребра жесткости: расстояние от конца наклонного ребра жесткости до места, где измеряется его толщина.

sa.Угол наклонного ребра жесткости: угол между плоскостью наклонного ребра жесткости и вертикальной плоскостью в форме сечения.

r1. Сопряжение ребра жесткости: радиус сопряжения между ребром жесткости и полкой.

r2. Сопряжение полки: радиус сопряжения на конце полки в форме сечения.

r3.Сопряжение верхнего ребра жесткости: радиус сопряжения в верхней части ребра жесткости в форме сечения.

y. Горизонтальный центроид: расстояние от центроида формы сечения до левого края по горизонтальной оси.

z. Вертикальный центроид: расстояние от центроида формы сечения до нижнего края по вертикальной оси.