放置钢筋接头
使用接头连接搭接或相邻钢筋实例。
视频:放置钢筋接头
依次单击“结构”选项卡
“钢筋”面板
(钢筋接头)
单击接头放置方式:
“修改|插入钢筋接头”选项卡
“放置选项”面板
(放置在钢筋末端)
“修改|插入钢筋接头”选项卡
“放置选项”面板
(放置在两钢筋之间)
在“属性”选项板顶部的“类型”选择器中,选择所需的钢筋接头类型。将自动调整钢筋接头尺寸,以匹配要尝试连接的钢筋,或匹配为已连接的钢筋设置的尺寸。如果项目中不存在匹配的接头类型,将创建一个新的接头类型。
在钢筋上放置接头。
对于在钢筋末端放置接头,请选择要放置接头的钢筋末端。
对于在两钢筋之间放置接头,请选择两个有效的钢筋实例。选定的第二根钢筋将根据需要重新定位和缩短,以便放置接头。
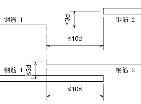
对于连接两个钢筋实例的接头,连接的两末端的间隔不得超过 10 倍钢筋直径。不能将钢筋相互偏移至超过 3 倍钢筋直径。
接头放置允差
在弧形钢筋之间放置钢筋接头
若要在两条弧形钢筋之间放置钢筋接头,两根钢筋需要具有相同的中心。
在“项目浏览器”中复制和自定义现有的末端处理。
使用钢筋接头连接圆形混凝土结构中的相切弧形钢筋:
钢筋末端必须在直径为 10 的接头公差内才能连接。
只有接头未剪切任何钢筋部分(它们仍保持在相切位置)时,才能连接没有相同中心的相切弧形钢筋。
非切线。
相切。
非切线。
提示:
要连接未对齐的钢筋,请将接头添加到其中一根钢筋,并将末端处理方式更改为其他钢筋,以便可以为接头连接进行预制。
父主题:
钢筋接头
相关概念
关于钢筋接头
关于钢筋端部处理
相关任务
放置钢筋集
视频:放置钢筋接头
相关参考
钢筋接头实例属性
钢筋接头类型属性
钢筋接头族参数
相关信息
修改钢筋接头