Kóty tvarů ocelových (nebo jiných) řezů

Zkontrolujte a upravte hodnoty parametrů kót tvarů řezů jiných ocelových rámových konstrukčních prvků.

Tyto vlastnosti jsou vytvořeny z parametru kategorie rodiny tvarů řezů prvku.

Tvar řezu Dostupné parametry kót tvarů
Obdélníková tyč

B. Šířka: vnější šířka tvaru řezu

H. Výška: vnější výška tvaru řezu

y. Horizontální těžiště: vzdálenost od těžiště tvaru řezu k levé mezní oblasti podél horizontální osy

z. Horizontální těžiště: vzdálenost od těžiště tvaru řezu k levé mezní oblasti podél vertikální osy

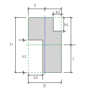
Obdélníkový řez

B. Šířka: vnější šířka tvaru řezu

H. Výška: vnější výška tvaru řezu

h1. Výška horního řezu: Výška horního řezu ve tvaru obdélníkového řezu

b1. Šířka horního řezu: Šířka horního řezu ve tvaru obdélníkového řezu

h2. Výška dolního řezu: Výška horního řezu ve tvaru obdélníkového řezu

b2. Šířka dolního řezu: Šířka horního řezu ve tvaru obdélníkového řezu

y. Horizontální těžiště: vzdálenost od těžiště tvaru řezu k levé mezní oblasti podél horizontální osy

z. Horizontální těžiště: vzdálenost od těžiště tvaru řezu k levé mezní oblasti podél vertikální osy

Kulatá tyč

D. Průměr: vnější průměr kulatého tvaru řezu

y. Horizontální těžiště: vzdálenost od těžiště tvaru řezu k levé mezní oblasti podél horizontální osy

z. Horizontální těžiště: vzdálenost od těžiště tvaru řezu k levé mezní oblasti podél vertikální osy

T profil

B. Šířka: vnější šířka tvaru řezu

H. Výška: vnější výška tvaru řezu

h1. Výška konzoly: Výška příruby konzoly ve tvaru řezu

b1. Délka konzoly: Délka příruby konzoly ve tvaru řezu

y. Horizontální těžiště: vzdálenost od těžiště tvaru řezu k levé mezní oblasti podél horizontální osy

z. Horizontální těžiště: vzdálenost od těžiště tvaru řezu k levé mezní oblasti podél vertikální osy

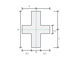
Křížový

B. Šířka: vnější šířka tvaru řezu

H. Výška: vnější výška tvaru řezu

h1. Výška konzoly: Výška příruby konzoly ve tvaru řezu

b1. Délka konzoly: Délka příruby konzoly ve tvaru řezu

y. Horizontální těžiště: vzdálenost od těžiště tvaru řezu k levé mezní oblasti podél horizontální osy

z. Horizontální těžiště: vzdálenost od těžiště tvaru řezu k levé mezní oblasti podél vertikální osy

I profil svařované oceli (prolamovaná a svařovaná ocel)

B. Šířka: vnější šířka tvaru řezu

H. Výška: vnější výška tvaru řezu

T2. Tloušťka vrchní příruby: vzdálenost mezi vnějšími povrchy horní příruby ve tvaru řezu prolamovaného nebo svařovaného prvku

b1. Šířka vrchní příruby: vnější šířka horní příruby ve tvaru řezu prolamovaného nebo svařovaného prvku

T1. Tloušťka spodní příruby: vzdálenost mezi vnějšími povrchy dolní příruby ve tvaru řezu prolamovaného nebo svařovaného prvku

b2. Šířka spodní příruby: vnější šířka dolní příruby ve tvaru řezu prolamovaného nebo svařovaného prvku

t. Tloušťka stojiny: vzdálenost mezi vnějšími povrchy stojiny ve tvaru řezu

h. Výška stojiny: vzdálenost podél stojiny mezi přírubami ve tvaru řezu

y. Horizontální těžiště: vzdálenost od těžiště tvaru řezu k levé mezní oblasti podél horizontální osy

z. Horizontální těžiště: vzdálenost od těžiště tvaru řezu k levé mezní oblasti podél vertikální osy