Za tepla válcovaná ocel – kóty tvarů řezů

Zkontrolujte a upravte hodnoty parametrů kót tvarů řezů prvků rámových konstrukcí, které byly vyrobeny ze za tepla válcované oceli.

Tyto vlastnosti jsou vytvořeny z parametru kategorie rodiny tvarů řezů prvku.

Tvar řezu Dostupné parametry kót tvarů
Standardní trubka

D. Průměr: vnější průměr kulatého tvaru řezu

T. Tloušťka návrhu stěny: tloušťka kolmého návrhu mezi vnitřním a vnějším povrchem tvaru řezu

t. Jmenovitá tloušťka stěny: průměrná kolmá vzdálenost mezi vnitřním a vnějším povrchem tvaru řezu

y. Horizontální těžiště: vzdálenost od těžiště tvaru řezu k levé mezní oblasti podél horizontální osy

z. Horizontální těžiště: vzdálenost od těžiště tvaru řezu k levé mezní oblasti podél vertikální osy

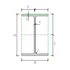
Rovnoběžná příruba ve tvaru I

B. Šířka: vnější šířka tvaru řezu

H. Výška: vnější výška tvaru řezu

T. Tloušťka příruby: vzdálenost mezi vnějšími povrchy příruby ve tvaru řezu

t. Tloušťka stojiny: vzdálenost mezi vnějšími povrchy stojiny ve tvaru řezu

r. Zaoblení stojiny: poloměr zaoblení mezi stojinou a přírubou

y. Horizontální těžiště: vzdálenost od těžiště tvaru řezu k levé mezní oblasti podél horizontální osy

z. Horizontální těžiště: vzdálenost od těžiště tvaru řezu k levé mezní oblasti podél vertikální osy

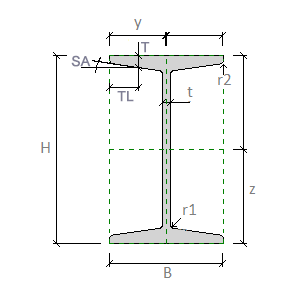
Skloněná příruba ve tvaru I

B. Šířka: vnější šířka tvaru řezu

H. Výška: vnější výška tvaru řezu

T. Tloušťka příruby: vzdálenost mezi vnějšími povrchy příruby ve tvaru řezu

TL.Umístění tloušťky příruby: vzdálenost od konce skloněné příruby k místu, kde se měří tloušťka příruby

SA.Úhel skloněné příruby: úhel mezi rovinou skloněné příruby a horizontální rovinou ve tvaru řezu

t. Tloušťka stojiny: vzdálenost mezi vnějšími povrchy stojiny ve tvaru řezu

r1. Zaoblení stojiny: poloměr zaoblení mezi stojinou a přírubou

r2. Zaoblení příruby: poloměr zaoblení na konci příruby ve tvaru řezu

y. Horizontální těžiště: vzdálenost od těžiště tvaru řezu k levé mezní oblasti podél horizontální osy

z. Horizontální těžiště: vzdálenost od těžiště tvaru řezu k levé mezní oblasti podél vertikální osy

Široká příruba ve tvaru I

B. Šířka: vnější šířka tvaru řezu

H. Výška: vnější výška tvaru řezu

T. Tloušťka příruby: vzdálenost mezi vnějšími povrchy příruby ve tvaru řezu

t. Tloušťka stojiny: vzdálenost mezi vnějšími povrchy stojiny ve tvaru řezu

r. Zaoblení stojiny: poloměr zaoblení mezi stojinou a přírubou

y. Horizontální těžiště: vzdálenost od těžiště tvaru řezu k levé mezní oblasti podél horizontální osy

z. Horizontální těžiště: vzdálenost od těžiště tvaru řezu k levé mezní oblasti podél vertikální osy

C profil, rovnoběžná příruba

B. Šířka: vnější šířka tvaru řezu

H. Výška: vnější výška tvaru řezu

T. Tloušťka příruby: vzdálenost mezi vnějšími povrchy příruby ve tvaru řezu

t. Tloušťka stojiny: vzdálenost mezi vnějšími povrchy stojiny ve tvaru řezu

r. Zaoblení stojiny: poloměr zaoblení mezi stojinou a přírubou

y. Horizontální těžiště: vzdálenost od těžiště tvaru řezu k levé mezní oblasti podél horizontální osy

z. Horizontální těžiště: vzdálenost od těžiště tvaru řezu k levé mezní oblasti podél vertikální osy

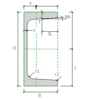
C profil, skloněná příruba

B. Šířka: vnější šířka tvaru řezu

H. Výška: vnější výška tvaru řezu

T. Tloušťka příruby: vzdálenost mezi vnějšími povrchy příruby ve tvaru řezu

TL.Umístění tloušťky příruby: vzdálenost od konce skloněné příruby k místu, kde se měří tloušťka příruby

SA.Úhel skloněné příruby: úhel mezi rovinou skloněné příruby a horizontální rovinou ve tvaru řezu

t. Tloušťka stojiny: vzdálenost mezi vnějšími povrchy stojiny ve tvaru řezu

r1. Zaoblení stojiny: poloměr zaoblení mezi stojinou a přírubou

r2. Zaoblení příruby: poloměr zaoblení na konci příruby ve tvaru řezu

y. Horizontální těžiště: vzdálenost od těžiště tvaru řezu k levé mezní oblasti podél horizontální osy

z. Horizontální těžiště: vzdálenost od těžiště tvaru řezu k levé mezní oblasti podél vertikální osy

Úhel ve tvaru L

B. Šířka: vnější šířka tvaru řezu

H. Výška: vnější výška tvaru řezu

T. Tloušťka příruby: vzdálenost mezi vnějšími povrchy příruby ve tvaru řezu

t. Tloušťka stojiny: vzdálenost mezi vnějšími povrchy stojiny ve tvaru řezu

r1. Zaoblení stojiny: poloměr zaoblení mezi stojinou a přírubou

r2. Zaoblení příruby: poloměr zaoblení na konci příruby ve tvaru řezu

r3.Zaoblení horní části stojiny: poloměr zaoblení v horní části stojiny ve tvaru řezu

y. Horizontální těžiště: vzdálenost od těžiště tvaru řezu k levé mezní oblasti podél horizontální osy

z. Horizontální těžiště: vzdálenost od těžiště tvaru řezu k levé mezní oblasti podél vertikální osy

alpha. Úhel hlavních os: rotační úhel mezi hlavními osami a referenčními rovinami příčných řezů. Tato možnost je uvedena jako parametr rodiny konstrukčních analýz.

Rozdělení ve tvaru I, rovnoběžná příruba

B. Šířka: vnější šířka tvaru řezu

H. Výška: vnější výška tvaru řezu

T. Tloušťka příruby: vzdálenost mezi vnějšími povrchy příruby ve tvaru řezu

t. Tloušťka stojiny: vzdálenost mezi vnějšími povrchy stojiny ve tvaru řezu

r. Zaoblení stojiny: poloměr zaoblení mezi stojinou a přírubou

y. Horizontální těžiště: vzdálenost od těžiště tvaru řezu k levé mezní oblasti podél horizontální osy

z. Horizontální těžiště: vzdálenost od těžiště tvaru řezu k levé mezní oblasti podél vertikální osy

Rozdělení ve tvaru I, skloněná příruba

B. Šířka: vnější šířka tvaru řezu

H. Výška: vnější výška tvaru řezu

T. Tloušťka příruby: vzdálenost mezi vnějšími povrchy příruby ve tvaru řezu

TL.Umístění tloušťky příruby: vzdálenost od konce skloněné příruby k místu, kde se měří tloušťka příruby

SA.Úhel skloněné příruby: úhel mezi rovinou skloněné příruby a horizontální rovinou ve tvaru řezu

t. Tloušťka stojiny: vzdálenost mezi vnějšími povrchy stojiny ve tvaru řezu

r1. Zaoblení stojiny: poloměr zaoblení mezi stojinou a přírubou

r2. Zaoblení příruby: poloměr zaoblení na konci příruby ve tvaru řezu

y. Horizontální těžiště: vzdálenost od těžiště tvaru řezu k levé mezní oblasti podél horizontální osy

z. Horizontální těžiště: vzdálenost od těžiště tvaru řezu k levé mezní oblasti podél vertikální osy

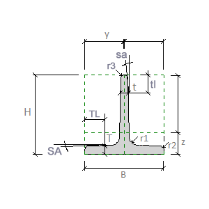
Konstrukční spoje T

B. Šířka: vnější šířka tvaru řezu

H. Výška: vnější výška tvaru řezu

TL.Umístění tloušťky příruby: vzdálenost od konce skloněné příruby k místu, kde se měří tloušťka příruby

SA.Úhel skloněné příruby: úhel mezi rovinou skloněné příruby a horizontální rovinou ve tvaru řezu

t. Tloušťka stojiny: vzdálenost mezi vnějšími povrchy stojiny ve tvaru řezu

tl.Umístění tloušťky stojiny: vzdálenost od konce skloněné stojiny k místu, kde se měří tloušťka stojiny

sa.Úhel skloněné stojiny: úhel mezi rovinou skloněné stojiny a vertikální rovinou ve tvaru řezu

r1. Zaoblení stojiny: poloměr zaoblení mezi stojinou a přírubou

r2. Zaoblení příruby: poloměr zaoblení na konci příruby ve tvaru řezu

r3.Zaoblení horní části stojiny: poloměr zaoblení v horní části stojiny ve tvaru řezu

y. Horizontální těžiště: vzdálenost od těžiště tvaru řezu k levé mezní oblasti podél horizontální osy

z. Horizontální těžiště: vzdálenost od těžiště tvaru řezu k levé mezní oblasti podél vertikální osy