Bemaßung-Symbolleiste

Diese Symbolleiste wird verwendet, um Attribute von Abmessungen zu ändern.

Wenn Sie ein Attribut einer vollständigen Abmessung entweder im Erstellungs- oder Auswahlmodus ändern, werden nur die Attribute dieser Abmessung verändert.

Wenn Sie ein Attribut ändern, während Sie eine Abmessung erstellen, wird das Attribut fixiert und dazu verwendet, alle zukünftigen Abmessungen in der aktuellen Erstellungssitzung zu erstellen.

Attribute von Abmessungen, die mithilfe der Bemaßung-Symbolleiste verändert wurden, überschreiben zukünftige Änderungen, die mithilfe des Optionen-Dialogs durchgeführt werden. Wenn Sie ein Attribut in der Bemaßung-Symbolleiste ändern, wird dieses an der Bemaßung fixiert. Wenn Sie also jetzt das Element im Optionen-Dialog ändern, wird das Element nicht für die bearbeitete Abmessung geändert.

Jedes Element in der Symbolleiste wird unten beschrieben:

- Schriftart, die im Text verwendet wird.

Höhe - Ändert die Höhe des Texts.

- Wählen Sie diese Schaltfläche aus, um den Text kursiv abzubilden. Außerdem können Sie Strg+I drücken, um kursive Schriftart zu aktivieren oder deaktivieren.

- Wählen Sie diese Schaltfläche ab, um die erste Maßhilfslinie von der Bemaßung zu entfernen:

- Wählen Sie diese Schaltfläche ab, um die zweite Maßhilfslinie von der Bemaßung zu entfernen:

- Begrenzt die Maßlinie bis zur Position des Bemaßungstexts. Dies kann eingesetzt werden, wenn das Ende der Maßlinie eindeutig ist, zum Beispiel bei Basispunkt- und Kettenbemaßungen. Das Trimmen von Maßinien ist nur für lineare Abmessungen möglich.

Maßlinie an Text begrenzen abgewählt - Die Maßlinie wird nicht getrimmt.

Maßlinie an Text begrenzen ausgewählt. Die Maßlinie wird bis zum Bemaßungstext getrimmt.

- Bettet den Text in der Maßlinie ein.

- Dies ändert den gesamten Text, sodass dieser horizontal zur Hauptebene positioniert wird.

Nehmen wir an, dass Abmessungen wie unten gezeigt angewinkelt werden:

Wenn der Text dann horizontal angezeigt wird, sehen die Abmessungen folgendermaßen aus:

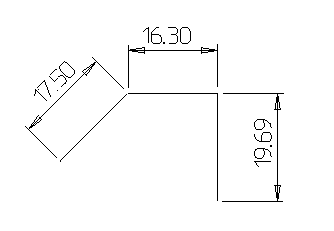
- Wählen Sie diese Schaltfläche aus, um die wahren Messungen für lineare Abmessungen anzuzeigen. Wählen Sie diese Schaltfläche ab, um die projizierte lineare Abmessung anzuzeigen.

Projizierte Abmessung

Wahre Abmessung

Eine lineare Abmessung misst die Länge einer Linie oder den Abstand zwischen zwei Punkten.

- Wählen Sie diese Schaltfläche aus, um das Durchmessersymbol vor dem Symbol der Abmessung anzuzeigen. Falls es sich bei der Abmessung um den Radius eines Bogens handelt, ändert sich dieser Wert zu dessen Durchmesser.

- Verwenden Sie diese Schaltfläche, um zwischen geraden und abgeknickten Maßlinien bei Radial- und Ordinatenbemaßungen zu wechseln:

- Wählen Sie eine Option aus der Liste aus, um die Anzahl von Dezimalstellen oder den Nenner des Bruchanteils des Abmessungswerts festzulegen.

Skalieren - Skaliert den Wert der Abmessung. Sie können in Ihrem Modell Objekte mithilfe einer anderen Skalierung erstellen. Um Abmessungen des 'wahren' Werts zu erstellen, geben Sie den Wert der Skalierung in das Skalieren-Feld ein.

Die Abmessung der folgenden Linie besitzt den Wert 60 und die Skalierung 1:

Wenn wir die Skalierung zu 3 ändern, wird der Wert zu 20:

Wenn Sie den Skalierungsfaktor ändern, wird eine Warnung angezeigt.

- Setzt die Attribute auf die Einstellungen auf den Abmessungen-Seiten des Optionen-Dialogs zurück.

- Basispunkt-, Ketten- und Ordinatenbemaßungen erneut erstellen.

Sie können die erneute Erstellung von Basispunkt-, Ketten- und Ordinatenbemaßungen beginnen, ohne den Ursprung oder die Textposition erneut eingeben zu müssen.

  1. Wählen Sie die Bemaßung aus .

    Wenn Sie eine Reihe von Basispunkt- oder Kettenbemaßungen erneut beginnen, wählen Sie die letzte Abmessung aus:

  2. Wählen Sie die Mehrfachteil-Bemaßung neu beginnen-Schaltfläche aus.
  3. Klicken Sie auf Positionen auf dem Bildschirm, um mit dem Erstellen neuer Bemaßungen fortzufahren :

    Eine neue Abmessung wird hinzugefügt:

    Bei Ordinatenbemaßungen können Sie außerdem Positionen zwischen Bemaßungen eingeben :

    Eine neue Abmessung wird zwischen den bereits bestehenden Abmessungen hinzugefügt:

- Zeigt die Maßtext-Registerkarte des Maß-Dialogs an.

- Zeigt die Toleranz-Registerkarte des Maß-Dialogs an.

- Zeigt die Linienart-Registerkarte des Maß-Dialogs an.

- Zeigt die Markierung-Registerkarte des Maß-Dialogs an.