Informazioni sul formato grafico dei riferimenti incrociati

Quando si utilizza il formato grafico dei riferimenti incrociati, l'immagine di anteprima cambia per mostrare l'aspetto del riferimento incrociato nel disegno.

Formato font grafico

Visualizza il formato dei riferimenti incrociati utilizzando il font grafico JIC o IEC. L'impostazione viene applicata al font grafico, indipendentemente dalla modalità di contrassegno assegnata nelle proprietà del progetto e viene selezionata nelle proprietà del disegno se nel componente inserito non sono specificate sostituzioni dei riferimenti incrociati.

JIC

IEC

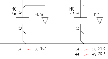
Nell'esempio che segue il riferimento incrociato viene visualizzato accanto al simbolo nel formato font grafico mentre i derivati inutilizzati (contatti) vengono visualizzati come riferimenti separati. Il valore Completa riferimento con è "SP".

JIC

IEC

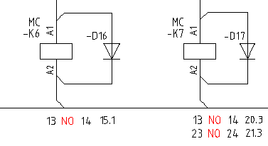
Formato mappatura contatti

Visualizza il formato del riferimento incrociato utilizzando valori di tipo riferimento incrociato (NO, NC, NONC).

JIC

IEC