Procedimiento para trabajar con conectores generados paramétricamente

Insertar conectores

  1. Haga clic en la ficha Esquemagrupo Insertar componenteselemento desplegable Insertar conectorInsertar conector. Buscar
  2. En el cuadro de diálogo Insertar conector, especifique el espaciado y el número de polos.

    (Opcional) Para obtener el número de polos, haga clic en Designar y dibuje una inserción automática que muestre la longitud del conector deseado.

  3. Especifique si va a generar el conector mediante un espaciado de polo fijo, o si lo va a comprimir o a expandir para hacer coincidir los polos con las intersecciones de cables subyacentes.
  4. Especifique si va a insertar todo el conector de una sola vez o si va a hacerlo manualmente, polo por polo, con una opción para insertar espaciadores o para cortar el conector en dos o más partes.
  5. Haga clic en los botones Girar o Cambiar para cambiar la visualización del símbolo del conector.

    La imagen de la vista preliminar se actualiza para reflejar los cambios realizados en las opciones de visualización del conector.

  6. (Opcional) Haga clic en Detalles para obtener más opciones para definir los parámetros de tamaño, forma y visualización de los símbolos de conector generados paramétricamente.
  7. Haga clic en Insertar.

    Se muestra un contorno de vista preliminar del conector de la inserción en el dibujo. Muestra esquinas redondeadas en el lado de la clavija del conector. Una "x" indica el punto de inserción del conector y la flecha indica la dirección de las conexiones de cables del lado de la clavija.

  8. Especifique el punto de inserción en el dibujo o introduzca Z (zoom), E (encuadre), X, V o Tab en la solicitud de comandos para cambiar la orientación del conector antes de la inserción.

    Si ha seleccionado la opción de permitir espaciadores/cortes, en el cuadro de diálogo Cortes/espacios de polos personalizados, haga clic en Partir símbolo ahora para partir el conector y para que aparezca el cuadro de diálogo Diseño del conector a fin de definir el modo en que desea que se inserten el resto de los polos en el dibujo.

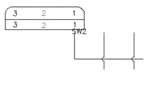
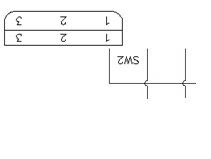
Girar conectores

  1. Haga clic en la ficha Esquemagrupo Editar componenteselemento desplegable Modificar conectoresGirar conector. Buscar
  2. Especifique si desea mantener la orientación de atributo actual.

    Si selecciona Sí (por defecto), la orientación del texto de atributo no girará a medida que lo hace el conector.

  3. Seleccione el conector que desea girar.

    El conector gira automáticamente 90 grados.

  4. Siga haciendo clic en el conector hasta que alcance la posición correcta.
  5. Pulse Intro o Esc para salir del comando.

Ejemplo: Retener orientación de atributos=sí

Original

Primera rotación

Segunda rotación

Tercera rotación

Ejemplo: Retener orientación de atributos=no

Original

Primera rotación

Segunda rotación

Tercera rotación

Invertir conectores

  1. Haga clic en la ficha Esquemagrupo Editar componenteselemento desplegable Modificar conectoresInvertir conector. Buscar
  2. Seleccione el conector que desea invertir.

    El conector se invierte automáticamente en función de su orientación original.

    Nota: Para un conector de base sencilla sin esquinas redondas, el aspecto de los gráficos no cambia, pero los atributos de conexión de cables se desplazan al otro extremo del conector.
  3. Pulse Intro o Esc para salir del comando.

Estirar conectores

  1. Haga clic en la ficha Esquemagrupo Editar componenteselemento desplegable Modificar conectoresEstirar conector. Buscar
  2. Especifique el extremo del conector que desea estirar.
  3. Especifique dónde desea que finalice el conector (segundo punto de desplazamiento). Arrastre el ratón a la posición adecuada o introduzca las coordenadas.
    Nota: Para cambiar la visibilidad de los atributos del conector, pulse la tecla tabulador durante el estiramiento. Consulte la sección Consejos y sugerencias a continuación para obtener más información.
  4. Pulse Intro o Esc para salir del comando.

Consejos y sugerencias

  • La opción Estirar conector no admite la selección de ventana.
  • Active Forzcursor.
  • El estiramiento comienza al final del conector. No existe ningún punto inicial de desplazamiento.
  • Si el extremo del conector estirado sobrepasa la parte superior del atributo de ID de etiqueta del conector (nombre de atributo TAG1 o TAG2), dicho atributo junto con los atributos INST, LOC, DESC1, DESC2 y DESC3 se volverán a posicionar con el estiramiento. Al pulsar la tecla tabulador durante el estiramiento, cambia la visibilidad de estos atributos. Si se activa, los atributos se muestran como gráficos temporales que se desplazan con el cursor de estiramiento. Si se desactiva, los gráficos temporales no estarán visibles.
  • Evite estirar al máximo un extremo del conector hacia el otro extremo.

Dividir conectores

  1. Haga clic en la ficha Esquemagrupo Editar componenteselemento desplegable Modificar conectoresDividir conector. Buscar
  2. Seleccione el bloque de conector que desea dividir.
  3. Especifique el punto de división (es decir, designe un punto entre dos conjuntos de polos).
  4. (Opcional) Defina el punto de origen del bloque nuevo. El valor por defecto se predefine para situarse en la misma línea que el primer conjunto de polos de la pieza dividida. Si no desea aceptar el valor por defecto, puede introducir las coordenadas o hacer clic en Designar punto y, a continuación, seleccionar el punto de origen en el dibujo.
  5. (Opcional) Establezca el tipo de corte: sin líneas, líneas rectas, líneas irregulares o dibujarlo. La opción por defecto es líneas irregulares.
  6. (Opcional) Seleccione cambiar de posición el bloque secundario para desplazarlo como parte de este comando.
  7. Haga clic en Aceptar.
  8. Para cambiar la posición del bloque secundario, seleccione el punto en la pantalla donde desee colocarlo.
  9. Pulse Intro o Esc para salir del comando.

Añadir polos a un conector

  1. Haga clic en la ficha Esquemagrupo Editar componenteselemento desplegable Modificar conectoresAñadir polos de conectores. Buscar
  2. Seleccione el conector.
  3. Especifique dónde va a insertar el siguiente número de polo disponible (que se muestra en la línea de comando) o pulse R + espacio para definir manualmente el nuevo número de polo inicial.

    La siguiente numeración de polo disponible se basa en los polos existentes y en una lista de polos opcionales asociada al conector seleccionado. Los valores de PINLIST definidos en el símbolo principal se consultan en la base de datos del proyecto para determinar el siguiente número de polo disponible en el componente del conector. De este modo, se revisa todo el proyecto para buscar los números de polos utilizados tanto en los símbolos principales como secundarios del conector. Si un valor de PINLIST no está definido, se utiliza el siguiente número de polo secuencial disponible (en función de los polos existentes). Las asignaciones de polos pueden ser números, letras o combinaciones de ambos.

  4. Pulse Intro o Esc para salir del comando.

Consejos y sugerencias

  • Active Forzcursor.
  • Se pueden añadir polos dentro de la funda o más allá de cualquiera de los dos extremos de la funda del conector.
  • Los polos se insertan a lo largo del eje de la línea central del conector, incluso si el punto de designación está lejos de uno de los extremos del conector.
  • Los conectores se pueden estirar posteriormente para alojar nuevos polos añadidos fuera de cualquiera de los dos extremos del conector.
  • Se pueden añadir polos entre los polos originales; a continuación, se pueden mover o desplazar rápidamente para proporcionar espaciado.
  • Los polos se pueden alinear con un polo de otro conector. Tras seleccionar la herramienta Añadir polos de conectores, seleccione el conector que desee añadir al polo, pulse Mayús y el botón derecho del ratón para mostrar las opciones de referencia a objetos, seleccione Insertar y haga clic en el polo con el que desea alinear el nuevo polo. El nuevo polo se insertará en el componente seleccionado y se alineará con el polo del otro conector.

Suprimir polos de conectores

  1. Haga clic en la ficha Esquemagrupo Editar componenteselemento desplegable Modificar conectoresSuprimir polos de conectores. Buscar
  2. Designe los polos que desee eliminar de los conectores.

    El atributo de número de polo desaparecerá del bloque del conector. Este atributo, junto con la conexión de cables y los atributos de descripción asociados, no se eliminará inmediatamente del conector. Se renombrarán para que puedan omitirse de forma eficaz. Si el conector se estira o divide posteriormente, estos atributos de polo suprimidos se limpian del ejemplar de bloque del conector.

  3. Pulse Intro o Esc para salir del comando.
Nota: Al suprimir un polo que tiene un cable conectado, no se elimina dicho cable. En tal caso, el cable dejará de estar conectado al conector. Aparecerá como un cable sin conectar en el extremo del conector.

Intercambiar números de polo

  1. Haga clic en la ficha Esquemagrupo Editar componenteselemento desplegable Modificar conectoresIntercambiar polos de conectores. Buscar
  2. Seleccione el polo de conector que desea intercambiar.

    Se trazarán gráficos temporales alrededor del número de polo seleccionado para indicar que éste se ha incluido en la lista de intercambios.

  3. Seleccione el polo que desea intercambiar con el polo seleccionado.

    Los polos de conector se intercambiarán entre ambas selecciones.

  4. Seleccione otro conjunto de polos que desee intercambiar o pulse Intro o Esc para salir del comando.

Desplazar polos

  1. Haga clic en la ficha Esquemagrupo Editar componenteselemento desplegable Modificar conectoresDesplazar polos de conectores. Buscar
  2. Seleccione el polo de conector que desea desplazar.
  3. Especifique la nueva posición del polo.

    El polo se vuelve a posicionar a lo largo del eje de la línea central del conector, aunque el punto de designación esté lejos de uno de los lados del conector. También puede especificar una posición más alejada de cualquiera de los extremos de la funda del conector actual y, a continuación, utilizar la herramienta Estirar conector para ampliar la funda con el fin de alojar estos polos.

  4. Pulse Intro o Esc para salir del comando.

Editar números de polos de conector

  1. Haga clic en la ficha Esquemagrupo Editar componenteselemento desplegable Editar componentesEditar. Buscar
  2. Seleccione el conector.
  3. En el cuadro de diálogo Insertar/editar componente, sección Patillas, haga clic en Lista.
  4. En el cuadro de diálogo Números de polos de conector en uso, seleccione un par de polos que desee modificar.
  5. En la sección Número de polo, introduzca un nuevo número de polo en los cuadros de edición o haga clic en las flechas para aumentar o disminuir en uno los valores de clavija y base.
  6. (Opcional) Introduzca una descripción para la borna de clavija o base.
  7. Haga clic en Aceptar.