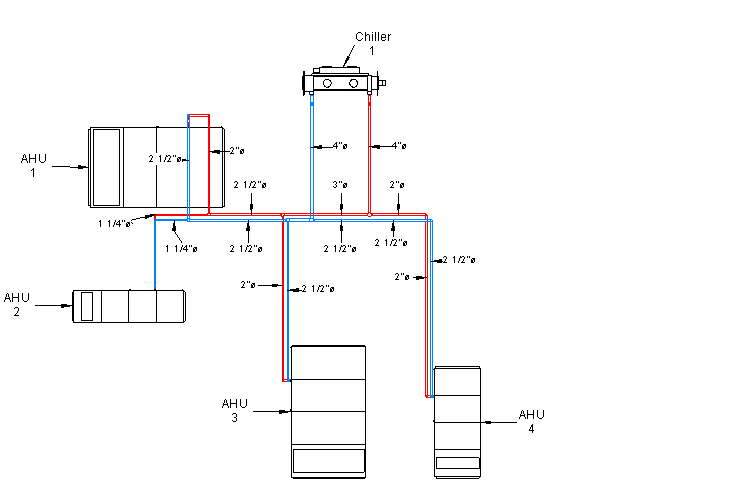
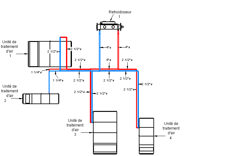
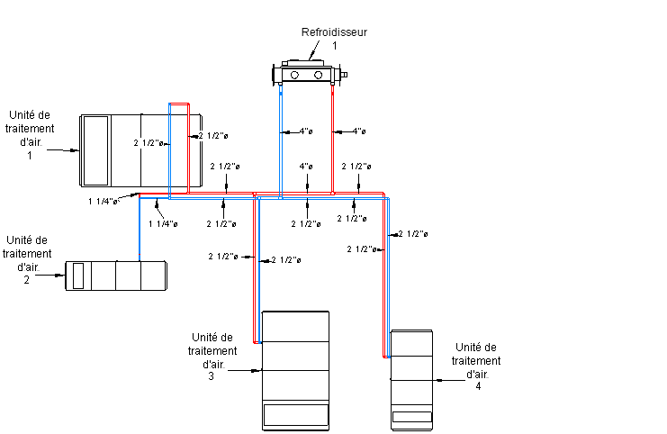
Exemples de dimensionnement de systèmes hydrauliques

Les images suivantes montrent les résultats des diverses méthodes de dimensionnement de canalisation hydraulique.

Frottement uniquement

Avant dimensionnement

Après dimensionnement

Vitesse uniquement

Avant dimensionnement

Après dimensionnement

Frottement et vitesse

Avant dimensionnement

Après dimensionnement

Plus grand que le connecteur ou le calcul

Avant dimensionnement

Après dimensionnement

Faire correspondre le connecteur à la taille de la canalisation

Avant dimensionnement

Après dimensionnement