Esercizio B4: modifica di una parte tramite i comandi REM

Questo esercizio mostra come utilizzare i comandi REM per modificare un'immagine raster.

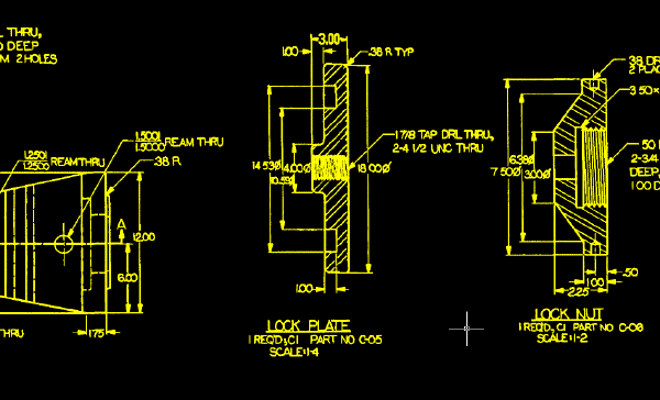
Verrà modificata una piastra di bloccaggio che fa parte di una guida di perforazione, aumentando lo spessore del piano posteriore della piastra di bloccaggio e aggiornando il testo di quota per riflettere la modifica dello spessore.

Esercizi correlati

Prima di svolgere questo esercizio, è necessario accertarsi che le opzioni del AutoCAD Raster Design toolset siano impostate come descritto nell’esercizio Esercizio A1: impostazione delle opzioni del AutoCAD Raster Design Toolset.

Esercizio

  1. Nella cartella ..\Program Files\Autodesk\ApplicationPlugins\RasterDesign2024.Bundle\Contents\Tutorials\Tutorial3, aprire il file di disegno REM_05.dwg.
  2. Sulla barra multifunzione, fare clic su scheda Vista gruppo Viste con nome Gestione viste . Espandere quindi il nodo Viste modello e selezionare la vista denominata TU_lock_plate, fare clic su Imposta corrente e fare clic su OK.

    Dividere la piastra di bloccaggio in due parti

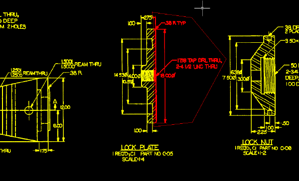
  3. Sulla barra multifunzione, fare clic su scheda Strumenti raster gruppo REM menu a discesa Crea regione Regione poligonale .
  4. Disegnare un poligono con una linea verticale che divide a metà l'area più sottile della piastra di bloccaggio e che include il testo di quota a destra della parte. Premere INVIO.
  5. Immettere s (SPOSTA) per spostare l'oggetto REM esattamente di 0,25 pollici verso destra. Per eseguire questa operazione, utilizzare l'opzione Spostamento e specificare un valore di 0.25,0,0.

    Questa operazione crea una distanza nell'immagine raster. È necessario unire l'oggetto regione all'immagine prima di poter apportare altre modifiche alla parte.

  6. Selezionare l'oggetto regione, fare clic con il pulsante destro del mouse e scegliere Unisci a immagine raster dal menu di scelta rapida.

    Chiudere la linea orizzontale superiore

  7. Sulla barra multifunzione, fare clic su scheda Vista gruppo Viste con nome Gestione viste . Espandere quindi il nodo Viste modello e selezionare la vista denominata TU_2.75, fare clic su Imposta corrente e fare clic su OK.
  8. Sulla barra multifunzione, fare clic su scheda Strumenti raster gruppo REM menu a discesa Crea primitiva Linea . Selezionare la linea orizzontale nella parte superiore della piastra di bloccaggio.

    La linea diventa un oggetto primitivo.

  9. Selezionare l'oggetto primitivo, selezionarne il grip destro e stirare la linea per chiudere la distanza di 0,25 pollici.
  10. Selezionare l'oggetto primitivo, fare clic con il pulsante destro del mouse e scegliere Unisci a immagine raster.

    Chiudere la linea orizzontale inferiore

  11. Sulla barra multifunzione, fare clic su scheda Vista gruppo Viste con nome Gestione viste . Espandere quindi il nodo Viste modello e selezionare la vista denominata TU_bottom, fare clic su Imposta corrente e fare clic su OK.
  12. Sulla barra multifunzione, fare clic su scheda Strumenti raster gruppo REM menu a discesa Crea primitiva Linea . Selezionare la linea orizzontale nella parte inferiore della piastra di bloccaggio.

    La linea diventa un oggetto primitivo.

  13. Selezionare l'oggetto primitivo, selezionarne il grip destro e stirare la linea per chiudere la distanza di 0,25 pollici.
  14. Selezionare l'oggetto primitivo, fare clic con il pulsante destro del mouse e scegliere Unisci a immagine raster.

    Chiudere le linee della filettatura

  15. Sulla barra multifunzione, fare clic su scheda Vista gruppo Viste con nome Gestione viste . Espandere quindi il nodo Viste modello e selezionare la vista denominata TU_thread, fare clic su Imposta corrente e fare clic su OK.
  16. Sulla barra multifunzione, fare clic su scheda Strumenti raster gruppo REM menu a discesa Crea regione Regione rettangolare .
  17. Disegnare un rettangolo sottile intorno ad alcune linee della filettatura.

    È possibile quindi copiare l'oggetto per chiudere la distanza nelle linee della filettatura.

  18. Utilizzare COPIA per copiare l'oggetto regione.
  19. Inserire la copia dell'oggetto regione in modo che chiuda la distanza nelle linee della filettatura.
  20. Selezionare la copia dell'oggetto regione, fare clic con il pulsante destro del mouse e scegliere Unisci a immagine raster.
  21. Fare clic con il pulsante destro del mouse e scegliere REM Deseleziona tutto dal menu di scelta rapida.

    Sostituire il testo di quota

    A questo punto il testo di quota verrà modificato da 2,75 a 3,00, ad indicare il nuovo spessore della piastra di bloccaggio.

  22. Sulla barra multifunzione, fare clic su scheda Vista gruppo Viste con nome Gestione viste . Espandere quindi il nodo Viste modello e selezionare la vista denominata TU_2.75, fare clic su Imposta corrente e fare clic su OK.
  23. Utilizzare il Gestore proprietà layer per impostare TU_image_new come layer corrente.
  24. Sulla barra multifunzione, fare clic su scheda Strumenti raster gruppo Vettorizza e riconosci testo menu a discesa Testo Testo . Selezionare un punto alla base del numero 2 a sinistra.

    I puntatori a croce identificano l'area in cui selezionare un punto per inserire il nuovo testo di quota.

  25. Nella finestra di dialogo Modifica Vtesto, immettere 3.00 e fare clic su OK.

    Nel AutoCAD Raster Design toolsetviene inserito il nuovo testo di quota nel punto selezionato. Notare che nella riga di comando viene visualizzata l'opzione Finestra avanzata per la rimozione del testo raster. Nella prossima procedura si rimuoverà il testo raster 2.75 utilizzando questo metodo.

  26. Disegnare una finestra intorno al testo di quota precedente. L'eventuale inclusione di una parte delle punte di freccia non rappresenta un problema. Vengono infatti escluse dal metodo di selezione avanzata. Notare che il testo da rimuovere è evidenziato. Premere INVIO per rimuovere il testo selezionato, quindi premerlo una seconda volta per completare il comando.
  27. Selezionare il testo vettoriale, fare clic col pulsante destro del mouse, selezionare Proprietà e impostare il fattore di larghezza del testo su 0.8.
  28. Centrare il testo di quota tra le frecce direttrici se necessario.
  29. Per aprire la finestra di dialogo Impostazioni della penna raster, sulla barra multifunzione, fare clic su scheda Strumenti raster gruppo (espanso) Modifica Penne raster .
  30. Selezionare Giallo, impostare le unità su AutoCAD e fare clic su Seleziona.
  31. Selezionare due punti che rappresentano lo spessore della linea di quota verticale.

    L'esempio seguente mostra come selezionare i due punti che determinano lo spessore della penna raster per il nuovo testo di quota. Quando si crea testo raster a partire dal testo di quota vettore, lo spessore del testo deve essere tale da corrispondere a quello del disegno al tratto nell'immagine.

  32. Verificare che Spessore penna sia impostato su un valore prossimo a 0.10, quindi fare clic su OK.
  33. Selezionare il testo vettoriale, fare clic con il pulsante destro del mouse e scegliere Unisci vettore a immagine raster.
  34. Immettere s (sì) per eliminare il testo vettoriale dopo l'unione.

    L'esempio seguente mostra l'aspetto dell'immagine dopo la sostituzione del testo di quota precedente con il nuovo testo raster creato dal testo di quota vettore.

    Esaminare le modifiche apportate alla piastra di bloccaggio

  35. Sulla barra multifunzione, fare clic su scheda Vista gruppo Viste con nome Gestione viste . Espandere quindi il nodo Viste modello e selezionare la vista denominata TU_lock_plate, fare clic su Imposta corrente e fare clic su OK.
  36. Esaminare le modifiche apportate alla parte e alle rispettive quote.

    Questo esempio mostra l'aspetto della piastra di bloccaggio e del relativo testo di quota dopo l'aggiornamento.

  37. Chiudere il disegno senza salvare le modifiche.