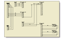
![]() ポイント トゥ ポイント スタイルの回路図 |
![]() ラダー スタイルの回路図 |
コネクタに明示的に関連付けられたツールに加えて、AutoCAD Electrical ツールセット のその他のツールもポイント トゥ ポイント配線の編集に利用できます。
|
ピン番号の編集 |
パラメトリックに生成されたコネクタ上でピンの割り当てを編集するには、[コンポーネントを編集]ツールを使用します。 |
|
コネクタの連結を表す破線 |
親と分離された子のパラメトリック コネクタ シンボル間に連結を表す破線を挿入するには、[コンポーネントを連結](破線)ツールを使用します。 |
|
コネクタをスクート |
[スクート]ツールを使用して、接続されている配線と同じ方向でパラメトリック コネクタを再配置します。 |
|
配線をスクート |
[スクート]ツールを使用して、コネクタ上のピンに接続された配線を移動します。コネクタ シェル全体は固定されたまま、配線をコネクタピンと共にスクートします。 |
|
配線挿入 |
単一の配線接続を経路指定するには、[配線挿入]ツールを使用します。1 つのツールで複数の配線を挿入して経路指定するには、[複数の母線]ツールの[コンポーネント]モードを使用します。 注:
配線接続点に接続できる配線は 3 つまでです。1 つの接続点に 4 つ以上の配線を結合すると、角度付き配線接続を配線接続点に一意的に結合することができません。 |