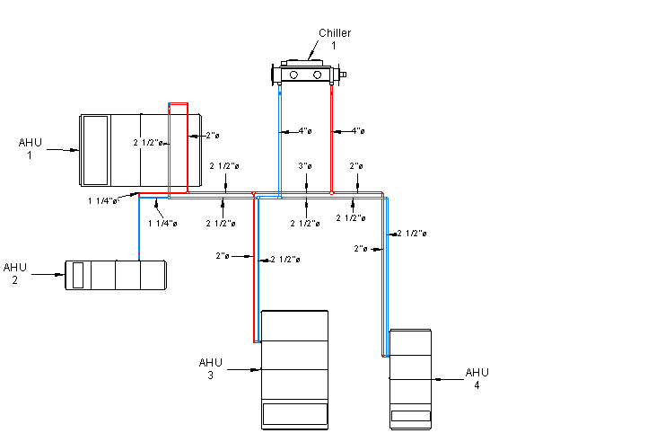
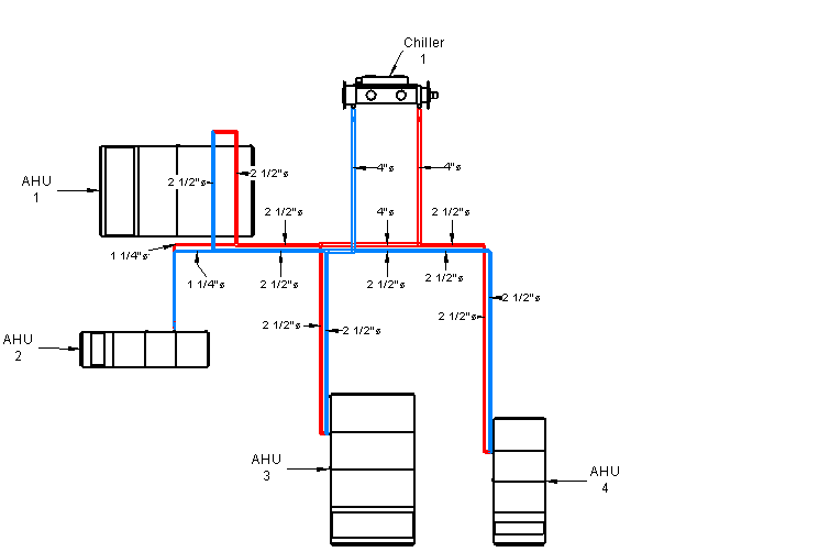
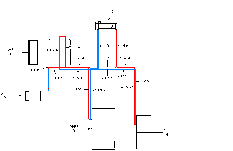
Następujące obrazy pokazują wyniki różnych metod wymiarowania systemu wodociągowego.

Przed rozpoczęciem wymiarowania

Po zakończeniu wymiarowania

Przed rozpoczęciem wymiarowania

Po zakończeniu wymiarowania

Przed rozpoczęciem wymiarowania

Po zakończeniu wymiarowania

Przed rozpoczęciem wymiarowania

Po zakończeniu wymiarowania

Przed rozpoczęciem wymiarowania

Po zakończeniu wymiarowania