Barra de ferramentas Dimensão

Esta barra de ferramentas é utilizada para editar atributos de dimensões.

Se você editar um atributo de uma dimensão completada enquanto no modo de criação ou seleção, somente o atributo daquela dimensão será modificado.

Se você editar um atributo durante a criação de uma dimensão, o atributo torna-se fixo e é utilizado para criar todas as dimensões futuras na atual sessão de criação.

Atributos de dimensão modificados utilizando a barra de ferramentas Dimensão têm prioridade sobre futuras alterações realizadas utilizando o diálogo Opções. Se você editar qualquer atributo na barra de ferramenta Dimensão, este permanece fixo para a dimensão. Então, se você agora modificar esse item no diálogo Opções, isso não modifica o item para a dimensão editada.

Cada item na barra de ferramentas é discutido abaixo:

— Fonte utilizada no texto.

Altura — Edita a altura do texto.

— Selecione esse botão para aplicar itálico ao texto. Você também pode pressionar Ctrl + I para ativar e desativar itálicos.

— Desfaça a seleção do botão para remover a primeira linha auxiliar da dimensão:

— Desfaça a seleção do botão para remover a segunda linha auxiliar da dimensão:

— Trima a linha de chamada para a posição da anotação da dimensão. Isso pode ser utilizado quando a extremidade da linha de chamada é óbvia, por exemplo, em dimensões por ponto de referência e cadeia. Trimagem de linhas de chamada somente é possível para dimensões lineares.

Trimar chamada por texto não selecionado — A linha de chamada não é trimada.

Trimar chamada por texto selecionado. A linha de chamada é trimada pela anotação da dimensão.

— Encaixa o texto na linha de chamada:

— Posiciona o texto horizontalmente com relação ao plano principal.

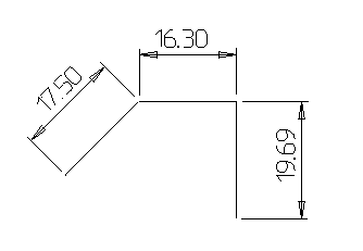
Suponha que dimensões estejam inclinadas como mostrado abaixo:

Quando o texto é alterado para horizontal, as dimensões se parecem com isso:

— Selecione esse botão para exibir as medições reais para dimensões lineares. Desfaça a seleção do botão para exibição da dimensão linear projetada.

Dimensão projetada

Dimensão real

Uma dimensão linear mede o comprimento de uma linha ou a distância entre dois pontos.

— Selecione esse botão para exibir um símbolo de diâmetro antes do valor da dimensão. Se a dimensão for o raio de um arco, então o valor muda para seu diâmetro.

— Use esse botão para alternar as linhas de chamada de dimensões radiais e ordenadas de linha reta para desvio paralelo.

— Selecione uma opção na lista para definir o número de casas decimais ou o denominador da parte fracionária do valor da dimensão.

Escala — Escala o valor da dimensão. Em seu modelo, você pode criar objetos utilizando uma escala diferente. Para criar dimensões dos valores 'reais', você pode inserir o valor da escala na caixa Escala.

A dimensão da seguinte linha tem valor 60 e escala 1:

Se modificarmos a Escala para 3, o valor da dimensão torna-se 20:

Quando você altera o fator de escala, um aviso é exibido.

— Restaura os atributos para as configurações na página Dimensão do diálogo Opções.

— Reinicia a criação de dimensões por ponto de referência, cadeia e ordenada.

Você pode reiniciar as dimensões por ponto de referência, cadeia e ordenada sem inserir a origem ou a posição do texto novamente.

  1. Selecione a cota .

    Se você estiver reiniciando um conjunto de dimensões por ponto de referência, selecione o último:

  2. Selecione o botão Reiniciar dimensão multi-item .
  3. Clique em posições na tela para continuar criando novas cotas :

    Uma nova dimensão é adicionada:

    Com dimensões ordenadas, você também pode inserir posições entre dimensões :

    Uma nova dimensão é adicionada entre as dimensões existentes:

— Exibe a guia Anotação do diálogo Dimensão.

— Exibe a guia Tolerância do diálogo Dimensão.

— Exibe a guia Estilo do diálogo Dimensão.

— Exibe a guia Marca do diálogo Dimensão.