Esaminare i controlli di base di AutoCAD for Mac.
Dopo aver avviato AutoCAD, nella scheda Inizio, fare clic su Nuovo o sul menu a discesa Nuovo per iniziare un nuovo disegno.

Il nuovo disegno, Drawing1, inizia da una nuova scheda appena sopra l'area di disegno. È possibile fare clic sulle schede per passare tra i diversi file di disegno aperti. Fare clic sul segno più per iniziare un nuovo disegno utilizzando il modello di default.

Proseguire e provare ad iniziare e aprire i disegni, quindi passare da una scheda ad un'altra. È inoltre possibile trascinare le schede dei disegni per riordinarle.
AutoCAD include un insieme di strumenti a sinistra dell'area di disegno. Dalla scheda Disegno è possibile accedere a quasi tutti i comandi presentati in questa guida. Inoltre, la barra degli strumenti sopra l'area di disegno include i comandi utilizzati con maggiore frequenza, ad esempio Nuovo, Apri, Salva, Stampa, Annulla e così via.

Uno degli elementi più importanti di AutoCAD è costituito dalla finestra dei comandi, ancorata nella parte inferiore dell'area di disegno. Nella finestra di comando vengono visualizzati i messaggi di richiesta, le opzioni e i messaggi.

È possibile immettere i comandi direttamente nella finestra di comando, anziché utilizzare gli insiemi di strumenti, le barre degli strumenti e i menu.
Tenere presente che, quando si inizia a digitare un comando, questo viene completato automaticamente. Quando sono disponibili diverse alternative, come nell'esempio riportato di seguito, per scegliere un comando è possibile fare clic su di esso o utilizzare i tasti freccia e quindi premere INVIO o BARRA SPAZIATRICE.

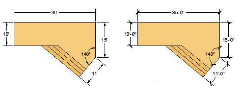
È possibile garantire la conformità dei disegni agli standard del settore o della propria azienda specificando le impostazioni relative al testo, alle quote, ai tipi di linea e ad altre funzioni. Ad esempio, in questo progetto di veranda posteriore sono visualizzati due diversi stili di quota.

Tutte queste impostazioni possono essere salvate in un file modello di disegno. Fare clic su Nuovo per scegliere tra diversi file modello di disegno:


I file modello delle esercitazioni presenti nell'elenco sono esempi semplici di progettazione architettonica o meccanica disponibili nelle versioni con unità di misura imperiali (i) e metriche (m). Può essere utile esercitarsi quando si iniziano a creare le quote.
Nella maggior parte delle aziende vengono utilizzati file modello di disegno conformi a specifici standard aziendali. Spesso, i file modello di disegno variano a seconda del progetto o del cliente.
È possibile salvare qualsiasi disegno (.dwg) come file modello di disegno (.dwt). Per creare un nuovo file modello di disegno basato su uno esistente, aprire il file modello di disegno esistente, modificarlo, quindi salvarlo con un nome di file diverso.

Se si lavora in modo indipendente, è possibile sviluppare file modello di disegno personalizzati in base alle proprie preferenze di lavoro e aggiungere impostazioni man mano che si acquisisce familiarità con altre funzionalità. Per modificare un file modello di disegno esistente, fare clic su Apri, scegliere Modello di disegno (*.dwt) nella finestra di dialogo e scegliere il file modello.

Dopo aver iniziato un nuovo disegno, è necessario stabilire la lunghezza rappresentata da una singola unità, ovvero pollice, piede, centimetro, chilometro o un'altra unità di lunghezza. Ad esempio, gli oggetti illustrati di seguito potrebbero rappresentare due edifici di 125 piedi ciascuno oppure una sezione di una parte meccanica misurata in millimetri.

Una volta definita l'unità di lunghezza da utilizzare, con il comando UNITA è possibile controllare diverse impostazioni di visualizzazione delle unità, incluse le seguenti:
Se si prevede di utilizzare i piedi e i pollici come unità di misura, eseguire il comando UNITA per impostare il tipo di unità Architettonico e quindi, durante la creazione degli oggetti, specificarne le lunghezze in pollici. Se si prevede di utilizzare le unità metriche, lasciare impostato il tipo di unità Decimali. Le modifiche al formato e alla precisione delle unità di misura non influiscono sulla precisione interna del disegno, ma soltanto sulla modalità di visualizzazione dei valori di lunghezze, angoli e coordinate nell'interfaccia utente.
Creare sempre i modelli a dimensioni intere (scala 1:1). Il termine modello si riferisce alla geometria del progetto. Un disegno include la geometria del modello insieme alle viste, alle note, alle quote, ai richiami, alle tabelle e al cartiglio visualizzati nel layout.
Sarà possibile specificare la scala per la stampa di un disegno su un foglio di dimensioni standard in un secondo momento, quando si crea il layout.

Per annullare questa operazione di preselezione, premere ESC.