보강 철근 커플러 배치

이어지거나 인접 보강 철근 인스턴스를 커플러로 결합합니다.

비디오: 보강 철근 커플러 배치

  1. 구조 탭 철근 배근 패널(보강 철근 커플러)를 클릭합니다.
  2. 커플러가 배치되는 방법 클릭:
    • 수정 | 보강 철근 커플러 삽입 탭 배치 옵션 패널 (철근 끝에 배치)
    • 수정 | 보강 철근 커플러 삽입 탭 배치 옵션 패널 (두 철근 사이에 배치)
  3. 특성 팔레트 상단에 있는 유형 선택기에서 원하는 보강 철근 커플러 유형을 선택합니다. 연결하려는 철근에 맞게 또는 이미 연결된 철근에 대해 설정한 크기와 일치하도록 보강 철근 커플러 크기가 자동으로 조정됩니다. 일치하는 커플러 유형이 프로젝트에 없는 경우 새 커플러 유형이 작성됩니다.
  4. 보강 철근에 커플러를 배치합니다.
    • 철근 끝에 배치하려면 보강 철근의 원하는 끝을 선택합니다.
    • 두 철근 사이에 배치하려면 두 개의 유효한 보강 철근 인스턴스를 선택합니다. 선택한 두 번째 막대가 재배치되고 커플러에 대해 필요에 따라 길이가 짧아집니다.
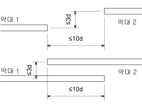
      두 개의 보강 철근 인스턴스를 연결하는 커플러에 대해 연결된 끝은 10개의 철근 지름을 초과해서는 안 됩니다. 철근은 다른 철근으로부터 3개의 철근 지름을 초과하여 간격띄우기를 할 수 없습니다.

      커플러 배치 공차

호 철근 사이에 보강 철근 커플러 배치

두 호 철근 사이에 보강 철근 커플러를 배치하려면 두 철근의 중심이 동일해야 합니다.


비 접선

접선.

비 접선

팁: 정렬되지 않은 철근을 연결하려면 커플러 연결용으로 제작될 수 있도록 철근 중 하나에 커플러를 추가하고 끝 처리를 다른 철근으로 변경합니다.