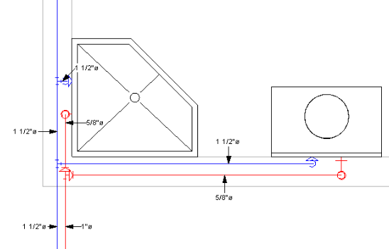
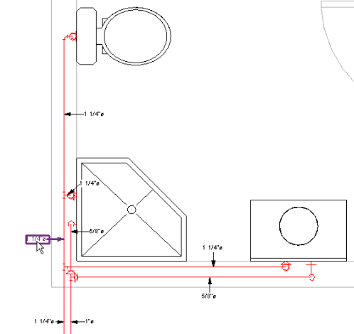
На следующих рисунках показаны результаты применения различных способов определения размеров труб.

До определения размеров

После определения размеров

До определения размеров

После определения размеров

До определения размеров

После определения размеров

До определения размеров

После определения размеров

До определения размеров

После определения размеров

Одна труба

Блок-схема