Questo esercizio mostra come utilizzare i comandi REM per modificare un'immagine raster.
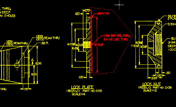
Verrà modificata una piastra di bloccaggio che fa parte di una guida di perforazione, aumentando lo spessore del piano posteriore della piastra di bloccaggio e aggiornando il testo di quota per riflettere la modifica dello spessore.
Prima di svolgere questo esercizio, è necessario accertarsi che le opzioni del Set di strumenti AutoCAD Raster Design siano impostate come descritto nell’esercizio Esercizio A1: impostazione delle opzioni del Set di strumenti AutoCAD Raster Design.
gruppo Viste con nome
Gestione viste
. Espandere quindi il nodo Viste modello e selezionare la vista denominata TU_lock_plate, fare clic su Imposta corrente e fare clic su OK.
Dividere la piastra di bloccaggio in due parti
gruppo REM
menu a discesa Crea regione
Regione poligonale
.

Questa operazione crea una distanza nell'immagine raster. È necessario unire l'oggetto regione all'immagine prima di poter apportare altre modifiche alla parte.
Chiudere la linea orizzontale superiore
gruppo Viste con nome
Gestione viste
. Espandere quindi il nodo Viste modello e selezionare la vista denominata TU_2.75, fare clic su Imposta corrente e fare clic su OK.
gruppo REM
menu a discesa Crea primitiva
Linea
. Selezionare la linea orizzontale nella parte superiore della piastra di bloccaggio.
La linea diventa un oggetto primitivo.

Chiudere la linea orizzontale inferiore
gruppo Viste con nome
Gestione viste
. Espandere quindi il nodo Viste modello e selezionare la vista denominata TU_bottom, fare clic su Imposta corrente e fare clic su OK.
gruppo REM
menu a discesa Crea primitiva
Linea
. Selezionare la linea orizzontale nella parte inferiore della piastra di bloccaggio.
La linea diventa un oggetto primitivo.

Chiudere le linee della filettatura
gruppo Viste con nome
Gestione viste
. Espandere quindi il nodo Viste modello e selezionare la vista denominata TU_thread, fare clic su Imposta corrente e fare clic su OK.
gruppo REM
menu a discesa Crea regione
Regione rettangolare
.
È possibile quindi copiare l'oggetto per chiudere la distanza nelle linee della filettatura.


Deseleziona tutto dal menu di scelta rapida.
Sostituire il testo di quota
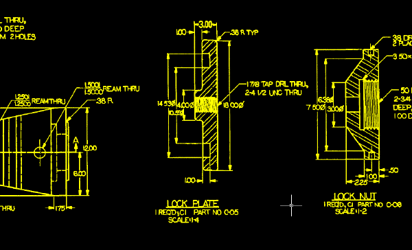
A questo punto il testo di quota verrà modificato da 2,75 a 3,00, ad indicare il nuovo spessore della piastra di bloccaggio.
gruppo Viste con nome
Gestione viste
. Espandere quindi il nodo Viste modello e selezionare la vista denominata TU_2.75, fare clic su Imposta corrente e fare clic su OK.
gruppo Vettorizza e riconosci testo
menu a discesa Testo
Testo
. Selezionare un punto alla base del numero 2 a sinistra.
I puntatori a croce identificano l'area in cui selezionare un punto per inserire il nuovo testo di quota.

Nel Set di strumenti AutoCAD Raster Designviene inserito il nuovo testo di quota nel punto selezionato. Notare che nella riga di comando viene visualizzata l'opzione Finestra avanzata per la rimozione del testo raster. Nella prossima procedura si rimuoverà il testo raster 2.75 utilizzando questo metodo.
gruppo (espanso) Modifica
Penne raster
.
L'esempio seguente mostra come selezionare i due punti che determinano lo spessore della penna raster per il nuovo testo di quota. Quando si crea testo raster a partire dal testo di quota vettore, lo spessore del testo deve essere tale da corrispondere a quello del disegno al tratto nell'immagine.

L'esempio seguente mostra l'aspetto dell'immagine dopo la sostituzione del testo di quota precedente con il nuovo testo raster creato dal testo di quota vettore.

Esaminare le modifiche apportate alla piastra di bloccaggio
gruppo Viste con nome
Gestione viste
. Espandere quindi il nodo Viste modello e selezionare la vista denominata TU_lock_plate, fare clic su Imposta corrente e fare clic su OK.
Questo esempio mostra l'aspetto della piastra di bloccaggio e del relativo testo di quota dopo l'aggiornamento.
