Cotas de forma de corte de aço laminado a frio

Reveja e modifique os valores dos parâmetros de cota da forma de corte de elementos de framing estrutural laminados a frio.

Estas propriedades de tipo são criadas a partir do parâmetro de categoria da família de forma de corte do elemento.

Forma do corte Parâmetros de cotas de forma disponíveis
HSS retangular (aço laminado a quente)

B. Largura: a largura externa da forma de corte.

H. Altura: a altura externa da forma de corte.

T Espessura do projeto de parede: a espessura do projeto perpendicular entre as superfícies interna e externa de uma forma de corte.

t. Espessura nominal da parede: a distância perpendicular média entre a superfície interna e externa da forma de corte.

r1. Concordância interna: o raio da concordância do canto interno de uma forma de seção estrutural oca e retangular.

r2. Concordância externa: o raio da concordância do canto externo de uma forma de seção estrutural oca e retangular.

y. Centroide horizontal: a distância entre o centroide da forma de corte para a extremidade esquerda ao longo do eixo horizontal.

z. Centroide vertical: a distância entre o centroide da forma de corte na extremidade inferior ao longo do eixo vertical.

HSS redondo (aço laminado a frio)

D. Diâmetro: o diâmetro externo da forma de corte redonda.

T Espessura do projeto de parede: a espessura do projeto perpendicular entre as superfícies interna e externa de uma forma de corte.

t. Espessura nominal da parede: a distância perpendicular média entre a superfície interna e externa da forma de corte.

y. Centroide horizontal: a distância entre o centroide da forma de corte para a extremidade esquerda ao longo do eixo horizontal.

z. Centroide vertical: a distância entre o centroide da forma de corte na extremidade inferior ao longo do eixo vertical.

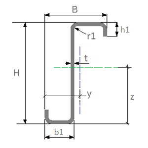
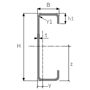
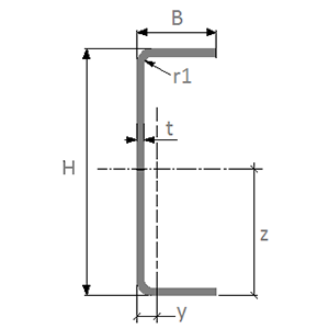
Perfil C

B. Largura: a largura externa da forma de corte.

H. Altura: a altura externa da forma de corte.

T Espessura do projeto de parede: a espessura do projeto perpendicular entre as superfícies interna e externa de uma forma de corte.

t. Espessura nominal da parede: a distância perpendicular média entre a superfície interna e externa da forma de corte.

r1. Concordância interna: o raio da concordância de canto interno de uma dobra em uma forma de corte de aço laminado a frio.

y. Centroide horizontal: a distância entre o centroide da forma de corte para a extremidade esquerda ao longo do eixo horizontal.

z. Centroide vertical: a distância entre o centroide da forma de corte na extremidade inferior ao longo do eixo vertical.

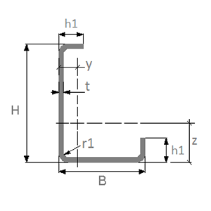
Perfil C com dobra

B. Largura: a largura externa da forma de corte.

H. Altura: a altura externa da forma de corte.

h1. Comprimento da aba: a distância entre a superfície externa da forma de corte e a extremidade do segmento da aba.

b1. Comprimento da dobra: a distância entre a superfície externa do segmento da aba e a extremidade do segmento de dobra.

T Espessura do projeto de parede: a espessura do projeto perpendicular entre as superfícies interna e externa de uma forma de corte.

t. Espessura nominal da parede: a distância perpendicular média entre a superfície interna e externa da forma de corte.

r1. Concordância interna: o raio da concordância de canto interno de uma dobra em uma forma de corte de aço laminado a frio.

y. Centroide horizontal: a distância entre o centroide da forma de corte para a extremidade esquerda ao longo do eixo horizontal.

z. Centroide vertical: a distância entre o centroide da forma de corte na extremidade inferior ao longo do eixo vertical.

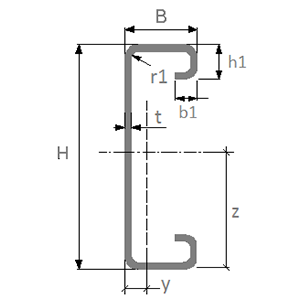
Perfil C com abas

B. Largura: a largura externa da forma de corte.

H. Altura: a altura externa da forma de corte.

h1. Comprimento da aba: a distância entre a superfície externa da forma de corte e a extremidade do segmento da aba.

T Espessura do projeto de parede: a espessura do projeto perpendicular entre as superfícies interna e externa de uma forma de corte.

t. Espessura nominal da parede: a distância perpendicular média entre a superfície interna e externa da forma de corte.

r1. Concordância interna: o raio da concordância de canto interno de uma dobra em uma forma de corte de aço laminado a frio.

y. Centroide horizontal: a distância entre o centroide da forma de corte para a extremidade esquerda ao longo do eixo horizontal.

z. Centroide vertical: a distância entre o centroide da forma de corte na extremidade inferior ao longo do eixo vertical.

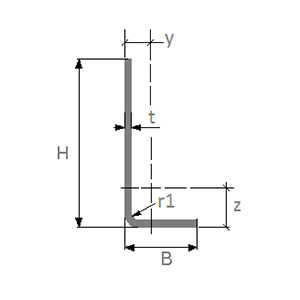
Perfil L

B. Largura: a largura externa da forma de corte.

H. Altura: a altura externa da forma de corte.

T Espessura do projeto de parede: a espessura do projeto perpendicular entre as superfícies interna e externa de uma forma de corte.

t. Espessura nominal da parede: a distância perpendicular média entre a superfície interna e externa da forma de corte.

r1. Concordância interna: o raio da concordância de canto interno de uma dobra em uma forma de corte de aço laminado a frio.

y. Centroide horizontal: a distância entre o centroide da forma de corte para a extremidade esquerda ao longo do eixo horizontal.

z. Centroide vertical: a distância entre o centroide da forma de corte na extremidade inferior ao longo do eixo vertical.

Perfil L com abas

B. Largura: a largura externa da forma de corte.

H. Altura: a altura externa da forma de corte.

h1. Comprimento da aba: a distância entre a superfície externa da forma de corte e a extremidade do segmento da aba.

T Espessura do projeto de parede: a espessura do projeto perpendicular entre as superfícies interna e externa de uma forma de corte.

t. Espessura nominal da parede: a distância perpendicular média entre a superfície interna e externa da forma de corte.

r1. Concordância interna: o raio da concordância de canto interno de uma dobra em uma forma de corte de aço laminado a frio.

y. Centroide horizontal: a distância entre o centroide da forma de corte para a extremidade esquerda ao longo do eixo horizontal.

z. Centroide vertical: a distância entre o centroide da forma de corte na extremidade inferior ao longo do eixo vertical.

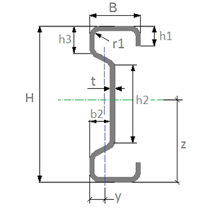
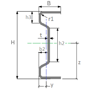
Perfil sigma

B. Largura: a largura externa da forma de corte.

H. Altura: a altura externa da forma de corte.

b2. Largura da dobra: a distância entre a extremidade esquerda da forma de corte para a superfície externa do segmento de dobra do meio.

h2. Comprimento da dobra do meio: o comprimento da superfície interna do segmento de dobra do meio.

h3. Comprimento da dobra superior: a distância entre a superfície externa do topo da forma de corte e a extremidade do segmento da dobra superior.

T Espessura do projeto de parede: a espessura do projeto perpendicular entre as superfícies interna e externa de uma forma de corte.

t. Espessura nominal da parede: a distância perpendicular média entre a superfície interna e externa da forma de corte.

r1. Concordância interna: o raio da concordância de canto interno de uma dobra em uma forma de corte de aço laminado a frio.

y. Centroide horizontal: a distância entre o centroide da forma de corte para a extremidade esquerda ao longo do eixo horizontal.

z. Centroide vertical: a distância entre o centroide da forma de corte na extremidade inferior ao longo do eixo vertical.

Perfil sigma com dobra

B. Largura: a largura externa da forma de corte.

H. Altura: a altura externa da forma de corte.

b1. Comprimento da dobra: a distância entre a superfície externa do segmento da aba e a extremidade do segmento de dobra.

h1. Comprimento da aba: a distância entre a superfície externa da forma de corte e a extremidade do segmento da aba.

b2. Largura da dobra: a distância entre a extremidade esquerda da forma de corte para a superfície externa do segmento de dobra do meio.

h2. Comprimento da dobra do meio: o comprimento da superfície interna do segmento de dobra do meio.

h3. Comprimento da dobra superior: a distância entre a superfície externa do topo da forma de corte e a extremidade do segmento da dobra superior.

T Espessura do projeto de parede: a espessura do projeto perpendicular entre as superfícies interna e externa de uma forma de corte.

t. Espessura nominal da parede: a distância perpendicular média entre a superfície interna e externa da forma de corte.

r1. Concordância interna: o raio da concordância de canto interno de uma dobra em uma forma de corte de aço laminado a frio.

y. Centroide horizontal: a distância entre o centroide da forma de corte para a extremidade esquerda ao longo do eixo horizontal.

z. Centroide vertical: a distância entre o centroide da forma de corte na extremidade inferior ao longo do eixo vertical.

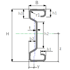
Perfil sigma com abas

B. Largura: a largura externa da forma de corte.

H. Altura: a altura externa da forma de corte.

b2. Largura da dobra: a distância entre a extremidade esquerda da forma de corte para a superfície externa do segmento de dobra do meio.

h1. Comprimento da aba: a distância entre a superfície externa da forma de corte e a extremidade do segmento da aba.

h2. Comprimento da dobra do meio: o comprimento da superfície interna do segmento de dobra do meio.

h3. Comprimento da dobra superior: a distância entre a superfície externa do topo da forma de corte e a extremidade do segmento da dobra superior.

T Espessura do projeto de parede: a espessura do projeto perpendicular entre as superfícies interna e externa de uma forma de corte.

t. Espessura nominal da parede: a distância perpendicular média entre a superfície interna e externa da forma de corte.

r1. Concordância interna: o raio da concordância de canto interno de uma dobra em uma forma de corte de aço laminado a frio.

y. Centroide horizontal: a distância entre o centroide da forma de corte para a extremidade esquerda ao longo do eixo horizontal.

z. Centroide vertical: a distância entre o centroide da forma de corte na extremidade inferior ao longo do eixo vertical.

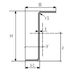
Perfil Z

B. Largura: a largura externa da forma de corte.

H. Altura: a altura externa da forma de corte.

b1. Comprimento do flange inferior: a distância entre a superfície interna da forma de corte e a extremidade do segmento do flange inferior.

T Espessura do projeto de parede: a espessura do projeto perpendicular entre as superfícies interna e externa de uma forma de corte.

t. Espessura nominal da parede: a distância perpendicular média entre a superfície interna e externa da forma de corte.

r1. Concordância interna: o raio da concordância de canto interno de uma dobra em uma forma de corte de aço laminado a frio.

y. Centroide horizontal: a distância entre o centroide da forma de corte para a extremidade esquerda ao longo do eixo horizontal.

z. Centroide vertical: a distância entre o centroide da forma de corte na extremidade inferior ao longo do eixo vertical.

Perfil Z com abas

B. Largura: a largura externa da forma de corte.

H. Altura: a altura externa da forma de corte.

b1. Comprimento do flange inferior: a distância entre a superfície interna da forma de corte e a extremidade do segmento do flange inferior.

h1. Comprimento da aba: a distância entre a superfície externa da forma de corte e a extremidade do segmento da aba.

T Espessura do projeto de parede: a espessura do projeto perpendicular entre as superfícies interna e externa de uma forma de corte.

t. Espessura nominal da parede: a distância perpendicular média entre a superfície interna e externa da forma de corte.

r1. Concordância interna: o raio da concordância de canto interno de uma dobra em uma forma de corte de aço laminado a frio.

y. Centroide horizontal: a distância entre o centroide da forma de corte para a extremidade esquerda ao longo do eixo horizontal.

z. Centroide vertical: a distância entre o centroide da forma de corte na extremidade inferior ao longo do eixo vertical.