Cotas de forma de corte de aço em bobina laminado a quente

Reveja e modifique os valores dos parâmetros de cota da forma de corte de elementos de framing estrutural de aço em bobina laminado a quente.

Estas propriedades de tipo são criadas a partir do parâmetro de categoria da família de forma de corte do elemento.

Forma do corte Parâmetros de cotas de forma disponíveis
Tubulação padrão

D. Diâmetro: o diâmetro externo da forma de corte redonda.

T Espessura do projeto de parede: a espessura do projeto perpendicular entre as superfícies interna e externa de uma forma de corte.

t. Espessura nominal da parede: a distância perpendicular média entre a superfície interna e externa da forma de corte.

y. Centroide horizontal: a distância entre o centroide da forma de corte para a extremidade esquerda ao longo do eixo horizontal.

z. Centroide vertical: a distância entre o centroide da forma de corte na extremidade inferior ao longo do eixo vertical.

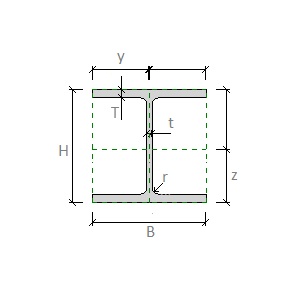
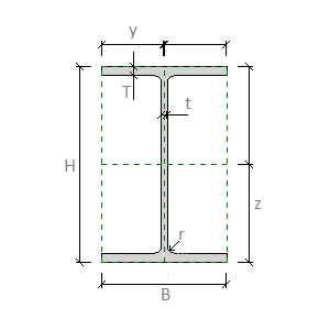
Flange paralelo de forma I

B. Largura: a largura externa da forma de corte.

H. Altura: a altura externa da forma de corte.

T. Espessura do flange: a distância entre as superfícies externas do flange na forma de corte.

t. Espessura da teia: a distância entre as superfícies externas da teia na forma de corte.

r. Concordância da teia: o raio da concordância entre a teia e o flange.

y. Centroide horizontal: a distância entre o centroide da forma de corte para a extremidade esquerda ao longo do eixo horizontal.

z. Centroide vertical: a distância entre o centroide da forma de corte na extremidade inferior ao longo do eixo vertical.

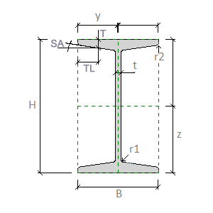
Flange paralelo com forma I

B. Largura: a largura externa da forma de corte.

H. Altura: a altura externa da forma de corte.

T. Espessura do flange: a distância entre as superfícies externas do flange na forma de corte.

TL.Localização da espessura do flange: a distância do final da flange inclinada até o local onde a espessura do flange é medida.

SA.Ângulo do flange inclinado: o ângulo entre o plano do flange inclinado e o plano horizontal na forma do corte.

t. Espessura da teia: a distância entre as superfícies externas da teia na forma de corte.

r1. Concordância da teia: o raio da concordância entre a teia o e o flange.

r2. Concordância do flange: o raio da concordância na extremidade de um flange na forma de corte.

y. Centroide horizontal: a distância entre o centroide da forma de corte para a extremidade esquerda ao longo do eixo horizontal.

z. Centroide vertical: a distância entre o centroide da forma de corte na extremidade inferior ao longo do eixo vertical.

Flange largo com forma I

B. Largura: a largura externa da forma de corte.

H. Altura: a altura externa da forma de corte.

T. Espessura do flange: a distância entre as superfícies externas do flange na forma de corte.

t. Espessura da teia: a distância entre as superfícies externas da teia na forma de corte.

r. Concordância da teia: o raio da concordância entre a teia e o flange.

y. Centroide horizontal: a distância entre o centroide da forma de corte para a extremidade esquerda ao longo do eixo horizontal.

z. Centroide vertical: a distância entre o centroide da forma de corte na extremidade inferior ao longo do eixo vertical.

Flange paralelo de canal C

B. Largura: a largura externa da forma de corte.

H. Altura: a altura externa da forma de corte.

T. Espessura do flange: a distância entre as superfícies externas do flange na forma de corte.

t. Espessura da teia: a distância entre as superfícies externas da teia na forma de corte.

r. Concordância da teia: o raio da concordância entre a teia e o flange.

y. Centroide horizontal: a distância entre o centroide da forma de corte para a extremidade esquerda ao longo do eixo horizontal.

z. Centroide vertical: a distância entre o centroide da forma de corte na extremidade inferior ao longo do eixo vertical.

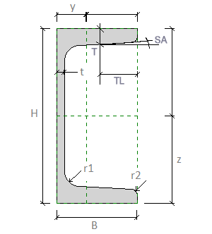
Flange inclinado de canal C

B. Largura: a largura externa da forma de corte.

H. Altura: a altura externa da forma de corte.

T. Espessura do flange: a distância entre as superfícies externas do flange na forma de corte.

TL.Localização da espessura do flange: a distância do final da flange inclinada até o local onde a espessura do flange é medida.

SA.Ângulo do flange inclinado: o ângulo entre o plano do flange inclinado e o plano horizontal na forma do corte.

t. Espessura da teia: a distância entre as superfícies externas da teia na forma de corte.

r1. Concordância da teia: o raio da concordância entre a teia o e o flange.

r2. Concordância do flange: o raio da concordância na extremidade de um flange na forma de corte.

y. Centroide horizontal: a distância entre o centroide da forma de corte para a extremidade esquerda ao longo do eixo horizontal.

z. Centroide vertical: a distância entre o centroide da forma de corte na extremidade inferior ao longo do eixo vertical.

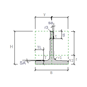
Ângulo L

B. Largura: a largura externa da forma de corte.

H. Altura: a altura externa da forma de corte.

T. Espessura do flange: a distância entre as superfícies externas do flange na forma de corte.

t. Espessura da teia: a distância entre as superfícies externas da teia na forma de corte.

r1. Concordância da teia: o raio da concordância entre a teia o e o flange.

r2. Concordância do flange: o raio da concordância na extremidade de um flange na forma de corte.

r3.Concordância da alma superior: o raio da concordância na parte superior de uma alma na forma de corte.

y. Centroide horizontal: a distância entre o centroide da forma de corte para a extremidade esquerda ao longo do eixo horizontal.

z. Centroide vertical: a distância entre o centroide da forma de corte na extremidade inferior ao longo do eixo vertical.

alpha. Ângulo do eixo principal: o ângulo de rotação entre os eixos principais os planos de referência da seção transversal. Isto está listado como um parâmetro de família de Análise estrutural.

Flange paralelo com divisor I

B. Largura: a largura externa da forma de corte.

H. Altura: a altura externa da forma de corte.

T. Espessura do flange: a distância entre as superfícies externas do flange na forma de corte.

t. Espessura da teia: a distância entre as superfícies externas da teia na forma de corte.

r. Concordância da teia: o raio da concordância entre a teia e o flange.

y. Centroide horizontal: a distância entre o centroide da forma de corte para a extremidade esquerda ao longo do eixo horizontal.

z. Centroide vertical: a distância entre o centroide da forma de corte na extremidade inferior ao longo do eixo vertical.

Flange inclinado dividido I

B. Largura: a largura externa da forma de corte.

H. Altura: a altura externa da forma de corte.

T. Espessura do flange: a distância entre as superfícies externas do flange na forma de corte.

TL.Localização da espessura do flange: a distância do final da flange inclinada até o local onde a espessura do flange é medida.

SA.Ângulo do flange inclinado: o ângulo entre o plano do flange inclinado e o plano horizontal na forma do corte.

t. Espessura da teia: a distância entre as superfícies externas da teia na forma de corte.

r1. Concordância da teia: o raio da concordância entre a teia o e o flange.

r2. Concordância do flange: o raio da concordância na extremidade de um flange na forma de corte.

y. Centroide horizontal: a distância entre o centroide da forma de corte para a extremidade esquerda ao longo do eixo horizontal.

z. Centroide vertical: a distância entre o centroide da forma de corte na extremidade inferior ao longo do eixo vertical.

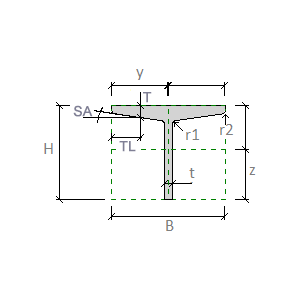
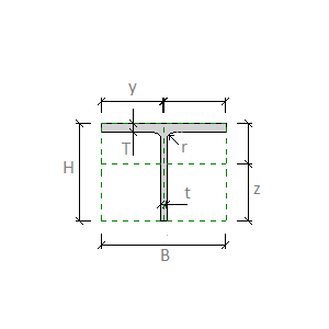
Tês estruturais

B. Largura: a largura externa da forma de corte.

H. Altura: a altura externa da forma de corte.

TL.Localização da espessura do flange: a distância do final da flange inclinada até o local onde a espessura do flange é medida.

SA.Ângulo do flange inclinado: o ângulo entre o plano do flange inclinado e o plano horizontal na forma do corte.

t. Espessura da teia: a distância entre as superfícies externas da teia na forma de corte.

tl.Localização da espessura da teia: a distância do final da teia inclinada até o local onde a espessura da teia é medida.

sa.Ângulo da teia inclinada: o ângulo entre o plano da teia inclinada e o plano vertical na forma do corte.

r1. Concordância da teia: o raio da concordância entre a teia o e o flange.

r2. Concordância do flange: o raio da concordância na extremidade de um flange na forma de corte.

r3.Concordância da alma superior: o raio da concordância na parte superior de uma alma na forma de corte.

y. Centroide horizontal: a distância entre o centroide da forma de corte para a extremidade esquerda ao longo do eixo horizontal.

z. Centroide vertical: a distância entre o centroide da forma de corte na extremidade inferior ao longo do eixo vertical.