在本活动中,您将在 PCB 上为电路布线导线。可以通过多种方式来完成布线。首先,我们将介绍如何手动进行 PCB 布线,然后再介绍使用自动化工具进行布线。本活动对于了解不同的布线方法以及使 PCB 设计高效且实用至关重要。

在 PCB 工作空间中手动创建布线。
优化天线的位置。
单击“设计”>“多边形”>“多边形灌铜”
。
此工具可优化天线(黄线)的布线。
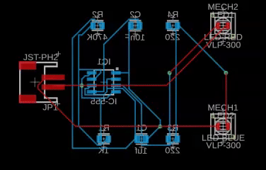
手动创建布线。
单击“设计”>“布线”>“手动布线”
。
单击 LED1 的其中一个引脚。
拖动指针并查看红线如何显示创建布线的位置以及天线或白线如何指引您到达布线末端的引脚。
单击黄色天线末端的第二个元件的引脚。
继续创建另外 3 条或 4 条布线。

自动布置信号导线。
单击“设计”>“取消布线”>“全部取消布线”
,以删除手动创建的布线。
单击“设计”>“快速布线”>“自动布线器”
。

将“强度”设置为“高”。这将使用更大的 CPU,但对于此设计而言将非常快速。
单击“继续”。
在“布线变体”对话框上单击“开始”。
使用箭头键滚动浏览布线变体。
拾取优化为 100% 的布线。通常,过孔越少越好。

在列表中选择您最满意的布线,然后单击“结束作业”以放置该布线。
在本活动中,您在 PCB 上布置了导线。最初,您首先手动进行了连接布线。然后,您使用了一个为您提供几个选项的自动化流程,并且选择了一个您最喜欢的选项。