In dieser Aktivität verbinden Sie alle Komponenten mit Linien, um vollständige und passende Schaltkreise zu erstellen.

Erstellen von Netzen zwischen Komponenten im Schaltplanentwurf
Klicken Sie auf Konstruktion > Verbinden > Netz
.
Klicken Sie auf den unteren Pin von Widerstand 1 (R1), um eine Verbindung zu beginnen. Ein grüner Kreis zeigt an, dass Sie sich am Anschlusspunkt des Pins befinden.

Bewegen Sie den Mauszeiger zum oberen Pin von Widerstand 2 (R2), und klicken Sie, wenn der grüne Kreis angezeigt wird, um die Verbindung zu erstellen. Beachten Sie, dass das Netz als grüne Linie angezeigt wird, die dem Mauszeiger vom Pin aus folgt.

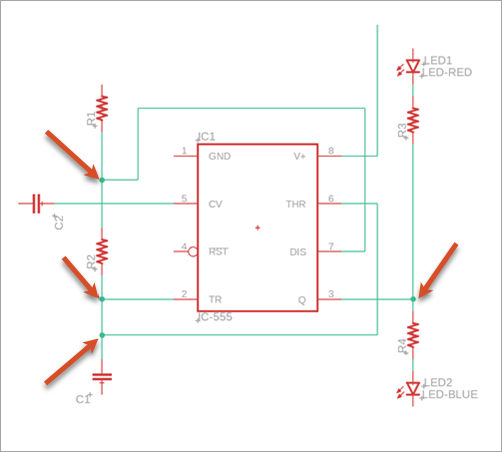
Fügen Sie die übrigen Netze hinzu, wie in der folgenden Abbildung gezeigt. Stellen Sie sicher, dass an den vier durch Pfeile dargestellten Positionen ein ausgefüllter grüner Kreis vorhanden ist, der einen Verbindungspunkt in den Netzen angibt. Diese werden automatisch erstellt, wenn Sie ein Netz an einem vorhandenen Netz beenden.

In dieser Aktivität haben Sie definiert, wie die Komponenten auf der Leiterplatte miteinander verbunden sind.

Schaltkreis, der mit Linien im Schaltplanentwurf verbunden ist