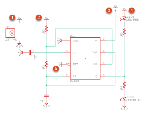
In dieser Aktivität fügen Sie Strom-, Spannungs-, Erdungs- und Klemmenanschlüsse hinzu. Die Komponenten auf der Leiterplatte sind im Schaltplan zwar miteinander verbunden, allerdings gibt es noch keine Stromversorgung. Die Klemmenanschlüsse versorgen die Leiterplatte mit Strom aus einer Batterie, damit der Schaltkreis ordnungsgemäß funktioniert.

Schaltkreis ohne Strom, Erdung und Spannung im Schaltplanentwurf
Fügen Sie den Batterieverbinder JSTPH2 zum Schaltplan hinzu.
Klicken Sie auf Konstruktion > Platzieren > Komponente platzieren
.
Doppelklicken Sie in der Bibliothek Tutorial - Fusion auf die Komponente JSTPH2, und bewegen Sie den Mauszeiger in den Ansichtsbereich.
Positionieren Sie den Batterieverbinder an der in der folgenden Abbildung gezeigten Position.

Klicken Sie auf Fertig, oder drücken Sie die ESC-Taste, um den Platzierungsmodus zu beenden und zur Gruppe Komponenten platzieren zurückzukehren.
Fügen Sie dem Schaltplan fünf Erdungen hinzu.
Doppelklicken Sie in der Bibliothek Tutorial - Fusion auf GND, und bewegen Sie den Mauszeiger in den Ansichtsbereich.
Positionieren Sie die fünf Erdungen an den in der folgenden Abbildung gezeigten Positionen. Drehen Sie das Symbol nach Bedarf, indem Sie mit der rechten Maustaste klicken.

Klicken Sie nach der ersten Platzierung auf OK, um den Namen GND im Dialogfeld Wert zu übernehmen.
Klicken Sie auf Fertig, oder drücken Sie die ESC-Taste, um den Platzierungsmodus zu beenden und zur Gruppe Komponenten platzieren zurückzukehren.
Fügen Sie dem Schaltplan fünf Spannungssymbole hinzu.
Doppelklicken Sie in der Bibliothek Tutorial - Fusion auf +V, und bewegen Sie den Mauszeiger in den Ansichtsbereich.
Positionieren Sie die fünf Spannungssymbole an den in der folgenden Abbildung gezeigten Positionen. Drehen Sie das Symbol nach Bedarf, indem Sie mit der rechten Maustaste klicken.
Klicken Sie nach der ersten Platzierung auf OK, um den Namen +V im Dialogfeld Wert zu übernehmen.
Wenn Sie aufgefordert werden, den Namen eines Netzes zu ändern, übernehmen Sie die Namensänderung.

Klicken Sie auf Fertig, oder drücken Sie die ESC-Taste, um den Platzierungsmodus zu beenden und zur Gruppe Komponenten platzieren zurückzukehren.
Fügen Sie dem Schaltplan zwei Lichtröhren hinzu.
Suchen Sie in der Bibliothek Tutorial - Fusion nach VLP.
Ziehen Sie VLP-300-R/F in den Ansichtsbereich.
Positionieren Sie die beiden Lichtröhren an den in der folgenden Abbildung dargestellten Positionen.

Klicken Sie auf Fertig, oder drücken Sie die ESC-Taste, um den Platzierungsmodus zu beenden und zur Gruppe Komponenten platzieren zurückzukehren.
Fügen Sie die Netze zwischen dem Pin-Kopf-, dem Erdungs- und dem Spannungssymbol hinzu.
Klicken Sie auf Konstruktion > Verbinden > Netz
.
Klicken Sie auf Klemme 1 für das Symbol V+.
Klicken Sie auf Klemme 2 für das Symbol GND.

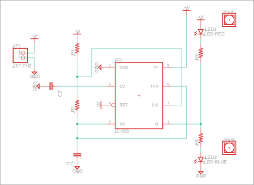
In dieser Aktivität haben Sie definiert, wie der Stromkreis mit Strom versorgt wird und wo sich die Spannungs- und Erdungskomponenten befinden.

Fertiger Schaltkreis im Schaltplanentwurf