En esta actividad, se colocan los componentes necesarios para crear el componente electrónico. Esto es necesario para iniciar un esquema de una placa de circuitos impresos para una luz intermitente doble LED.

Componentes añadidos en el diseño esquemático.
Asegúrese de que la biblioteca Aprendizaje: Fusion se ha añadido y activado en el nuevo diseño esquemático.

Asegúrese de que el tamaño de cuadrícula es 0,1 pulgadas.
Haga clic en Diseño > Vista > Configuración de cuadrícula
.
Asegúrese de que el Tamaño es de 0,1 pulgadas o equivalente.
Haga clic en Cancelar si no se han realizado cambios o en Aceptar si se han realizado cambios.
Añada el temporizador LM555N al esquema.
Haga clic en Diseño > Insertar > Insertar componente
.
Escriba 555 en el cuadro Filtro de búsqueda.
En la biblioteca Aprendizaje: Fusion, haga clic en la flecha situada junto a LM555N para expandir la lista de variantes.
Seleccione la variante D0008A.

Haga doble clic o arrastre y suelte el componente LM555N desde el panel Insertar componentes en el lienzo. El uso de Intro también le pondrá en modo de colocación.
Oriente correctamente el componente mediante los controles del cuadro de diálogo Añadir o:
Localice el símbolo de origen en la pantalla y coloque el componente en el espacio de coordenadas positivas. Se recomienda colocar todos los componentes en el espacio de coordenadas positivas.

Haga clic en Terminar o pulse ESC para salir del modo de inserción y volver al panel Insertar componente.
Coloque cuatro resistencias de R-US_CHIP-0805 en el esquema.
Borre el contenido del cuadro Buscar y escriba R-US.
Haga clic en la lista desplegable de variantes y seleccione CHIP-0805. A continuación, haga doble clic en la fila y mueva el puntero en el lienzo.
Haga clic con el botón derecho para girar 90 grados el símbolo de resistencia.
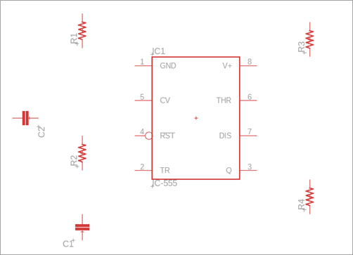
Coloque las cuatro resistencias en las ubicaciones que se muestran en la imagen siguiente.

Haga clic en Terminar o pulse ESC para salir del modo de inserción y volver al panel Insertar componentes.
Añada dos condensadores C-CHIP-0805 al esquema.
En la biblioteca Aprendizaje: Fusion, busque el componente C.
Seleccione CHIP-0805(2012-METRIC) en la lista desplegable de variantes.
Haga doble clic en la fila y mueva el puntero en el lienzo.
Coloque dos condensadores en las ubicaciones que se muestran en la imagen siguiente.

Haga clic en Terminar o pulse ESC para salir del modo de inserción y volver al panel Insertar componentes.
Añada un LED LED_CHIP RED-2012 al esquema.
En la biblioteca Aprendizaje: Fusion, busque el componente LED_CHIP.
Seleccione RED-2012 en la lista desplegable de variantes.
Haga doble clic en la fila y mueva el puntero en el lienzo.
Coloque el LED en la ubicación que se muestra en la imagen siguiente.

Haga clic en Terminar o pulse ESC para salir y volver al panel Insertar componentes.
Añada un LED LED_CHIP_BLUE_ al esquema.
Desplácese hacia abajo por la lista de variantes LED_CHIP y seleccione el componente BLUE-2012.
Haga doble clic en la fila y mueva el puntero en el lienzo.
Coloque el LED en la ubicación que se muestra en la imagen siguiente.

Haga clic en Terminar o pulse ESC para salir del comando.
En esta actividad, ha añadido nueve componentes necesarios para el diseño de la luz intermitente doble LED.