El proceso de diseño electrónico se divide en dos etapas de diseño distintas: el diseño esquemático y el diseño de la placa de circuitos impresos. El diseño esquemático sirve como representación lógica de un circuito electrónico. Define cómo se conectan todos los componentes, pero no cómo se colocan físicamente en una placa de circuito.
En este aprendizaje, se trabaja en la parte del proceso correspondiente al diseño esquemático y se realiza lo siguiente:

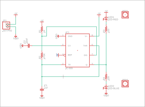
Diseño esquemático del circuito de la luz intermitente doble LED.