Découvrez comment utiliser l’outil Cote automatique dans l’espace de travail Dessin de Fusion pour créer et personnaliser les cotes créées automatiquement.
Dans la barre d’outils, sélectionnez Cote > Cotation automatique
.
La boîte de dialogue Cotation automatique s’affiche.
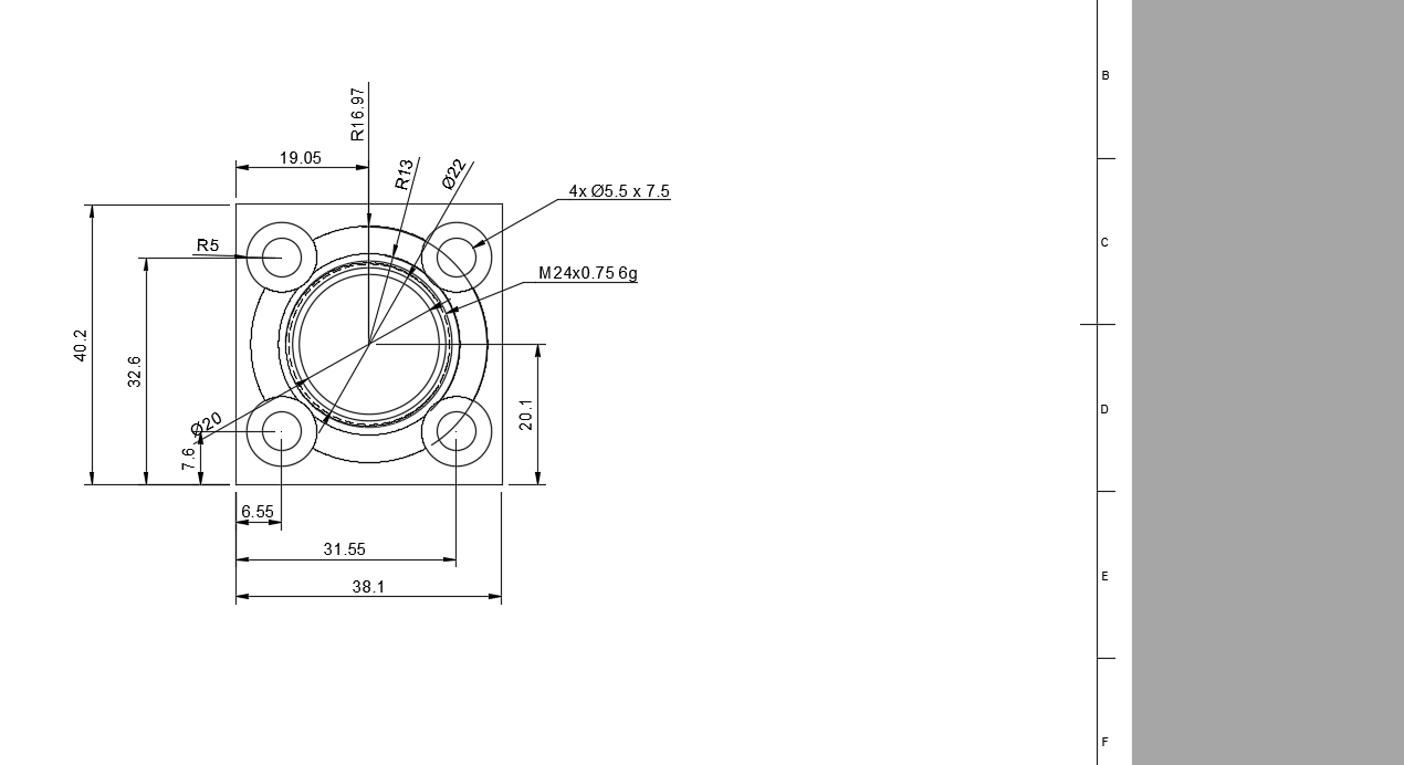
Dans la boîte de dialogue Cotation automatique, choisissez la stratégie de cotation la mieux adaptée à votre dessin.
Personnalisez la stratégie sélectionnée.
Appuyez sur Enter ou cliquez sur OK.
Les cotes sont personnalisées et s’affichent sur la feuille.

Dans la barre d’outils, sélectionnez Cote > Cotation automatique
.
La boîte de dialogue Cotation automatique s’affiche.
Dans la zone de dessin, identifiez la cote que vous souhaitez déplacer.

Cliquez sur la cote à déplacer. Notez que les autres cotes s’estompent à l’arrière-plan et que les emplacements alternatifs de la cote sélectionnée apparaissent.

Cliquez sur le nouvel emplacement souhaité et confirmez-le en cliquant sur la coche verte.

Dans la boîte de dialogue Cotation automatique, cliquez sur OK.

La cote s’affiche au nouvel emplacement.