In questa attività si apprenderà come posizionare tutti i componenti necessari per la creazione del componente elettronico. Ciò è necessario per avviare uno schema di una scheda PCB per un flasher a doppio LED.

Componenti aggiunti nella progettazione schematica.
Verificare che la libreria Tutorial-Fusion sia stata aggiunta e attivata nella nuova progettazione schematica.

Verificare che la dimensione della griglia sia 0.1 pollici.
Fare clic su Progettazione > Vista > Impostazioni griglia
.
Verificare che il campo Dimensione sia impostato su 0.1 pollici o un valore equivalente.
Se non sono state apportate modifiche, fare clic su Annulla. Se sono state apportate modifiche, fare clic su OK.
Aggiungere il timer LM555N allo schema.
Fare clic su Progettazione > Posiziona > Posiziona componente ![]()
Immettere 555 nella casella di ricerca Filtro.
Nella libreria Tutorial-Fusion, fare clic sulla freccia accanto a LM555N per espandere l'elenco di varianti.
Selezionare la variante D0008A.

Fare doppio clic o trascinare e rilasciare il componente dal gruppo LM555N dal gruppo Posiziona componenti nell'area grafica. L'utilizzo di Invio consente inoltre di attivare la modalità di posizionamento.
Orientare correttamente il componente utilizzando i controlli nella finestra di dialogo Aggiungi o:
Individuare il simbolo di origine sullo schermo e posizionare il componente nello spazio delle coordinate positive. È consigliabile posizionare tutti i componenti nello spazio delle coordinate positivo.

Fare clic su Fatto o premere ESC per uscire dalla modalità di posizionamento e tornare al gruppo Posiziona componente.
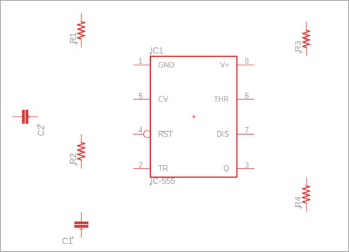
Aggiungere quattro resistori R-US_CHIP-0805 allo schema.
Deselezionare il contenuto della casella Cerca e immettere R-US.
Fare clic sull'elenco a discesa delle varianti e selezionare CHIP-0805, quindi fare doppio clic sulla riga e spostare il puntatore sull'area grafica.
Fare clic con il pulsante destro del mouse per ruotare il simbolo del resistore di 90 gradi.
Posizionare i quattro resistori nelle posizioni mostrate nell'immagine seguente.

Fare clic su Fatto o premere ESC per uscire dalla modalità di posizionamento e tornare al gruppo Posiziona componenti.
Aggiungere due condensatori C-CHIP-0805 allo schema.
Nella libreria Tutorial-Fusion, individuare il componente C.
Selezionare CHIP-0805(2012-METRIC) dall'elenco a discesa delle varianti.
Fare doppio clic sulla riga e spostare il puntatore nell'area grafica.
Posizionare due condensatori nelle posizioni mostrate nell'immagine seguente.

Fare clic su Fatto o premere ESC per uscire dalla modalità di posizionamento e tornare al gruppo Posiziona componenti.
Aggiungere un LED LED_CHIP_BLUE_2012 allo schema.
Nella libreria Tutorial-Fusion individuare il componente LED_CHIP.
Selezionare RED-2012 dall'elenco a discesa delle varianti.
Fare doppio clic sulla riga e spostare il puntatore nell'area grafica.
Posizionare il LED nella posizione mostrata nella figura seguente.

Fare clic su Fatto o premere ESC per uscire e tornare al gruppo Posiziona componenti.
Aggiungere un LED LED_CHIP_BLUE_ allo schema.
Scorrere verso il basso l'elenco delle varianti LED_CHIP e selezionare il componente BLUE-2012.
Fare doppio clic sulla riga e spostare il puntatore nell'area grafica.
Posizionare il LED nella posizione mostrata nella figura seguente.

Fare clic su Fatto o premere ESC per uscire dal comando.
In questa attività si è appreso come aggiungere i nove componenti necessari per la progettazione di un flasher a doppio LED.