Conclusione dell'esercitazione: creazione di una progettazione schematica
In questa esercitazione si è appreso come effettuare le operazioni seguenti:
- Posizionare i componenti.
- Manipolare i componenti.
- Cablare lo schema.
- Aggiungere alimentazione.
- Definire valori.

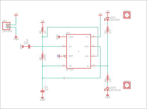
Circuito completato nella progettazione schematica.