このアクティビティでは、PCB 上の回路のワイヤを配線します。配線する方法は多数あります。まず、PCB を手動で配線し、次に自動ツールを使用する方法を示します。このアクティビティは、PCB デザインを効率的かつ機能的に行うために、さまざまな配線方法を理解する上で不可欠です。

PCB 作業スペースで手動でルートを作成する
エアワイヤの位置を最適化します。
[デザイン] > [ポリゴン] > [銅箔ベタ]
をクリックします。
このツールは、エアワイヤ(黄色の線)のルートを最適化します。
手動でルートを作成します。
[デザイン] > [配線] > [手動配線]
をクリックします。
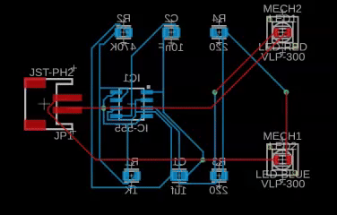
LED1 のピンの 1 つをクリックします。
ポインタをドラッグして、赤色の線がルートの作成場所をどのように示し、エアワイヤがルートの終端にあるピンに向かってどのようにガイドするかを確認します。
黄色のエアワイヤの終端にある 2 番目のコンポーネントのピンをクリックします。
続けて 3 つまたは 4 つの追加のルートを作成します。

信号ワイヤを自動的に配線します。
手動で作成したルートを削除するには、 [デザイン] > [配線解除] > [全て配線解除]
をクリックします。
[デザイン] > [クイック配線] > [オートルータ]
をクリックします。

[作用力] を [高] に設定します。この場合、CPU の使用量が増えますが、このデザインでは非常に高速になります。
[続行]をクリックします。
[ルーティング バリアント]ダイアログで[開始]をクリックします。
矢印キーを使用して、ルーティング バリアントをスクロールします。
100% に最適化されたルートを選択します。通常、ビアの数が少ない方が良いと言えます。

リストから最適なルートを選択し、 [ジョブを終了] をクリックしてそのルートを配置します。
このアクティビティでは、PCB 上のワイヤを配線しました。最初に、手動で接続を配線することから始めました。次に、いくつかのオプションを提供する自動化プロセスを使用し、最適なオプションを選択しました。