替代标注样式

在某些情况下,某些标注的外观并不合适,您不希望所有标注都使用此外观。在本主题中,您将创建一个可以隐藏尾随零的样式。

  1. 单击鼠标右键,然后选择“重复编辑样式”
  2. 展开“尺寸”节点,在“已修改(ISO)”上单击鼠标右键,然后选择“新建样式”。在“名称”中,输入“已修改 - 无尾随零(ISO)”,然后单击“确定”
  3. “单位”选项卡 “显示”面板中,清除“尾随零”的选中状态。单击“保存”,然后单击“完毕”
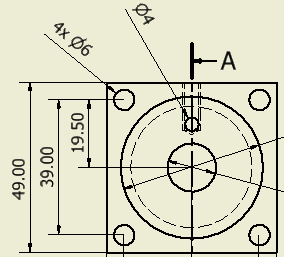
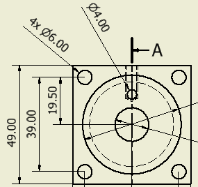
  4. 选择基础视图中的孔注释。
  5. “标注”选项卡 “格式”面板 “样式列表”上,单击“已修改 - 无尾随零(ISO)”

上一页 | 下一页