Přepsání stylů poznámek

V některých případech je vzhled některých poznámek špatný a nechcete, aby všechny poznámky měly tento vzhled. V tomto tématu vytvoříte styl, který skrývá koncové nuly.

  1. Klikněte pravým tlačítkem a vyberte položku Opakovat úpravu stylů.
  2. Rozbalte položku Kóta, klikněte pravým tlačítkem myši na možnost Upravený (ISO) a zvolte položku Nový styl. V poli Název vyberte položku Upravený – Žádné koncové nuly (ISO) a klikněte na tlačítko OK.
  3. Na kartě Jednotky na panelu Zobrazit zrušte zaškrtnutí políčka Koncové nuly. Klikněte na tlačítko Uložit a na tlačítko Hotovo.
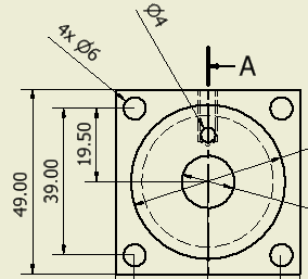
  4. Zvolte poznámky děr v základním pohledu.
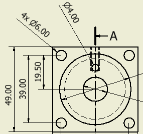
  5. Na kartě Poznámka panel Formát Seznam stylů klikněte na položku Upravený- Žádné koncové nuly (ISO).

Předchozí | Další