Überschreiben von Kommentarstilen

In einigen Fällen werden Kommentare falsch dargestellt bzw. sollen anders dargestellt werden. In diesem Abschnitt erstellen Sie einen Stil, der nachgestellte Nullen ausblendet.

  1. Klicken Sie mit der rechten Maustaste, und wählen Sie Stil bearbeiten wiederholen….
  2. Erweitern Sie den Knoten Bemaßung, klicken Sie mit der rechten Maustaste auf Modified (ISO), und wählen Sie Neuer Stil. Geben Sie unter Name Modified - No Trailing Zeros (ISO) ein, und klicken Sie auf OK.
  3. Deaktivieren Sie auf der Registerkarte Einheiten in der Gruppe Anzeige die Option Nachfolgende Nullen. Klicken Sie auf Speichern und Fertig.
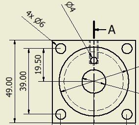
  4. Wählen Sie die Bohrungsinfos in der Erstansicht.
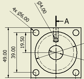
  5. Klicken Sie auf der Registerkarte Mit Anmerkungen versehen Gruppe Format Stilliste auf Modified- No Trailing Zeros (ISO).

Zurück | Weiter