Remplacer les styles d'annotation

Dans certains cas, l'aspect de certaines annotations est incorrect et que vous ne voulez pas que toutes les annotations aient cette apparence. Dans cette section, vous allez créer un style qui masque les zéros à droite.

  1. Cliquez avec le bouton droit de la souris et sélectionnez Répéter Modifier les styles....
  2. Développez le noeud Cote, cliquez avec le bouton droit de la souris sur Modified (ISO), puis sélectionnez Nouveau style. Dans le champ Nom, saisissez Modifié - Aucun zéro à droite (ISO ), puis cliquez sur OK.
  3. Dans l'onglet Unités le groupe de fonctions Afficher, désélectionnez Zéros à droite. Cliquez sur Enregistrer, puis sur Terminer.
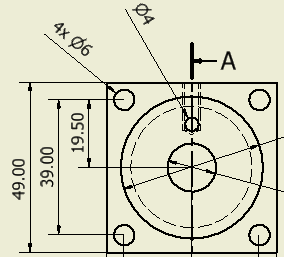
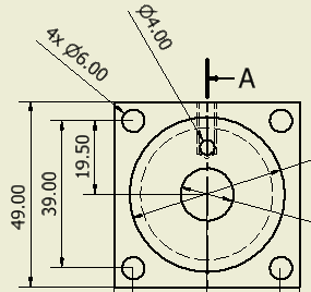
  4. Sélectionnez les notes de perçage dans la vue de base.
  5. Sur l'onglet Annoter le groupe de fonctions Format la liste Style, cliquez sur Modified- No Trailing Zeros (ISO).

Précédent | Suivant