제도 표준 선택 정보

AutoCAD Mechanical은 제도 표준에 따라 모든 설정을 그룹화하고 해당 설정을 표준이라는 프로파일에 저장합니다.

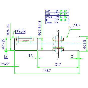
AutoCAD Mechanical에는 ANSI, BSI, CSN, DIN, GB, ISO JIS 및 GOST라는 8개 프로파일이 포함되어 있으며 각각 제도 표준에 맞게 구성되었습니다. 이러한 설정에 따라 AutoCAD Mechanical에 내장된 도구로 형상을 작성하는 방법이 결정됩니다. 따라서 AutoCAD Mechanical을 표준 지향적이라고 합니다. 다음 그림에서는 표준을 DIN으로 설정하여 작성한 샤프트의 도면을 보여줍니다. 주석이 DIN 표준을 어떻게 준수하는지 살펴봅니다.

기본 제도 표준

AutoCAD Mechanical은 표준 지향적이므로 도면에 제도 표준을 지정하는 것은 매우 중요합니다. 도면을 작성할 때 AutoCAD Mechanical에서 자동으로 도면에 제도 표준을 지정합니다.

AutoCAD 도면을 열거나 AutoCAD 템플릿(.dwt)을 사용하여 도면을 작성할 경우 AutoCAD Mechanical에서는 도면에 가장 적합한 표준을 지정합니다. 아래 "표준 재지정 및 사용자 표준을 다른 도면에 사용할 수 있도록 설정" 항목을 참조하십시오. 제도 표준을 쉽게 변경할 수 있습니다.

제도 표준으로 제어할 수 있는 설정

제도 표준은 다음과 같은 표준 요소를 제어합니다.

표준 요소 재지정

특수 요구사항을 충족하도록 표준 종속 설정을 재지정할 수 있습니다. 재지정된 값은 표준과 함께 저장됩니다. 다른 표준으로 변경하면 새 표준의 요소가 활성화됩니다. 도면 세션 중 표준을 변경할 경우 도면에 있는 도면 객체에는 변경 사항이 적용되지 않습니다. 새 객체만 새로 선택한 표준을 따릅니다. 원래 표준으로 다시 변경하면 이전에 유효했던 설정이 다시 활성화됩니다.

주: 도면 세션 중 표준을 변경한 후 표준 요소를 재지정하면 표준을 변경한 이후에 작성한 객체에만 재지정 값이 적용됩니다. 예를 들어 표준을 ISO로 설정한 상태에서 주를 작성하고 표준을 DIN으로 변경할 수 있습니다. 그런 다음 주에 대한 문자 색상 설정을 재지정하면 DIN으로 변경한 이후에 작성한 주에만 변경 사항이 적용됩니다. ISO 표준으로 작성한 주는 원래 색상을 유지합니다. 이러한 주는 DIN이 아닌 ISO 표준을 통해 제어됩니다.

사용자 표준 및 중요성

표준 요소를 재지정하면 AutoCAD Mechanical이 재지정 값의 유효성을 확인하여 해당 표준을 위반하는 설정은 만들 수 없도록 합니다. 유효성 검사 과정을 수행하려면 사용자 표준을 작성하여 현재 제도 표준으로 선택합니다.

예를 들어 ANSI 표준을 사용하는 경우 선택할 수 있는 문자 높이는 0.1, 0.12 및 0.24입니다. 다른 문자 높이를 사용하려면 ANSI 표준 기반의 사용자 표준을 작성합니다. 사용자 표준을 사용하면 문자 높이를 원하는 값으로 변경할 수 있습니다. 다른 설정은 모두 ANSI 표준을 따릅니다.

다른 도면에 사용 가능한 표준 재지정 및 사용자 표준 작성

이후에 작성하는 도면에서 사용자 표준 또는 표준 재지정을 사용할 수 있도록 하려면 표준이나 재지정을 템플릿 도면(*.dwt)으로 저장합니다. 이 템플릿을 기본 템플릿으로 설정하면 AutoCAD 도면을 열거나 AutoCAD 템플릿을 기반으로 도면을 작성할 때마다 기본 템플릿의 표준 종속 설정이 해당 도면에 적용됩니다. 기본 템플릿과 AutoCAD 도면/템플릿 사이에 단위 불일치가 발생하면 AutoCAD Mechanical은 기본 템플릿이 설정되지 않은 것처럼 작동합니다. 기본 템플릿이 설정되지 않았다면 AutoCAD Mechanical은 ANSI 표준(영국식 도면용)이나 ISO 표준(미터법 도면용)을 지정합니다.

AMSETUPDWG 명령을 사용하여 템플릿 도면(.dwt)에서 설정을 가져올 수도 있습니다. 도면 세션 도중에 설정을 가져오는 것은 도면 세션 도중에 제도 표준을 변경하거나 표준의 요소를 변경하는 것과 같습니다.