Стадии работы над чертежами проекта

Работа, связанная с созданием документации спроектированной конструкции (чертежами), может быть разделена на следующие стадии.

  1. Создание или считывание конструктивной схемы

    В программе Autodesk AutoCAD Structural Detailing - Steel можно создать модель конструкции. Ее также можно подготовить в другой программе и открыть в Autodesk AutoCAD Structural Detailing - Steel (см.: связь Autodesk AutoCAD Structural Detailing с Robot).

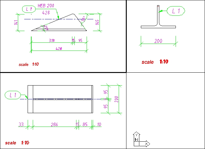
    Конструктивная схема – трёхмерные элементы реальной пространственной конструкции. Для этих элементов будут подготовлены чертежи.

    Все операции выполняются в пространстве модели, которое является объектом программы AutoCAD®, и в котором работают с конструктивной схемой.

  2. Присвоение позиций конструктивным элементам

    Позиция – объект, связанный с организацией элементов конструктивной схемы. Одному или нескольким конструктивным элементам присваивают позицию, для которой может быть создан общий комплект чертежей.

    Позиция видна на двух закладках диалогового окна Инспектор объектов: Модель и Редактор деталей. Созданные позиции представлены на закладке Позиции.

  3. Составление документов

    Документ – комплект чертежей для позиции (для каждой позиции может быть создано любое количество документов). Документ состоит из видов (он не может быть распечатан).

    Документы создаются на основе шаблонов, иными словами, предопределённых наборов видов, составляющих логическое целое (например, 3 проекции данного объекта). Шаблон определяет, какие чертежи (проекции, сечения) должны быть включены в документ.

    Все операции выполняются в пространстве редактирования.

    Лист редактирования является объектом программы AutoCAD®. Только один документ может быть активен одновременно, и только этот документ может быть отредактирован в пространстве редактирования. Содержимое пространства не выводится на печать.

  4. Определение (редактирование) видов/проекций

    Вид – одиночный чертёж, который всегда является составной частью документа. Если он добавлен к распечатке, то одновременно является и ее элементом. Только вид (чертёж), содержащийся в распечатке, может быть выведен на печать.

    Проекции сборок вычерчиваются в системе координат основной детали (по умолчанию, самой длинной детали сборки). Система координат сборок (и пластин) можно изменять с помощью команды Изменить систему координат (на закладке Позиции в диалоговом окне Инспектор Объектов). Можно выбирать одну из следующих опций для сборок: ПСК, ГСК, Главная деталь и 3 точки (или ПСК и ГСК и 3 точки для пластин). Чертежи, созданные после этих изменений, будут показывать сборки в выбранной системе координат. Чертежи, созданные до этого изменения, должны быть обновлены (с помощью Обновить документ на закладке Позиции в диалоговом окне Инспектор объектов).

    Редактирование выполняется в пространстве модели.

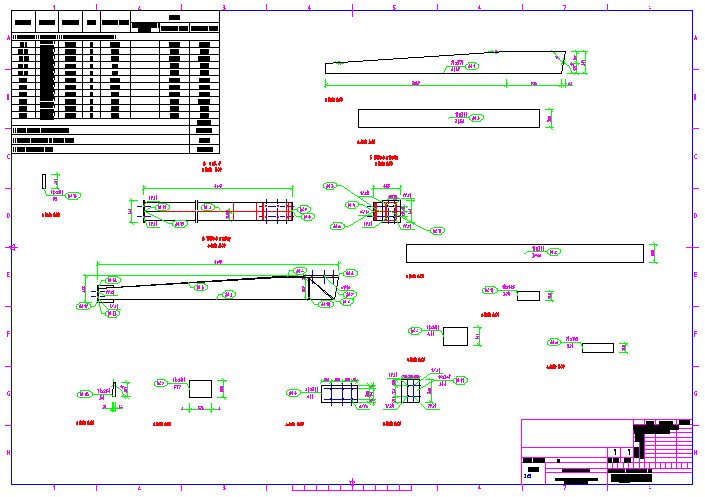
  5. Создание распечатки

    Распечатка – подготовленная и полностью готовая состоит из видов (для каждой Распечатки существует только одна соответствующая ей компоновка).

    Все операции выполняются на компоновках распечаток.

    Компоновка печати является объектом программы AutoCAD®. Она используется для составления окончательной распечатки. Для каждой компоновки существует одна распечатка.

См. также:

Пример составления документов и вставки их в чертеж