Inserte un conector entre cables existentes.
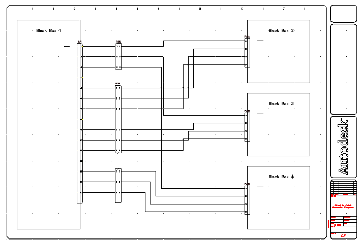
Ahora que ya se han unido los conectores mediante cables, se deben insertar conectores en la línea para agrupar los cables.
Inserción de conectores en la línea


. Buscar
Espaciado de polos: 1.0
Número de polos: 3
En intersección de los cables
Lista de polos: 1
Insertar todo

Especifique el punto de inserción o [Z=zoom, E=encuadre, X=intersección de cables, V=horizontal/vertical, TAB=cambiar]:
Seleccione para establecer la posición del conector en los cables conectados a PJ1, Polos 1 a 3



. Buscar
Espaciado de polos: 1.0
Número de polos: 9
En intersección de los cables
Lista de polos: 1
Permitir espaciadores/cortes
Especifique el punto de inserción o [Z=zoom, E=encuadre, X=intersección de cables, V=horizontal/vertical, TAB=cambiar]:
Seleccione para establecer la posición del conector que empieza en la línea en PJ1, Polo 5
Observe como se expande el conector al cruzar los cables.
El cuadro de diálogo muestra los polos de conector insertados hasta el momento. Siga haciendo clic en Insertar siguiente conexión hasta colocar seis de las nueve conexiones.

Especifique el punto de inserción o [Z=zoom, E=encuadre, X=intersección de cables, V=horizontal/vertical, TAB=cambiar]:
Seleccione para establecer la posición del conector que empieza en la línea en PJ1, Polo 13




. Buscar
Componente desde el que enlazar: Seleccione la parte inferior de PJ6 (1)
componente desde el que enlazar: Seleccione la parte superior de PJ6 (2) y haga clic con el botón derecho
