冷間成形鋼断面形状の寸法

冷間成形鋼構造フレーム要素の断面形状の寸法パラメータの値を確認、修正します。

これらのタイプのプロパティは、要素の断面形状ファミリ カテゴリ パラメータから作成されます。

断面形状 使用可能な形状の寸法パラメータ
角型鋼管 (冷間成形鋼)

B. 幅: 断面形状の外側の幅です。

H. 高さ: 断面形状の外側の高さです。

T. 設計肉厚: 断面形状の内部サーフェスと外部サーフェス間の垂直方向の設計厚です。

t. 標準肉厚: 断面形状の内部サーフェスと外部サーフェス間の垂直方向の設計厚です。

r1. 内側フィレット: 矩形中空構造断面形状の内側のコーナー フィレットの半径です。

r2. 外側フィレット: 矩形中空構造断面形状の外側のコーナー フィレットの半径です。

y. 水平方向の図心: 水平軸に沿った、断面形状の図心から左側端部までの距離です。

z. 垂直方向の図心: 垂直軸に沿った、断面形状の図心から下側端部までの距離です。

alpha. 主軸の角度: 主軸と断面の参照面との間の回転角です。これは、構造解析ファミリ パラメータとして一覧表示されます。

鋼管 (冷間成形鋼材)

D. 直径: 円形断面形状の外径寸法です。

T. 設計肉厚: 断面形状の内部サーフェスと外部サーフェス間の垂直方向の設計厚です。

t. 標準肉厚: 断面形状の内部サーフェスと外部サーフェス間の垂直方向の設計厚です。

y. 水平方向の図心: 水平軸に沿った、断面形状の図心から左側端部までの距離です。

z. 垂直方向の図心: 垂直軸に沿った、断面形状の図心から下側端部までの距離です。

alpha. 主軸の角度: 主軸と断面の参照面との間の回転角です。これは、構造解析ファミリ パラメータとして一覧表示されます。

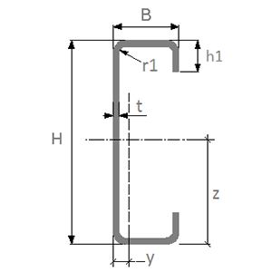
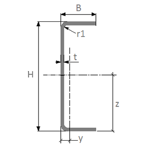
軽溝形鋼

B. 幅: 断面形状の外側の幅です。

H. 高さ: 断面形状の外側の高さです。

T. 設計肉厚: 断面形状の内部サーフェスと外部サーフェス間の垂直方向の設計厚です。

t. 標準肉厚: 断面形状の内部サーフェスと外部サーフェス間の垂直方向の設計厚です。

r1. 内側フィレット: 冷間成形鋼材断面形状の曲げの内側コーナー フィレットの半径です。

r2. 外側フィレット: 冷間成形鋼材断面形状の曲げの外側コーナー フィレットの半径です。

y. 水平方向の図心: 水平軸に沿った、断面形状の図心から左側端部までの距離です。

z. 垂直方向の図心: 垂直軸に沿った、断面形状の図心から下側端部までの距離です。

alpha. 主軸の角度: 主軸と断面の参照面との間の回転角です。これは、構造解析ファミリ パラメータとして一覧表示されます。

軽溝形鋼(折り曲げ付き)

B. 幅: 断面形状の外側の幅です。

H. 高さ: 断面形状の外側の高さです。

h1. リップの長さ: 断面形状の外部サーフェスとリップ セグメント端部の間の距離です。

b1. 折り曲げの長さ: リップ セグメントの外部サーフェスと折り曲げセグメント端部の間の距離です。

T. 設計肉厚: 断面形状の内部サーフェスと外部サーフェス間の垂直方向の設計厚です。

t. 標準肉厚: 断面形状の内部サーフェスと外部サーフェス間の垂直方向の設計厚です。

r1. 内側フィレット: 冷間成形鋼材断面形状の曲げの内側コーナー フィレットの半径です。

r2. 外側フィレット: 冷間成形鋼材断面形状の曲げの外側コーナー フィレットの半径です。

y. 水平方向の図心: 水平軸に沿った、断面形状の図心から左側端部までの距離です。

z. 垂直方向の図心: 垂直軸に沿った、断面形状の図心から下側端部までの距離です。

alpha. 主軸の角度: 主軸と断面の参照面との間の回転角です。これは、構造解析ファミリ パラメータとして一覧表示されます。

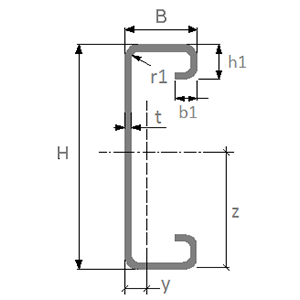
軽溝形鋼(リップ付き)

B. 幅: 断面形状の外側の幅です。

H. 高さ: 断面形状の外側の高さです。

h1. リップの長さ: 断面形状の外部サーフェスとリップ セグメント端部の間の距離です。

T. 設計肉厚: 断面形状の内部サーフェスと外部サーフェス間の垂直方向の設計厚です。

t. 標準肉厚: 断面形状の内部サーフェスと外部サーフェス間の垂直方向の設計厚です。

r1. 内側フィレット: 冷間成形鋼材断面形状の曲げの内側コーナー フィレットの半径です。

r2. 外側フィレット: 冷間成形鋼材断面形状の曲げの外側コーナー フィレットの半径です。

y. 水平方向の図心: 水平軸に沿った、断面形状の図心から左側端部までの距離です。

z. 垂直方向の図心: 垂直軸に沿った、断面形状の図心から下側端部までの距離です。

alpha. 主軸の角度: 主軸と断面の参照面との間の回転角です。これは、構造解析ファミリ パラメータとして一覧表示されます。

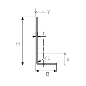
軽山形鋼

B. 幅: 断面形状の外側の幅です。

H. 高さ: 断面形状の外側の高さです。

T. 設計肉厚: 断面形状の内部サーフェスと外部サーフェス間の垂直方向の設計厚です。

t. 標準肉厚: 断面形状の内部サーフェスと外部サーフェス間の垂直方向の設計厚です。

r1. 内側フィレット: 冷間成形鋼材断面形状の曲げの内側コーナー フィレットの半径です。

r2. 外側フィレット: 冷間成形鋼材断面形状の曲げの外側コーナー フィレットの半径です。

y. 水平方向の図心: 水平軸に沿った、断面形状の図心から左側端部までの距離です。

z. 垂直方向の図心: 垂直軸に沿った、断面形状の図心から下側端部までの距離です。

alpha. 主軸の角度: 主軸と断面の参照面との間の回転角です。これは、構造解析ファミリ パラメータとして一覧表示されます。

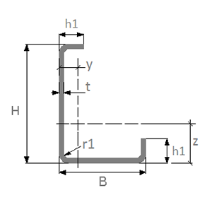
軽山形鋼(リップ付き)

B. 幅: 断面形状の外側の幅です。

H. 高さ: 断面形状の外側の高さです。

h1. リップの長さ: 断面形状の外部サーフェスとリップ セグメント端部の間の距離です。

T. 設計肉厚: 断面形状の内部サーフェスと外部サーフェス間の垂直方向の設計厚です。

t. 標準肉厚: 断面形状の内部サーフェスと外部サーフェス間の垂直方向の設計厚です。

r1. 内側フィレット: 冷間成形鋼材断面形状の曲げの内側コーナー フィレットの半径です。

r2. 外側フィレット: 冷間成形鋼材断面形状の曲げの外側コーナー フィレットの半径です。

y. 水平方向の図心: 水平軸に沿った、断面形状の図心から左側端部までの距離です。

z. 垂直方向の図心: 垂直軸に沿った、断面形状の図心から下側端部までの距離です。

alpha. 主軸の角度: 主軸と断面の参照面との間の回転角です。これは、構造解析ファミリ パラメータとして一覧表示されます。

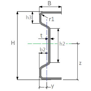
軽∑形鋼

B. 幅: 断面形状の外側の幅です。

H. 高さ: 断面形状の外側の高さです。

b2. 曲げ幅: 断面形状の左端と中央の曲げセグメントの外部サーフェス間の距離です。

h2. 中央の曲げの長さ: 中央の曲げセグメントの内部サーフェスの長さです。

T. 設計肉厚: 断面形状の内部サーフェスと外部サーフェス間の垂直方向の設計厚です。

t. 標準肉厚: 断面形状の内部サーフェスと外部サーフェス間の垂直方向の設計厚です。

r1. 内側フィレット: 冷間成形鋼材断面形状の曲げの内側コーナー フィレットの半径です。

r2. 外側フィレット: 冷間成形鋼材断面形状の曲げの外側コーナー フィレットの半径です。

y. 水平方向の図心: 水平軸に沿った、断面形状の図心から左側端部までの距離です。

z. 垂直方向の図心: 垂直軸に沿った、断面形状の図心から下側端部までの距離です。

alpha. 主軸の角度: 主軸と断面の参照面との間の回転角です。これは、構造解析ファミリ パラメータとして一覧表示されます。

軽∑形鋼(折り曲げ付き)

B. 幅: 断面形状の外側の幅です。

H. 高さ: 断面形状の外側の高さです。

b1. 折り曲げの長さ: リップ セグメントの外部サーフェスと折り曲げセグメント端部の間の距離です。

h1. リップの長さ: 断面形状の外部サーフェスとリップ セグメント端部の間の距離です。

b2. 曲げ幅: 断面形状の左端と中央の曲げセグメントの外部サーフェス間の距離です。

h2. 中央の曲げの長さ: 中央の曲げセグメントの内部サーフェスの長さです。

h3. 上部の曲げの長さ: 断面形状の上部の外部サーフェスと上部曲げセグメント端部の間の距離です。

T. 設計肉厚: 断面形状の内部サーフェスと外部サーフェス間の垂直方向の設計厚です。

t. 標準肉厚: 断面形状の内部サーフェスと外部サーフェス間の垂直方向の設計厚です。

r1. 内側フィレット: 冷間成形鋼材断面形状の曲げの内側コーナー フィレットの半径です。

r2. 外側フィレット: 冷間成形鋼材断面形状の曲げの外側コーナー フィレットの半径です。

y. 水平方向の図心: 水平軸に沿った、断面形状の図心から左側端部までの距離です。

z. 垂直方向の図心: 垂直軸に沿った、断面形状の図心から下側端部までの距離です。

alpha. 主軸の角度: 主軸と断面の参照面との間の回転角です。これは、構造解析ファミリ パラメータとして一覧表示されます。

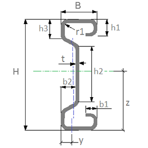
軽∑形鋼(リップ付き)

B. 幅: 断面形状の外側の幅です。

H. 高さ: 断面形状の外側の高さです。

b2. 曲げ幅: 断面形状の左端と中央の曲げセグメントの外部サーフェス間の距離です。

h1. リップの長さ: 断面形状の外部サーフェスとリップ セグメント端部の間の距離です。

h2. 中央の曲げの長さ: 中央の曲げセグメントの内部サーフェスの長さです。

h3. 上部の曲げの長さ: 断面形状の上部の外部サーフェスと上部曲げセグメント端部の間の距離です。

T. 設計肉厚: 断面形状の内部サーフェスと外部サーフェス間の垂直方向の設計厚です。

t. 標準肉厚: 断面形状の内部サーフェスと外部サーフェス間の垂直方向の設計厚です。

r1. 内側フィレット: 冷間成形鋼材断面形状の曲げの内側コーナー フィレットの半径です。

r2. 外側フィレット: 冷間成形鋼材断面形状の曲げの外側コーナー フィレットの半径です。

y. 水平方向の図心: 水平軸に沿った、断面形状の図心から左側端部までの距離です。

z. 垂直方向の図心: 垂直軸に沿った、断面形状の図心から下側端部までの距離です。

alpha. 主軸の角度: 主軸と断面の参照面との間の回転角です。これは、構造解析ファミリ パラメータとして一覧表示されます。

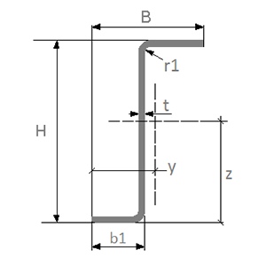
軽Z形鋼

B. 幅: 断面形状の外側の幅です。

H. 高さ: 断面形状の外側の高さです。

b1. 下部フランジの長さ: 断面形状の内部サーフェスと下部フランジ セグメント端部の間の距離です。

T. 設計肉厚: 断面形状の内部サーフェスと外部サーフェス間の垂直方向の設計厚です。

t. 標準肉厚: 断面形状の内部サーフェスと外部サーフェス間の垂直方向の設計厚です。

r1. 内側フィレット: 冷間成形鋼材断面形状の曲げの内側コーナー フィレットの半径です。

r2. 外側フィレット: 冷間成形鋼材断面形状の曲げの外側コーナー フィレットの半径です。

y. 水平方向の図心: 水平軸に沿った、断面形状の図心から左側端部までの距離です。

z. 垂直方向の図心: 垂直軸に沿った、断面形状の図心から下側端部までの距離です。

alpha. 主軸の角度: 主軸と断面の参照面との間の回転角です。これは、構造解析ファミリ パラメータとして一覧表示されます。

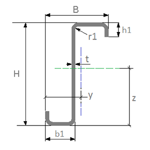
軽Z形鋼(リップ付き)

B. 幅: 断面形状の外側の幅です。

H. 高さ: 断面形状の外側の高さです。

b1. 下部フランジの長さ: 断面形状の内部サーフェスと下部フランジ セグメント端部の間の距離です。

h1. リップの長さ: 断面形状の外部サーフェスとリップ セグメント端部の間の距離です。

T. 設計肉厚: 断面形状の内部サーフェスと外部サーフェス間の垂直方向の設計厚です。

t. 標準肉厚: 断面形状の内部サーフェスと外部サーフェス間の垂直方向の設計厚です。

r1. 内側フィレット: 冷間成形鋼材断面形状の曲げの内側コーナー フィレットの半径です。

r2. 外側フィレット: 冷間成形鋼材断面形状の曲げの外側コーナー フィレットの半径です。

y. 水平方向の図心: 水平軸に沿った、断面形状の図心から左側端部までの距離です。

z. 垂直方向の図心: 垂直軸に沿った、断面形状の図心から下側端部までの距離です。

alpha. 主軸の角度: 主軸と断面の参照面との間の回転角です。これは、構造解析ファミリ パラメータとして一覧表示されます。