熱間圧延鋼構造フレーム要素の断面形状の寸法パラメータの値を確認、修正します。
これらのタイプのプロパティは、要素の断面形状ファミリ カテゴリ パラメータから作成されます。
| 断面形状 | 使用可能な形状の寸法パラメータ |
|---|---|
鋼管の標準 ![]() |
D. 直径: 円形断面形状の外径寸法です。 T. 設計肉厚: 断面形状の内部サーフェスと外部サーフェス間の垂直方向の設計厚です。 t. 標準肉厚: 断面形状の内部サーフェスと外部サーフェス間の垂直方向の設計厚です。 y. 水平方向の図心: 水平軸に沿った、断面形状の図心から左側端部までの距離です。 z. 垂直方向の図心: 垂直軸に沿った、断面形状の図心から下側端部までの距離です。 alpha. 主軸の角度: 主軸と断面の参照面との間の回転角です。これは、構造解析ファミリ パラメータとして一覧表示されます。 |
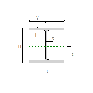
I 形パラレル フランジ ![]() |
B. 幅: 断面形状の外側の幅です。 H. 高さ: 断面形状の外側の高さです。 T. フランジの厚さ: 断面形状のフランジの厚さ(外部サーフェス間の距離)です。 t. ウェブ厚:断面形状のウェブの厚さ(外部サーフェス間の距離)です。 r. ウェブ フィレット: ウェブとフランジ間のフィレットの半径です。 y. 水平方向の図心: 水平軸に沿った、断面形状の図心から左側端部までの距離です。 z. 垂直方向の図心: 垂直軸に沿った、断面形状の図心から下側端部までの距離です。 alpha. 主軸の角度: 主軸と断面の参照面との間の回転角です。これは、構造解析ファミリ パラメータとして一覧表示されます。 |
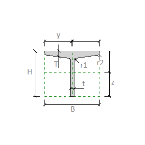
I 形鋼傾斜フランジ ![]() |
B. 幅: 断面形状の外側の幅です。 H. 高さ: 断面形状の外側の高さです。 T. フランジの厚さ: 断面形状のフランジの厚さ(外部サーフェス間の距離)です。 t. ウェブ厚:断面形状のウェブの厚さ(外部サーフェス間の距離)です。 r1. ウェブ フィレット: ウェブとフランジ間のフィレットの半径です。 r2. フランジ フィレット: 断面形状のフランジ端部のフィレットの半径です。 y. 水平方向の図心: 水平軸に沿った、断面形状の図心から左側端部までの距離です。 z. 垂直方向の図心: 垂直軸に沿った、断面形状の図心から下側端部までの距離です。 alpha. 主軸の角度: 主軸と断面の参照面との間の回転角です。これは、構造解析ファミリ パラメータとして一覧表示されます。 |
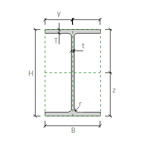
H 形鋼ワイド フランジ ![]() |
B. 幅: 断面形状の外側の幅です。 H. 高さ: 断面形状の外側の高さです。 T. フランジの厚さ: 断面形状のフランジの厚さ(外部サーフェス間の距離)です。 t. ウェブ厚:断面形状のウェブの厚さ(外部サーフェス間の距離)です。 r. ウェブ フィレット: ウェブとフランジ間のフィレットの半径です。 y. 水平方向の図心: 水平軸に沿った、断面形状の図心から左側端部までの距離です。 z. 垂直方向の図心: 垂直軸に沿った、断面形状の図心から下側端部までの距離です。 alpha. 主軸の角度: 主軸と断面の参照面との間の回転角です。これは、構造解析ファミリ パラメータとして一覧表示されます。 |
溝形鋼パラレル フランジ ![]() |
B. 幅: 断面形状の外側の幅です。 H. 高さ: 断面形状の外側の高さです。 T. フランジの厚さ: 断面形状のフランジの厚さ(外部サーフェス間の距離)です。 t. ウェブ厚:断面形状のウェブの厚さ(外部サーフェス間の距離)です。 r. ウェブ フィレット: ウェブとフランジ間のフィレットの半径です。 y. 水平方向の図心: 水平軸に沿った、断面形状の図心から左側端部までの距離です。 z. 垂直方向の図心: 垂直軸に沿った、断面形状の図心から下側端部までの距離です。 alpha. 主軸の角度: 主軸と断面の参照面との間の回転角です。これは、構造解析ファミリ パラメータとして一覧表示されます。 |
溝形鋼傾斜フランジ ![]() |
B. 幅: 断面形状の外側の幅です。 H. 高さ: 断面形状の外側の高さです。 T. フランジの厚さ: 断面形状のフランジの厚さ(外部サーフェス間の距離)です。 t. ウェブ厚:断面形状のウェブの厚さ(外部サーフェス間の距離)です。 r1. ウェブ フィレット: ウェブとフランジ間のフィレットの半径です。 r2. フランジ フィレット: 断面形状のフランジ端部のフィレットの半径です。 y. 水平方向の図心: 水平軸に沿った、断面形状の図心から左側端部までの距離です。 z. 垂直方向の図心: 垂直軸に沿った、断面形状の図心から下側端部までの距離です。 alpha. 主軸の角度: 主軸と断面の参照面との間の回転角です。これは、構造解析ファミリ パラメータとして一覧表示されます。 |
山形鋼 ![]() |
B. 幅: 断面形状の外側の幅です。 H. 高さ: 断面形状の外側の高さです。 T. フランジの厚さ: 断面形状のフランジの厚さ(外部サーフェス間の距離)です。 t. ウェブ厚:断面形状のウェブの厚さ(外部サーフェス間の距離)です。 r1. ウェブ フィレット: ウェブとフランジ間のフィレットの半径です。 r2. フランジ フィレット: 断面形状のフランジ端部のフィレットの半径です。 y. 水平方向の図心: 水平軸に沿った、断面形状の図心から左側端部までの距離です。 z. 垂直方向の図心: 垂直軸に沿った、断面形状の図心から下側端部までの距離です。 alpha. 主軸の角度: 主軸と断面の参照面との間の回転角です。これは、構造解析ファミリ パラメータとして一覧表示されます。 |
I スプリット パラレル フランジ ![]() |
B. 幅: 断面形状の外側の幅です。 H. 高さ: 断面形状の外側の高さです。 T. フランジの厚さ: 断面形状のフランジの厚さ(外部サーフェス間の距離)です。 t. ウェブ厚:断面形状のウェブの厚さ(外部サーフェス間の距離)です。 r. ウェブ フィレット: ウェブとフランジ間のフィレットの半径です。 y. 水平方向の図心: 水平軸に沿った、断面形状の図心から左側端部までの距離です。 z. 垂直方向の図心: 垂直軸に沿った、断面形状の図心から下側端部までの距離です。 alpha. 主軸の角度: 主軸と断面の参照面との間の回転角です。これは、構造解析ファミリ パラメータとして一覧表示されます。 |
I スプリット傾斜フランジ ![]() |
B. 幅: 断面形状の外側の幅です。 H. 高さ: 断面形状の外側の高さです。 T. フランジの厚さ: 断面形状のフランジの厚さ(外部サーフェス間の距離)です。 t. ウェブ厚:断面形状のウェブの厚さ(外部サーフェス間の距離)です。 r1. ウェブ フィレット: ウェブとフランジ間のフィレットの半径です。 r2. フランジ フィレット: 断面形状のフランジ端部のフィレットの半径です。 y. 水平方向の図心: 水平軸に沿った、断面形状の図心から左側端部までの距離です。 z. 垂直方向の図心: 垂直軸に沿った、断面形状の図心から下側端部までの距離です。 alpha. 主軸の角度: 主軸と断面の参照面との間の回転角です。これは、構造解析ファミリ パラメータとして一覧表示されます。 |
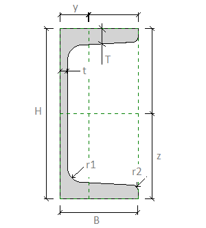
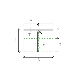
T 形鋼 ![]() |
B. 幅: 断面形状の外側の幅です。 H. 高さ: 断面形状の外側の高さです。 T. フランジの厚さ: 断面形状のフランジの厚さ(外部サーフェス間の距離)です。 t. ウェブ厚:断面形状のウェブの厚さ(外部サーフェス間の距離)です。 r1. ウェブ フィレット: ウェブとフランジ間のフィレットの半径です。 r2. フランジ フィレット: 断面形状のフランジ端部のフィレットの半径です。 y. 水平方向の図心: 水平軸に沿った、断面形状の図心から左側端部までの距離です。 z. 垂直方向の図心: 垂直軸に沿った、断面形状の図心から下側端部までの距離です。 alpha. 主軸の角度: 主軸と断面の参照面との間の回転角です。これは、構造解析ファミリ パラメータとして一覧表示されます。 |