Fügen Sie einen Stecker über vorhandene Drähte ein.
Nachdem Sie nun die Anschlüsse miteinander verdrahtet haben, fügen Sie am Draht ausgerichtete Stecker ein, um die Drähte zu gruppieren.
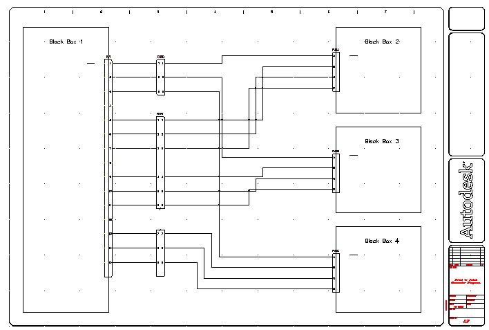
Einfügen von am Draht ausgerichteten Steckern


. Finden
Anschlussabstand: 1.0
Anschlussanzahl: 3
An Drahtkreuz
Liste der Anschlüsse: 1
Alles einfügen

Einfügepunkt angeben oder [Z=Zoom, P=Pan, X=drahtkreuzung, V=horizontal/vertikal, TAB=umdrehen]:
Platzieren Sie den Stecker auf den Drähten, die mit PJ1, Anschlüsse 1-3 verbunden sind



. Finden
Anschlussabstand: 1.0
Anschlussanzahl: 9
An Drahtkreuz
Liste der Anschlüsse: 1
Abstandhalter/Unterbrechungen zulassen
Einfügepunkt angeben oder [Z=Zoom, P=Pan, X=drahtkreuzung, V=horizontal/vertikal, TAB=umdrehen]:
Platzieren Sie den Stecker so, dass er auf der Verbindung bei PJ1, Anschluss 5 beginnt
Achten Sie darauf, wie sich der Stecker ausdehnt, wenn Sie die Drähte kreuzen.
Das Dialogfeld zeigt den bisher eingefügten Steckeranschluss an. Klicken Sie so lange auf Nächste Verbindung einfügen, bis Sie sechs der neun Verbindungen platziert haben.

Einfügepunkt angeben oder [Z=Zoom, P=Pan, X=drahtkreuzung, V=horizontal/vertikal, TAB=umdrehen]:
Platzieren Sie den Stecker so, dass er auf der Verbindung bei PJ1, Anschluss 13 beginnt




. Finden
Betriebsmittel, von dem die Verbindung erfolgen soll: Wählen Sie den unteren Teil von PJ6 (1)
Betriebsmittel, zu dem die Verbindung erfolgen soll: Wählen Sie den oberen Teil von PJ6 (2), und klicken Sie mit der rechten Maustaste
