Quote della forma di sezione - Acciaio (altri)

È possibile esaminare e modificare i valori dei parametri di quota della forma di sezione di altri elementi del telaio strutturale in acciaio.

Tali proprietà del tipo vengono create in base al parametro della categoria di famiglia Forma sezione dell'elemento.

Forma di sezione Parametri di quota della forma disponibili
Barra rettangolare

B. Larghezza: larghezza esterna della forma di sezione.

H. Altezza: altezza esterna della forma di sezione.

y. Baricentro orizzontale: distanza tra il baricentro della forma di sezione e le estremità sinistre lungo l'asse orizzontale.

z. Baricentro verticale: distanza tra il baricentro della forma di sezione e le estremità inferiori lungo l'asse verticale.

alpha. Angolo assi principali: angolo di rotazione tra gli assi principali e i piani di riferimento della sezione trasversale. Questo parametro è elencato come parametro famiglia di Analisi strutturale.

Barra circolare

D. Diametro: diametro esterno della forma di sezione circolare.

y. Baricentro orizzontale: distanza tra il baricentro della forma di sezione e le estremità sinistre lungo l'asse orizzontale.

z. Baricentro verticale: distanza tra il baricentro della forma di sezione e le estremità inferiori lungo l'asse verticale.

alpha. Angolo assi principali: angolo di rotazione tra gli assi principali e i piani di riferimento della sezione trasversale. Questo parametro è elencato come parametro famiglia di Analisi strutturale.

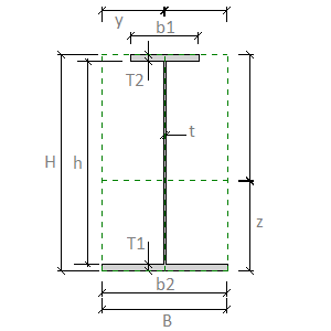
Profilato a I - Saldato (acciaio a nido d'ape e saldato)

B. Larghezza: larghezza esterna della forma di sezione.

H. Altezza: altezza esterna della forma di sezione.

T2. Spessore ala superiore: distanza tra le superfici esterne dell'ala superiore nella forma di sezione di un elemento a nido d'ape o saldato.

b1. Larghezza ala superiore: larghezza esterna dell'ala superiore di un elemento a nido d'ape o saldato.

T1. Spessore ala inferiore: distanza tra le superfici esterne dell'ala inferiore nella forma di sezione di un elemento a nido d'ape o saldato.

b2. Larghezza ala inferiore: larghezza esterna dell'ala inferiore di un elemento a nido d'ape o saldato.

t. Spessore anima: distanza tra le superfici esterne dell'anima nella forma di sezione.

h. Altezza anima: altezza lungo l'anima tra le ali della forma di sezione.

y. Baricentro orizzontale: distanza tra il baricentro della forma di sezione e le estremità sinistre lungo l'asse orizzontale.

z. Baricentro verticale: distanza tra il baricentro della forma di sezione e le estremità inferiori lungo l'asse verticale.

alpha. Angolo assi principali: angolo di rotazione tra gli assi principali e i piani di riferimento della sezione trasversale. Questo parametro è elencato come parametro famiglia di Analisi strutturale.