Come utilizzare i connettori generati in modo parametrico

Inserimento di connettori

  1. Fare clic su scheda Schemagruppo Inserisci componentielenco a discesa Inserisci connettoreInserisci connettore. Trova
  2. Nella finestra di dialogo Inserisci connettore, specificare il conteggio e la spaziatura dei pin.

    (Facoltativo) Per il conteggio dei pin, fare clic su Seleziona e disegnare una fence per rappresentare la lunghezza del connettore appropriato.

  3. Specificare se generare il connettore utilizzando la spaziatura pin fissa oppure se comprimerlo o espanderlo in modo che i pin coincidano con le intersezioni dei fili sottostanti.
  4. Specificare se inserire l'intero connettore in una sola operazione oppure inserirlo manualmente, pin per pin, con un'opzione che consente di utilizzare dei distanziatori o di suddividerlo in due o più parti.
  5. Fare clic sui pulsanti Ruota o Inverti per modificare la visualizzazione del simbolo di connettore.

    L'immagine dell'anteprima viene aggiornata in base alle modifiche apportate alle opzioni di visualizzazione del connettore.

  6. (Facoltativo) Fare clic su Dettagli per visualizzare altre opzioni per l'impostazione di dimensione, forma e visualizzazione dei simboli connettore creati in modalità parametrica.
  7. Fare clic su Inserisci.

    Viene visualizzato in anteprima un contorno del connettore per facilitare il posizionamento nel disegno. Gli angoli del lato spina del connettore sono arrotondati. Una 'x' indica il punto di inserimento del connettore mentre la freccia indica la direzione della connessione fili del lato spina.

  8. Specificare il punto di inserimento nel disegno o immettere Z (zoom), P (pan), X, V o premere Tab nella riga di comando per modificare l'orientamento del connettore prima dell'inserimento.

    Se si è scelto di consentire distanziatori/interruzioni, nella finestra di dialogo Interruzioni/spazi pin personalizzati, fare clic su Interrompi simbolo per interrompere il connettore e visualizzare la finestra di dialogo Layout connettori per definire la modalità di inserimento del resto dei pin nel disegno.

Rotazione di connettori

  1. Fare clic su scheda Schemagruppo Modifica componentielenco a discesa Modifica connettoriRuota connettore. Trova
  2. Specificare se si desidera mantenere l'orientamento corrente degli attributi.

    Se si seleziona Sì (impostazione di default), l'orientamento del testo degli attributi non ruota insieme al connettore.

  3. Selezionare il connettore da ruotare.

    Il connettore ruota automaticamente di 90 gradi.

  4. Continuare a fare clic sul connettore fino a raggiungere la posizione appropriata.
  5. Premere Invio o Esc per uscire dal comando.

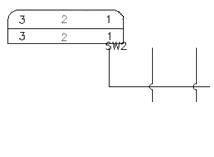
Esempio: Mantenere orientamento attributi = sì

Originale

Prima rotazione

Seconda rotazione

Terza rotazione

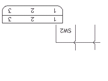
Esempio: Mantenere orientamento attributi = no

Originale

Prima rotazione

Seconda rotazione

Terza rotazione

Inversione di connettori

  1. Fare clic su scheda Schemagruppo Modifica componentielenco a discesa Modifica connettoriInverti connettore. Trova
  2. Selezionare il connettore da invertire

    Il connettore viene invertito automaticamente in base all'orientamento originale.

    Nota: Per un connettore a presa singola senza angoli arrotondati, l'aspetto della grafica rimane inalterato, tuttavia gli attributi della connessione fili vengono spostati sull'altro lato del connettore.
  3. Premere Invio o Esc per uscire dal comando.

Stiramento di connettori

  1. Fare clic su scheda Schemagruppo Modifica componentielenco a discesa Modifica connettoriStira connettore. Trova
  2. Specificare l'estremità del connettore da stirare.
  3. Indicare il punto in cui deve terminare il connettore (secondo punto di spostamento). Trascinare il mouse nella posizione desiderata o immettere le coordinate.
    Nota: È possibile premere TAB durante l'operazione di stiramento per modificare la visibilità degli attributi del connettore. Vedere la sezione Suggerimenti di seguito per informazioni più dettagliate.
  4. Premere Invio o Esc per uscire dal comando.

Suggerimenti

  • Lo strumento Stira connettore non supporta il metodo di selezione mediante finestra.
  • Attivare il comando SNAP.
  • Lo stiramento inizia alla fine del connettore. Non esiste un primo punto di spostamento.
  • Se l'estremità del connettore stirato ricopre la parte superiore dell'attributo ID contrassegno del connettore (nome attributo TAG1 o TAG2), questo attributo e gli attributi INST, POS, DESC1, DESC2 e DESC3 vengono riposizionati con lo stiramento. Se si preme il tasto di tabulazione durante lo stiramento, viene modificata la visibilità di tali attributi. Se la visibilità è attivata, gli attributi vengono visualizzati sotto forma di grafica temporanea che si sposta assieme al cursore di stiramento; se invece è disattivata, la grafica temporanea non è visibile.
  • Evitare di eseguire lo stiramento di un'estremità del connettore fino a raggiungere l'altra estremità.

Divisione di connettori

  1. Fare clic su scheda Schemagruppo Modifica componentielenco a discesa Modifica connettoriDividi connettore. Trova
  2. Selezionare il blocco del connettore da dividere.
  3. Specificare il punto di divisione (ad esempio selezionare tra due set di pin).
  4. (Facoltativo) Definire il punto di origine per il nuovo blocco. Per default, viene preimpostato in linea con il primo set di pin sul componente di divisione. Se non si desidera accettare l'impostazione di default, è possibile digitare le coordinate o fare clic su Seleziona punto e selezionare il punto di origine sul disegno.
  5. (Facoltativo) Impostare il tipo di interruzione: Nessuna linea, Linee rette, Linee tratteggiate o Disegna. L'impostazione di default è Linee tratteggiate.
  6. (Facoltativo) Selezionare per riposizionare il blocco secondario da spostare come parte del comando.
  7. Fare clic su OK.
  8. Per riposizionare il blocco secondario, selezionare sullo schermo il punto desiderato.
  9. Premere Invio o Esc per uscire dal comando.

Aggiunta di pin ad un connettore

  1. Fare clic su scheda Schemagruppo Modifica componentielenco a discesa Modifica connettoriAggiungi pin connettore. Trova
  2. Selezionare il connettore.
  3. Specificare la posizione in cui inserire il successivo numero pin disponibile, visualizzato sulla riga di comando, o premere R+spazio per definire manualmente il numero pin iniziale.

    La numerazione dei numeri pin successivi disponibili è basata sui pin esistenti e su un elenco pin facoltativo associato al connettore selezionato. Viene eseguita una query nel database del progetto relativa ai valori di ELENCOPIN definiti nel simbolo principale al fine di determinare il successivo numero disponibile nel componente del connettore. Viene quindi eseguita una verifica dell'intero progetto finalizzata all'individuazione dei numeri pin utilizzati sui simboli principali e secondari del connettore. Se non viene rilevato alcun valore ELENCOPIN definito, viene utilizzato il successivo numero pin di sequenza disponibile, in base ai pin esistenti. Le assegnazioni di pin possono comprendere numeri o lettere, o combinazioni di entrambi.

  4. Premere Invio o Esc per uscire dal comando.

Suggerimenti

  • Attivare il comando SNAP.
  • È possibile aggiungere i pin all'interno oppure oltre l'estremità del guscio del connettore.
  • L'inserimento dei pin avviene lungo l'asse del connettore, anche se il punto di selezione è distante da uno dei lati del connettore.
  • In un secondo momento è possibile stirare i connettori in modo da inserire i nuovi pin aggiunti oltre la sua estremità.
  • I pin possono essere aggiunti tra quelli originali per essere poi spostati normalmente o rapidamente in base alla spaziatura.
  • I pin possono essere allineati con i pin presenti su un altro connettore. Dopo aver selezionato lo strumento Aggiungi pin connettore, scegliere il connettore cui aggiungere il pin, premere MAIUSC e fare clic con il pulsante destro del mouse per visualizzare le opzioni di snap ad oggetto, selezionare Inserisci, quindi fare clic sul pin cui allineare il nuovo pin. Il nuovo pin viene inserito nel componente selezionato e viene allineato al pin presente sull'altro connettore.

Eliminazione di pin dai connettori

  1. Fare clic su scheda Schemagruppo Modifica componentielenco a discesa Modifica connettoriElimina pin connettore. Trova
  2. Selezionare i pin da eliminare dai connettori.

    L'attributo di numero pin non è più visualizzato sul blocco del connettore. Tale attributo, insieme agli attributi di descrizione e connessione fili associati, non viene rimosso immediatamente dal connettore ma viene ridenominato in modo da essere ignorato. Se successivamente il connettore viene stirato o suddiviso, gli attributi pin eliminati vengono rimossi dall'istanza del blocco del connettore.

  3. Premere Invio o Esc per uscire dal comando.
Nota: L'eliminazione di un pin cui è connesso un filo non determina l'eliminazione del filo. In un caso del genere il filo non sarà più connesso al connettore e apparirà come filo non connesso all'estremità del connettore.

Scambio dei numeri di pin

  1. Fare clic su scheda Schemagruppo Modifica componentielenco a discesa Modifica connettoriScambia pin connettore. Trova
  2. Selezionare il pin del connettore da scambiare.

    Intorno a ogni numero di pin selezionato vengono disegnati elementi grafici temporanei che indicano che tale numero di pin è stato incluso nell'elenco dei pin da scambiare.

  3. Selezionare il pin da scambiare con il pin scelto.

    I pin connettore vengono scambiati tra le due selezioni.

  4. Selezionare un altro set di pin da scambiare oppure premere Invio o Esc per uscire dal comando.

Spostamento di pin

  1. Fare clic su scheda Schemagruppo Modifica componentielenco a discesa Modifica connettoriSposta pin connettore. Trova
  2. Selezionare il pin di connettore da spostare.
  3. Specificare la nuova posizione per il pin.

    Il riposizionamento del pin avviene lungo l'asse del connettore, anche se il punto di selezione è distante da uno dei lati del connettore. È anche possibile specificare una posizione oltre l'estremità del guscio del connettore e utilizzare lo strumento Stira connettore per estendere il guscio in modo da includere i pin.

  4. Premere Invio o Esc per uscire dal comando.

Modifica dei numeri di pin dei connettori

  1. Fare clic su scheda Schemagruppo Modifica componentielenco a discesa Modifica componentiModifica. Trova
  2. Selezionare il connettore.
  3. Nella finestra di dialogo Inserisci/Modifica componente, all'interno della sezione Pin, fare clic su Elenco.
  4. Nella finestra di dialogo Numeri pin connettore in uso, selezionare una coppia di pin da modificare.
  5. Nella sezione Numero pin, immettere un nuovo numero di pin nelle caselle di modifica oppure fare clic sulle frecce per aumentare o diminuire di una unità i valori della spina e della presa.
  6. (Facoltativo) Immettere una descrizione per il morsetto della spina o della presa.
  7. Fare clic su OK.