AutoCAD Mechanical toolset regroupe tous les paramètres qui dépendent des normes de dessin et les enregistre dans un profil référencé comme norme.
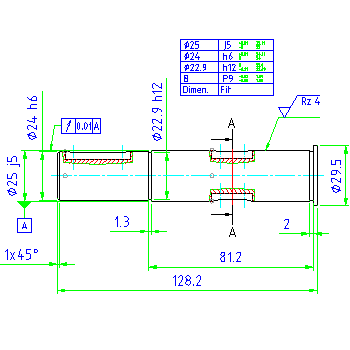
AutoCAD Mechanical toolset contient huit profils de ce type (ANSI, BSI, CSN, DIN, GB, ISO JIS et GOST), chacun étant configuré selon une norme de dessin spécifique. Ces paramètres régissent la façon dont les outils intégrés d'AutoCAD Mechanical toolset créent une géométrie. C'est pour cela qu'on dit d'AutoCAD Mechanical toolset qu'il est régi par des normes. La figure ci-après représente un dessin d'arbre créé à l'aide du paramètre de norme DIN. Notez la conformité des annotations avec la norme DIN.

AutoCAD Mechanical toolset étant basé sur des normes, l'attribution d'une norme de dessin à un dessin est essentielle. Lors de la création d'un dessin, AutoCAD Mechanical toolset lui attribue automatiquement une norme de dessin.
Lorsque vous ouvrez un dessin AutoCAD ou créez un dessin à l'aide d'un gabarit AutoCAD (*.dwt), AutoCAD Mechanical toolset attribue la norme la mieux adaptée au dessin (reportez-vous également à la section ci-après, "Rendre les remplacements de norme et les normes personnalisées disponibles pour les autres dessins"). Vous pouvez changer facilement la norme de dessin.
La norme de dessin contrôle les éléments suivants de la norme :
Vous pouvez remplacer chaque paramètre de norme en fonction de vos besoins. Le programme enregistre les remplacements avec la norme. Lorsque vous changez de norme, les éléments de la nouvelle norme sont activés. Si vous changez de norme au cours d'une session de dessin, la modification n'est pas répercutée sur les objets du dessin. Seuls les nouveaux objets sont conformes à la nouvelle norme sélectionnée. Lorsque vous rétablissez la norme d'origine, les paramètres précédents sont réactivés.
Lorsque vous remplacez l'élément d'une norme, AutoCAD Mechanical toolset valide les remplacements et vous empêche parfois de créer des paramètres contraires à cette norme. Pour contourner le processus de validation, créez une norme personnalisée et sélectionnez-la.
Par exemple, la norme ANSI limite le choix de hauteur du texte à 0.1, 0.12 et 0.24. Pour utiliser une hauteur de texte différente, créez une norme personnalisée basée sur la norme ANSI. La norme personnalisée vous permet de définir la hauteur du texte sur la valeur de votre choix. Tous les autres paramètres sont conformes à la norme ANSI.
Pour pouvoir utiliser une norme personnalisée ou un remplacement de norme dans le cadre de futurs dessins, enregistrez la norme personnalisée ou le remplacement de norme dans un gabarit (.dwt). Si vous définissez ce gabarit comme gabarit par défaut, les paramètres de norme du gabarit par défaut s'appliquent à chaque ouverture d'un dessin AutoCAD ou à chaque création d'un dessin basé sur un gabarit AutoCAD. S'il existe une disparité unitaire entre le gabarit par défaut et le gabarit/dessin AutoCAD, AutoCAD Mechanical toolset considère qu'aucun gabarit par défaut n'est défini. Si aucun gabarit par défaut n'est défini, AutoCAD Mechanical toolset attribue la norme ANSI (dessins anglo-saxons) ou la norme ISO (dessins métriques).
Vous pouvez également importer des paramètres à partir d'un gabarit (.dwt) à l'aide de la commande AMSETUPDWG. Si vous importez des paramètres au cours d'une session de dessin, cela revient à changer la norme de dessin ou les éléments d'une norme pendant une session de dessin.