关于选择绘图标准 (AutoCAD Mechanical Toolset)

AutoCAD Mechanical toolset 对由绘图标准管理的所有设置进行编组并将其保存到配置文件中,该配置文件称为标准。

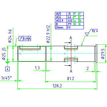
AutoCAD Mechanical toolset 包括八个这样的配置文件(ANSI、BSI、CSN、DIN、GB、ISO JIS 和 GOST),每个均被配置为与绘图标准匹配。这些设置可以管理 AutoCAD Mechanical toolset 内置工具创建几何图形的方式。因此,AutoCAD Mechanical toolset 被认为是标准驱动型产品。下图显示了在将标准设置为 DIN 时创建的轴工程图,并注明了注释是如何遵循 DIN 标准的。

默认绘图标准

因为 AutoCAD Mechanical toolset 由标准驱动,所以为工程图指定绘图标准很关键。用户创建工程图时,AutoCAD Mechanical toolset 会自动为工程图指定绘图标准。

如果打开 AutoCAD 工程图或使用 AutoCAD 模板 (.dwt) 创建工程图,AutoCAD Mechanical toolset 将为工程图指定最合适的标准(另请参见下面有关“使标准替代和自定义标准对其他工程图可用”的讨论)。用户可以轻松地更改绘图标准。

绘图标准控制的设置

绘图标准控制以下标准元素:

替代标准的元素

可以替代任何与标准相关的设置,以满足用户的特定要求。程序会将替代与标准一起保存。如果更改到其他标准,将激活新标准的元素。如果在绘图过程中更改了标准,存在于工程图中的工程图对象将不反映此更改。仅新对象遵循新选定的标准。如果更改回原始标准,先前有效的设置将重新激活。

注: 如果在绘图过程中更改了标准,随后又替代了标准的一个元素,则替代仅适用于更改标准之后创建的对象。例如,可以在标准为 ISO 创建注释,然后再将标准更改为 DIN。如果随后替代了注释的文字颜色设置,则仅在更改为 DIN 后创建的注释会反映此更改。在 ISO 标准下创建的注释将保留其原始颜色。它们受 ISO 标准控制,而不受 DIN 控制。

自定义标准及其意义

用户替代标准的图元时,AutoCAD Mechanical toolset 将自动检验替代,有时还将阻止创建违反标准的设置。要在操作时避开检验过程,请创建自定义标准并将其选择为当前绘图标准。

例如,如果用户使用的是 ANSI 标准,则可选文字高度仅局限于 0.1、0.12 和 0.24。要使用其他文字高度,需根据 ANSI 标准创建自定义标准。使用自定义标准,用户可以将文字高度更改为任何值。所有其他设置都符合 ANSI 标准。

使标准替代和自定义标准对其他工程图可用

要使自定义标准或标准替代对以后的工程图可用,请将其保存为模板工程图 (*.dwt)。如果将此模板设置为默认模板,只要用户打开 AutoCAD 工程图或根据 AutoCAD 模板创建工程图,默认模板中依赖标准的设置就适用于该工程图。如果默认模板和 AutoCAD 工程图/模板的单位不匹配,AutoCAD Mechanical toolset 将执行未设置默认模板时采用的操作。如果未设置默认模板,AutoCAD Mechanical toolset 将为英制工程图指定 ANSI 标准,为公制工程图指定 ISO 标准。

也可以通过 AMSETUPDWG 命令从模板图 (.dwt) 中输入设置。在绘图过程中输入设置就像在绘图过程中更改绘图标准或更改标准的元素一样。