Informazioni sulla selezione di una norma di disegno (AutoCAD Mechanical Toolset)

In AutoCAD Mechanical toolset tutte le impostazioni regolate in base alle norme di disegno vengono raggruppate e salvate in un profilo denominato Standard.

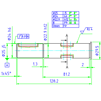
AutoCAD Mechanical toolset prevede otto profili standard (ANSI, BSI, CSN, DIN, GB, ISO JIS e GOST), ognuno configurato per corrispondere a una norma di disegno. Tali impostazioni controllano le modalità con cui gli strumenti integrati di AutoCAD Mechanical toolset creano la geometria. Di conseguenza, AutoCAD Mechanical toolset può dirsi basato sulle norme. Nella figura riportata di seguito è illustrato il disegno di un albero creato impostando la norma di disegno su DIN. Si noti che le annotazioni sono conformi allo standard DIN.

Norme di disegno di default

Poiché AutoCAD Mechanical toolset è basato sulle norme di disegno, l'assegnazione di una norma a un disegno è essenziale. Quando si crea un disegno, AutoCAD Mechanical toolset assegna automaticamente una norma di disegno.

Se si apre un disegno di AutoCAD o si crea un disegno utilizzando un modello di AutoCAD (con estensione .dwt), AutoCAD Mechanical toolset assegna lo standard più appropriato (vedere anche l'argomento "Come rendere disponibili per altri disegni le sostituzioni degli standard e degli standard personalizzati"). È semplice modificare la norma di disegno impostata.

Impostazioni controllate dalle norme di disegno

Le norme di disegno controllano i seguenti elementi dello standard:

Sostituzione degli elementi dello standard

È possibile sostituire le impostazioni dipendenti dallo standard al fine di soddisfare i propri requisiti specifici. Le sostituzioni vengono salvate insieme allo standard. Se si passa ad un altro standard, vengono attivati gli elementi del nuovo standard. Se si cambia lo standard durante una sessione di disegno, il nuovo standard non verrà applicato agli oggetti del disegno esistenti. Solo i nuovi oggetti saranno conformi al nuovo standard selezionato. Se si torna ad utilizzare lo standard originale, le impostazioni applicate in precedenza verranno nuovamente attivate.

Nota: Se si passa a un nuovo standard durante una sessione di disegno e quindi si sostituisce un elemento dello standard, la sostituzione viene applicata solo agli oggetti creati dopo l'applicazione del nuovo standard. È ad esempio possibile creare una nota con lo standard ISO, quindi passare allo standard DIN. Se si modifica quindi l'impostazione del colore del testo per le note, solo le note create dopo l'applicazione dello standard DIN rifletteranno la modifica, mentre le note create con lo standard ISO manterranno il colore originale. Sono controllate interamente dallo standard ISO, non dallo standard DIN.

Importanza degli standard personalizzati

Quando si sostituisce un elemento di uno standard, AutoCAD Mechanical toolset le sostituzioni vengono convalidate e, a volte, viene impedita la creazione di impostazioni che possano violare lo standard stesso. Per ignorare il processo di convalida, è possibile creare uno standard personalizzato e selezionarlo come norma di disegno corrente.

Ad esempio, lo standard ANSI consente di impostare l'altezza del testo su 0.1, 0.12 o 0.24. Per usare un'altezza diversa, è possibile creare uno standard personalizzato basato sullo standard ANSI. Tale standard personalizzato consente di impostare l'altezza del testo su qualsiasi valore. Tutte le altre impostazioni saranno conformi allo standard ANSI.

Rendere disponibili per altri disegni le sostituzioni degli standard e gli standard personalizzati

Per rendere disponibili per disegni futuri uno standard personalizzato o le sostituzioni degli standard, salvarli in un modello di disegno (*.dwt). Se si imposta questo modello come modello di default, ogni volta che si apre un disegno di AutoCAD o si crea un disegno basato su un modello di AutoCAD, al disegno vengono applicate le impostazioni che dipendono dallo standard del modello di default. Se viene rilevata una mancata corrispondenza tra le unità del modello di default e quelle del disegno/modello di AutoCAD, AutoCAD Mechanical toolset si comporta come se non fosse impostato alcun modello di default ovvero AutoCAD Mechanical toolset assegna lo standard ANSI (per i disegni che utilizzano il sistema di misura imperiale) oppure ISO (per i disegni che utilizzano il sistema di misura metrico).

È inoltre possibile importare le impostazioni da un disegno modello (con estensione dwt) con il comando AMSETUPDWG. L'importazione delle impostazioni durante una sessione di disegno equivale a cambiare le norme di disegno oppure gli elementi di uno standard durante una sessione di disegno.