Ocel tvarovaná za studena – kóty tvarů řezů

Zkontrolujte a upravte hodnoty parametrů kót tvarů řezů rámových konstrukčních prvků z oceli tvarované za studena.

Tyto vlastnosti jsou vytvořeny z parametru kategorie rodiny tvarů řezů prvku.

Tvar řezu Dostupné parametry kót tvarů
Obdélníková ocel HSS (ocel tvarovaná za studena)

B. Šířka: vnější šířka tvaru řezu

H. Výška: vnější výška tvaru řezu

T. Tloušťka návrhu stěny: tloušťka kolmého návrhu mezi vnitřním a vnějším povrchem tvaru řezu

t. Jmenovitá tloušťka stěny: průměrná kolmá vzdálenost mezi vnitřním a vnějším povrchem tvaru řezu

r1. Vnitřní zaoblení: poloměr vnitřního zaoblení rohu pravoúhlého dutého konstrukčního tvaru řezu

r2. Vnější zaoblení: poloměr vnějšího zaoblení rohu pravoúhlého dutého konstrukčního tvaru řezu

y. Horizontální těžiště: vzdálenost od těžiště tvaru řezu k levé mezní oblasti podél horizontální osy

z. Horizontální těžiště: vzdálenost od těžiště tvaru řezu k levé mezní oblasti podél vertikální osy

Kulatá ocel HSS (ocel tvarovaná za studena)

D. Průměr: vnější průměr kulatého tvaru řezu

T. Tloušťka návrhu stěny: tloušťka kolmého návrhu mezi vnitřním a vnějším povrchem tvaru řezu

t. Jmenovitá tloušťka stěny: průměrná kolmá vzdálenost mezi vnitřním a vnějším povrchem tvaru řezu

y. Horizontální těžiště: vzdálenost od těžiště tvaru řezu k levé mezní oblasti podél horizontální osy

z. Horizontální těžiště: vzdálenost od těžiště tvaru řezu k levé mezní oblasti podél vertikální osy

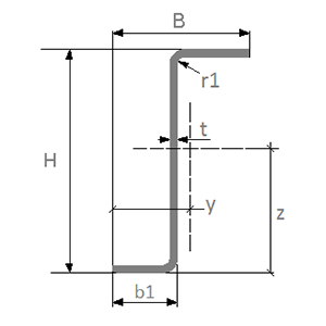
Profil C

B. Šířka: vnější šířka tvaru řezu

H. Výška: vnější výška tvaru řezu

T. Tloušťka návrhu stěny: tloušťka kolmého návrhu mezi vnitřním a vnějším povrchem tvaru řezu

t. Jmenovitá tloušťka stěny: průměrná kolmá vzdálenost mezi vnitřním a vnějším povrchem tvaru řezu

r1. Vnitřní zaoblení: Poloměr vnitřního zaoblení rohu ohybu v tvaru řezu oceli tvarované za studena

y. Horizontální těžiště: vzdálenost od těžiště tvaru řezu k levé mezní oblasti podél horizontální osy

z. Horizontální těžiště: vzdálenost od těžiště tvaru řezu k levé mezní oblasti podél vertikální osy

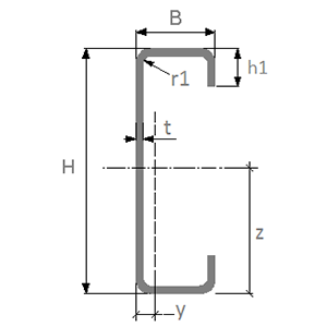
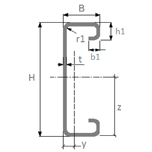
Profil C s ohybem

B. Šířka: vnější šířka tvaru řezu

H. Výška: vnější výška tvaru řezu

h1. Délka přehybu: Vzdálenost mezi vnějším povrchem tvaru řezu a koncem segmentu přehybu

b1. Délka ohybu: Vzdálenost mezi vnějším povrchem segmentu přehybu a koncem segmentu ohybu

T. Tloušťka návrhu stěny: tloušťka kolmého návrhu mezi vnitřním a vnějším povrchem tvaru řezu

t. Jmenovitá tloušťka stěny: průměrná kolmá vzdálenost mezi vnitřním a vnějším povrchem tvaru řezu

r1. Vnitřní zaoblení: Poloměr vnitřního zaoblení rohu ohybu v tvaru řezu oceli tvarované za studena

y. Horizontální těžiště: vzdálenost od těžiště tvaru řezu k levé mezní oblasti podél horizontální osy

z. Horizontální těžiště: vzdálenost od těžiště tvaru řezu k levé mezní oblasti podél vertikální osy

Profil C s přehyby

B. Šířka: vnější šířka tvaru řezu

H. Výška: vnější výška tvaru řezu

h1. Délka přehybu: Vzdálenost mezi vnějším povrchem tvaru řezu a koncem segmentu přehybu

T. Tloušťka návrhu stěny: tloušťka kolmého návrhu mezi vnitřním a vnějším povrchem tvaru řezu

t. Jmenovitá tloušťka stěny: průměrná kolmá vzdálenost mezi vnitřním a vnějším povrchem tvaru řezu

r1. Vnitřní zaoblení: Poloměr vnitřního zaoblení rohu ohybu v tvaru řezu oceli tvarované za studena

y. Horizontální těžiště: vzdálenost od těžiště tvaru řezu k levé mezní oblasti podél horizontální osy

z. Horizontální těžiště: vzdálenost od těžiště tvaru řezu k levé mezní oblasti podél vertikální osy

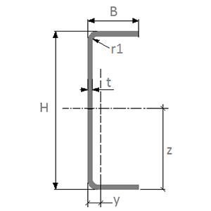
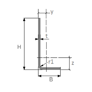
Profil L

B. Šířka: vnější šířka tvaru řezu

H. Výška: vnější výška tvaru řezu

T. Tloušťka návrhu stěny: tloušťka kolmého návrhu mezi vnitřním a vnějším povrchem tvaru řezu

t. Jmenovitá tloušťka stěny: průměrná kolmá vzdálenost mezi vnitřním a vnějším povrchem tvaru řezu

r1. Vnitřní zaoblení: Poloměr vnitřního zaoblení rohu ohybu v tvaru řezu oceli tvarované za studena

y. Horizontální těžiště: vzdálenost od těžiště tvaru řezu k levé mezní oblasti podél horizontální osy

z. Horizontální těžiště: vzdálenost od těžiště tvaru řezu k levé mezní oblasti podél vertikální osy

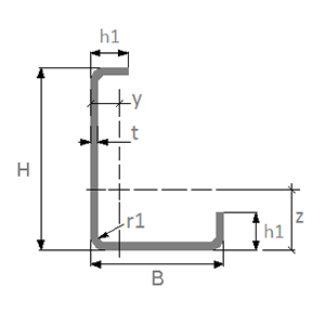
Profil L s přehyby

B. Šířka: vnější šířka tvaru řezu

H. Výška: vnější výška tvaru řezu

h1. Délka přehybu: Vzdálenost mezi vnějším povrchem tvaru řezu a koncem segmentu přehybu

T. Tloušťka návrhu stěny: tloušťka kolmého návrhu mezi vnitřním a vnějším povrchem tvaru řezu

t. Jmenovitá tloušťka stěny: průměrná kolmá vzdálenost mezi vnitřním a vnějším povrchem tvaru řezu

r1. Vnitřní zaoblení: Poloměr vnitřního zaoblení rohu ohybu v tvaru řezu oceli tvarované za studena

y. Horizontální těžiště: vzdálenost od těžiště tvaru řezu k levé mezní oblasti podél horizontální osy

z. Horizontální těžiště: vzdálenost od těžiště tvaru řezu k levé mezní oblasti podél vertikální osy

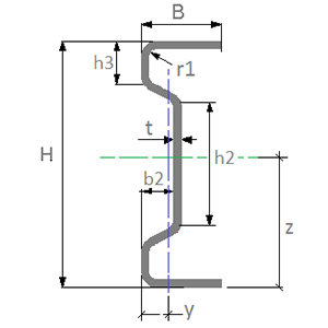
Profil sigma

B. Šířka: vnější šířka tvaru řezu

H. Výška: vnější výška tvaru řezu

b2. Šířka ohybu: Vzdálenost mezi levou mezní oblastí tvaru řezu k vnějšímu povrchu prostředního ohybového segmentu

h2. Délka prostředního ohybu: Délka vnitřní povrchu prostředního ohybového segmentu

h3. Délka horního ohybu: Vzdálenost mezi vnějším povrchem horní části tvaru řezu a koncem horního ohybového segmentu

T. Tloušťka návrhu stěny: tloušťka kolmého návrhu mezi vnitřním a vnějším povrchem tvaru řezu

t. Jmenovitá tloušťka stěny: průměrná kolmá vzdálenost mezi vnitřním a vnějším povrchem tvaru řezu

r1. Vnitřní zaoblení: Poloměr vnitřního zaoblení rohu ohybu v tvaru řezu oceli tvarované za studena

y. Horizontální těžiště: vzdálenost od těžiště tvaru řezu k levé mezní oblasti podél horizontální osy

z. Horizontální těžiště: vzdálenost od těžiště tvaru řezu k levé mezní oblasti podél vertikální osy

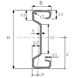
Profil sigma s ohybem

B. Šířka: vnější šířka tvaru řezu

H. Výška: vnější výška tvaru řezu

b1. Délka ohybu: Vzdálenost mezi vnějším povrchem segmentu přehybu a koncem segmentu ohybu

h1. Délka přehybu: Vzdálenost mezi vnějším povrchem tvaru řezu a koncem segmentu přehybu

b2. Šířka ohybu: Vzdálenost mezi levou mezní oblastí tvaru řezu k vnějšímu povrchu prostředního ohybového segmentu

h2. Délka prostředního ohybu: Délka vnitřní povrchu prostředního ohybového segmentu

h3. Délka horního ohybu: Vzdálenost mezi vnějším povrchem horní části tvaru řezu a koncem horního ohybového segmentu

T. Tloušťka návrhu stěny: tloušťka kolmého návrhu mezi vnitřním a vnějším povrchem tvaru řezu

t. Jmenovitá tloušťka stěny: průměrná kolmá vzdálenost mezi vnitřním a vnějším povrchem tvaru řezu

r1. Vnitřní zaoblení: Poloměr vnitřního zaoblení rohu ohybu v tvaru řezu oceli tvarované za studena

y. Horizontální těžiště: vzdálenost od těžiště tvaru řezu k levé mezní oblasti podél horizontální osy

z. Horizontální těžiště: vzdálenost od těžiště tvaru řezu k levé mezní oblasti podél vertikální osy

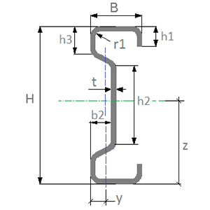
Profil sigma s přehyby

B. Šířka: vnější šířka tvaru řezu

H. Výška: vnější výška tvaru řezu

b2. Šířka ohybu: Vzdálenost mezi levou mezní oblastí tvaru řezu k vnějšímu povrchu prostředního ohybového segmentu

h1. Délka přehybu: Vzdálenost mezi vnějším povrchem tvaru řezu a koncem segmentu přehybu

h2. Délka prostředního ohybu: Délka vnitřní povrchu prostředního ohybového segmentu

h3. Délka horního ohybu: Vzdálenost mezi vnějším povrchem horní části tvaru řezu a koncem horního ohybového segmentu

T. Tloušťka návrhu stěny: tloušťka kolmého návrhu mezi vnitřním a vnějším povrchem tvaru řezu

t. Jmenovitá tloušťka stěny: průměrná kolmá vzdálenost mezi vnitřním a vnějším povrchem tvaru řezu

r1. Vnitřní zaoblení: Poloměr vnitřního zaoblení rohu ohybu v tvaru řezu oceli tvarované za studena

y. Horizontální těžiště: vzdálenost od těžiště tvaru řezu k levé mezní oblasti podél horizontální osy

z. Horizontální těžiště: vzdálenost od těžiště tvaru řezu k levé mezní oblasti podél vertikální osy

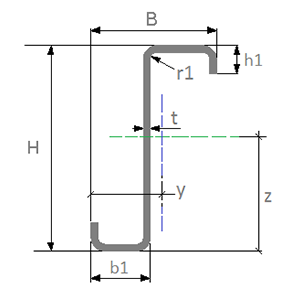
Profil Z

B. Šířka: vnější šířka tvaru řezu

H. Výška: vnější výška tvaru řezu

b1. Délka spodní příruby: Vzdálenost mezi vnitřním povrchem tvaru řezu a koncem segmentu spodní příruby

T. Tloušťka návrhu stěny: tloušťka kolmého návrhu mezi vnitřním a vnějším povrchem tvaru řezu

t. Jmenovitá tloušťka stěny: průměrná kolmá vzdálenost mezi vnitřním a vnějším povrchem tvaru řezu

r1. Vnitřní zaoblení: Poloměr vnitřního zaoblení rohu ohybu v tvaru řezu oceli tvarované za studena

y. Horizontální těžiště: vzdálenost od těžiště tvaru řezu k levé mezní oblasti podél horizontální osy

z. Horizontální těžiště: vzdálenost od těžiště tvaru řezu k levé mezní oblasti podél vertikální osy

Profil Z s přehyby

B. Šířka: vnější šířka tvaru řezu

H. Výška: vnější výška tvaru řezu

b1. Délka spodní příruby: Vzdálenost mezi vnitřním povrchem tvaru řezu a koncem segmentu spodní příruby

h1. Délka přehybu: Vzdálenost mezi vnějším povrchem tvaru řezu a koncem segmentu přehybu

T. Tloušťka návrhu stěny: tloušťka kolmého návrhu mezi vnitřním a vnějším povrchem tvaru řezu

t. Jmenovitá tloušťka stěny: průměrná kolmá vzdálenost mezi vnitřním a vnějším povrchem tvaru řezu

r1. Vnitřní zaoblení: Poloměr vnitřního zaoblení rohu ohybu v tvaru řezu oceli tvarované za studena

y. Horizontální těžiště: vzdálenost od těžiště tvaru řezu k levé mezní oblasti podél horizontální osy

z. Horizontální těžiště: vzdálenost od těžiště tvaru řezu k levé mezní oblasti podél vertikální osy