O conjunto de ferramentas do AutoCAD Mechanical agrupa todos os parâmetros governados por normas de desenho e os salva em um perfil denominado standard.
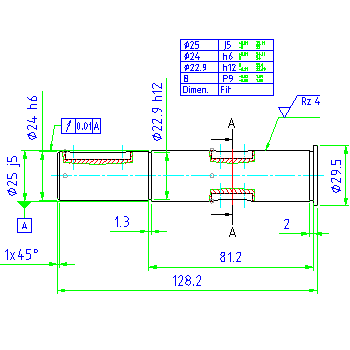
O conjunto de ferramentas do AutoCAD Mechanical inclui oito destes perfis (ANSI, BSI, CSN, DIN, GB, ISO, JIS e GOST), cada um configurado para coincidir com uma standard de desenho. Esses parâmetros determinam como a geometria é criada usando as ferramentas integradas do conjunto de ferramentas do AutoCAD Mechanical. Portanto, o conjunto de ferramentas do AutoCAD Mechanical é limitado e funciona usando normas. Na figura seguinte é exibido um desenho de um eixo criado com a standard definida em DIN. Observe que as anotações cumprem a standard DIN.

Já que o conjunto de ferramentas do AutoCAD Mechanical funciona usando normas, é muito importante atribuir uma standard a um desenho. Ao criar um desenho, o conjunto de ferramentas do AutoCAD Mechanical atribui-lhe automaticamente uma standard ao desenho.
Se você abre um desenho do AutoCAD ou cria um desenho usando um modelo do AutoCAD (.dwt), o conjunto de ferramentas do AutoCAD Mechanical atribui a standard mais adequada para o desenho (consulte também o seguinte tópico sobre "disponibilidade de modificações de normas e de normas personalizadas em outros desenhos"). É possível alterar a standard de desenho facilmente.
A standard de desenho controla os seguintes elementos da standard:
É possível substituir qualquer uma das configurações que dependem de normas para atender os requisitos especiais. O programa salva as modificações com a standard. Se você altera para uma standard diferente, os elementos da nova standard são ativados. Se você altera de standard durante uma sessão de desenho, os objetos que já existem no desenho não refletem a alteração. Somente os objetos novos seguem a standard recém-selecionada. Se você volta a alterar para a standard original, os parâmetros que estavam anteriormente em vigor passam a estar ativos novamente.
Quando um elemento é substituído em uma standard, o conjunto de ferramentas do AutoCAD Mechanical valida a modificação e, às vezes, evita que sejam criados parâmetros que infrinjam essa standard. Para resolver o processo de validação, crie uma standard personalizada e selecione-a como a standard de desenho atual.
Por exemplo, a standard ANSI limita as opções de altura do texto em 0.1, 0.12 e 0.24. Para utilizar uma altura de texto diferente, crie uma standard personalizada com base na standard ANSI. A standard personalizada permite alterar a altura do texto para qualquer valor. Todos os demais parâmetros cumprem a standard ANSI.
Para disponibilizar uma standard personalizada ou substituições de normas para futuros desenhos, salve-as em um modelo de desenho (*.dwt). Se você define este modelo como o modelo padrão, sempre que abrir um desenho do AutoCAD ou criar um desenho baseado em um modelo do AutoCAD, os parâmetros dependentes das normas do modelo padrão serão aplicados ao desenho. Se há uma divergência de unidades entre o modelo padrão e o desenho ou modelo do AutoCAD, o conjunto de ferramentas do AutoCAD Mechanical comporta-se como se nenhum modelo padrão tivesse sido definido. Se nenhum modelo padrão é definido, o conjunto de ferramentas do AutoCAD Mechanical atribui a standard ANSI (para desenhos com medidas imperiais) ou a standard ISO (para desenhos com medidas métricas).
Também é possível importar parâmetros de um modelo de desenho (.dwt) com o comando AMSETUPDWG. A importação de parâmetros no meio de uma sessão de desenho equivale a alterar a standard de desenho ou os elementos de uma standard no meio de uma sessão de desenho.